电脑桌面
添加小米粒文库到电脑桌面
安装后可以在桌面快捷访问

路基土石方(匝道)

路基土石方(匝道)_第1页
1/6
路基土石方(匝道)_第2页
2/6
路基土石方(匝道)_第3页
3/6
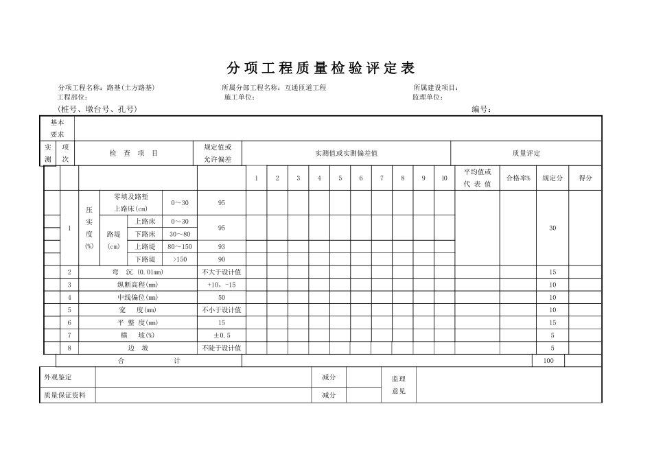
分 项 工 程 质 量 检 验 评 定 表 分项工程名称:路基(土方路基) 所属分部工程名称:互通匝道工程 所属建设项目: 工程部位: 施工单位: 监理单位: (桩号、墩台号、孔号) 编号: 基本要求实测项项次检 查 项 目规定值或允许偏差实测值或实测偏差值质量评定12345678910平均值或代 表 值合格率%规定分得分1压实度(%)零填及路堑上路床(cm)0~309530路堤(cm)上路床0~3095下路床30~80上路堤80~15093下路堤>150902弯 沉 (0.01mm)不大于设计值153纵断高程(mm)+10,-15104中线偏位(mm)50105宽 度(mm)不小于设计值106平 整 度(mm)15157横 坡(%)±0.558边 坡不陡于设计值5合 计100外观鉴定减分监理意见质量保证资料减分工程质量等级评定 得分: 质量等级:检验负责人: 检测: 记录: 复核: 年 月 日分 项 工 程 质 量 检 验 评 定 表 分项工程名称:路基(石方路基) 所属分部工程名称:互通匝道工程 所属建设项目: 工程部位: 施工单位: 监理单位: (桩号、墩台号、孔号) 编号: 基本要求实测项项次检 查 项 目规定值或允许偏差实测值或实测偏差值质量评定12345678910平均值或代 表 值合格率%规定分得分1压 实 度(%)层厚和碾压遍数符合要求302纵断高程(mm)+10,-20103中线偏位(mm)50104宽 度(mm)不小于设计值105平 整 度(mm)20156横 坡(%)±0.5107边坡坡 度不陡于设计值15平顺度符合设计合 计100外观鉴定减分监理意见质量保证资料减分工程质量等级评定 得分: 质量等级:检验负责人: 检测: 记录: 复核: 年 月 日分 项 工 程 质 量 检 验 评 定 表 分项工程名称:路基(软土地基) 所属分部工程名称:互通匝道工程 所属建设项目: 工程部位: 施工单位: 监理单位: (桩号、墩台号、孔号) 编号: 基本要求实测项目项次检 查 项 目规定值或允许偏差实测值或实测偏差值质量评定12345678910平均值或代 表 值合格率%规定分得分1砂垫层厚度不小于设计402砂垫层宽度不小于设计303反滤层设置符合设计30合 计100外观鉴定减分监理意见质量保证资料减分工程质量等级评定 得分: 质量等级:检验负责人: 检测: 记录: 复核: 年 月 日分 项 工 程 质 量 检 验 评 定 表 分项工程名称:路基(加筋工程土工合同材料) 所属分部工程名称:互通匝道工程 所属建设项目: 工程部位: 施工单位: 监理单位: (桩号、墩台号、孔号...

1、当您付费下载文档后,您只拥有了使用权限,并不意味着购买了版权,文档只能用于自身使用,不得用于其他商业用途(如 [转卖]进行直接盈利或[编辑后售卖]进行间接盈利)。
2、本站所有内容均由合作方或网友上传,本站不对文档的完整性、权威性及其观点立场正确性做任何保证或承诺!文档内容仅供研究参考,付费前请自行鉴别。
3、如文档内容存在违规,或者侵犯商业秘密、侵犯著作权等,请点击“违规举报”。

碎片内容

路基土石方(匝道)

您可能关注的文档

确认删除?
VIP
微信客服
  • 扫码咨询
会员Q群
  • 会员专属群点击这里加入QQ群
客服邮箱
回到顶部