电脑桌面
添加小米粒文库到电脑桌面
安装后可以在桌面快捷访问

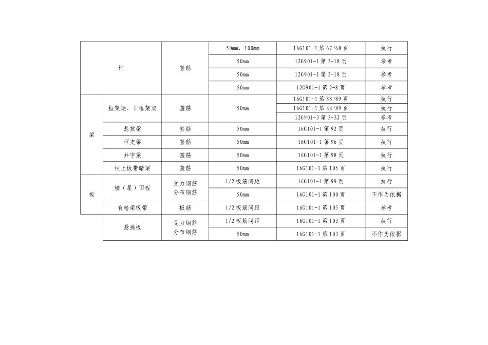
钢筋起步距离统计表

钢筋起步距离统计表_第1页
1/2
钢筋起步距离统计表_第2页
2/2
钢筋起步距离统计表部位构 件起步钢筋起步距离依 据备注基础独立基础底板双向钢筋1/2 板筋间距且≤75mm16G101-3 第 69 页执行1/2 板筋间16G101-3 第 69 页执行条形基础底板钢筋1/2 板筋间距且≤75mm16G101-3 第 76 页参考执行1/2 板筋间16G101-3 第 76 页参考执行基础梁箍筋50mm16G101-3 第 79-80 页执行地下框架梁箍筋50mm12G901-3 第 5-2 页参考梁板式筏形基础板筋1/2 板筋间距且≤75mm16G101-3 第 89 页执行1/2 板筋间距且≤75mm12G901-3 第 3-36`3-37 页不作为依据平板式筏形基础板筋1/2 板筋间距且≤75mm16G101-3 第 93 页执行基础连系梁箍筋50mm16G101-3 第 105 页执行剪力墙连梁箍筋50mm16G101-1 第 78 页执行水平分布筋竖向分布筋50mm、100mm16G101-1 第 71`74 页执行100mm16G101-1 第 71`74 页参考执行50mm16G101-1 第 99 页不作为依据竖向分布筋间距16G101-1 第 77 页参考竖向分布筋间距16G101-1 第 77 页参考执行100mm16G101-1 第 77 页参考执行柱箍筋50mm、100mm16G101-1 第 67`68 页执行50mm12G901-1 第 3-18 页参考50mm12G901-1 第 3-18 页参考50mm12G901-1 第 2-8 页参考梁框架梁、非框架梁箍筋50mm16G101-1 第 88`89 页执行16G101-1 第 88`89 页执行12G901-3 第 3-32 页参考悬挑梁箍筋50mm16G101-1 第 92 页执行框支梁箍筋50mm16G101-1 第 96 页执行井字粱箍筋50mm16G101-1 第 98 页执行柱上板带暗梁箍筋50mm16G101-1 第 105 页执行板楼(屋)面板受力钢筋分布钢筋1/2 板筋间距16G101-1 第 99 页执行50mm16G101-1 第 100 页不作为依据有暗梁板带板筋1/2 板筋间距16G101-1 第 105 页参考悬挑板受力钢筋分布钢筋1/2 板筋间距16G101-1 第 103 页执行50mm16G101-1 第 103 页不作为依据

1、当您付费下载文档后,您只拥有了使用权限,并不意味着购买了版权,文档只能用于自身使用,不得用于其他商业用途(如 [转卖]进行直接盈利或[编辑后售卖]进行间接盈利)。
2、本站所有内容均由合作方或网友上传,本站不对文档的完整性、权威性及其观点立场正确性做任何保证或承诺!文档内容仅供研究参考,付费前请自行鉴别。
3、如文档内容存在违规,或者侵犯商业秘密、侵犯著作权等,请点击“违规举报”。

碎片内容

钢筋起步距离统计表

确认删除?
VIP
微信客服
  • 扫码咨询
会员Q群
  • 会员专属群点击这里加入QQ群
客服邮箱
回到顶部