电脑桌面
添加小米粒文库到电脑桌面
安装后可以在桌面快捷访问

非金属风管制作及安装施工交底记录

非金属风管制作及安装施工交底记录_第1页
1/19
非金属风管制作及安装施工交底记录_第2页
2/19
非金属风管制作及安装施工交底记录_第3页
3/19
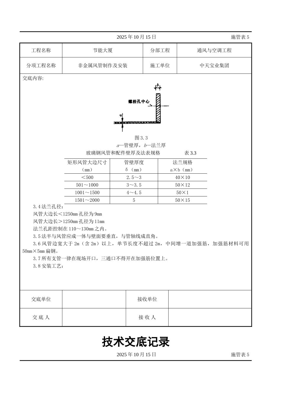
技术交底记录2025 年 10 月 15 日施管表 5工程名称节能大厦分部工程通风与空调工程分项工程名称非金属风管制作及安装施工单位中天宝业集团交底内容:1、依据标准:《建筑工程施工质量验收统一标准》 GB50300-2001《通风与空调工程施工质量验收法律规范》 GB50243-20252、施工准备2.1 材料及主要机具:2.1.1 所用的无机原料、玻纤布及填充料等应符合设计要求。原料中填充料及含量应有法定检测部门的证明技术文件。2.1.2 玻璃钢中玻纤布的含量与规格应符合设计要求,玻纤布应干燥、清洁,不得含蜡。2.1.3 主要机具有:各类胎具,料桶,刷子,不锈钢板尺,角尺,量角器,钻孔机。2.1.4 所制成品的主要技术参数应符合国家有关试验规定。2.2 作业条件:2.2.1 集中加工应具有宽敞、明亮、干净、通风、地面平整、不潮湿的厂房。2.2.2 有一定的成品存放地并有防雨、雪、风且结构牢固的设施。2.2.3 作业点要有相应的加工用模具、设施电源、消防器材等。2.2.4 成品制作应有批准的图纸,经审查的大样图、系统图,并有负责人的书面技术、质量、安全交底。3、操作工艺3.1 工艺流程支模→成型(按法律规范要求一层无机原料一层玻纤破→检验→固化→打孔→入库3.2 按大样图选适当模具支在特定的架子上开始操作。风管用 1∶1 经纬线的玻纤布增强,无机原料的重量含量为 50%~60%。玻纤布的铺置接缝应错开,无重叠现象。原料应涂刷均匀,不得漏涂。3.3 玻璃钢风管和配件的壁厚及法兰规格应符合表 3.3 的规定(见图 3.3)交底单位接收单位交 底 人接 收 人技术交底记录2025 年 10 月 15 日施管表 5工程名称节能大厦分部工程通风与空调工程分项工程名称非金属风管制作及安装施工单位中天宝业集团交底内容:图 3.3a—管壁厚,b—法兰厚玻璃钢风管和配件壁厚及法表规格表 3.3矩形风管大边尺寸(mm)管壁厚度δ(mm)法兰规格a×b(mm)<5002.5~340×10501~10003~3.550×121001~15004~4.550×11501~2000550×153.4 法兰孔径:风管大边长<1250mm 孔径为 9mm风管大边长>1250mm 孔径为 11mm法兰孔距控制在 110~130mm 之内。3.5 法半与风管应成一体与壁面要垂直,与管轴线成直角。3.6 风管边宽大于 2m(含 2m)以上,单节长度不超过 2m,中间增一道加强筋,加强筋材料可用50mm×5mm 扁钢。3.7 所有支管一律在现场开口,三通口不得开在加强筋位置上。3.8 安装工艺:交底单位接收单位交 底 人接 收 人技术交...

1、当您付费下载文档后,您只拥有了使用权限,并不意味着购买了版权,文档只能用于自身使用,不得用于其他商业用途(如 [转卖]进行直接盈利或[编辑后售卖]进行间接盈利)。
2、本站所有内容均由合作方或网友上传,本站不对文档的完整性、权威性及其观点立场正确性做任何保证或承诺!文档内容仅供研究参考,付费前请自行鉴别。
3、如文档内容存在违规,或者侵犯商业秘密、侵犯著作权等,请点击“违规举报”。

碎片内容

非金属风管制作及安装施工交底记录

确认删除?
VIP
微信客服
  • 扫码咨询
会员Q群
  • 会员专属群点击这里加入QQ群
客服邮箱
回到顶部