电脑桌面
添加小米粒文库到电脑桌面
安装后可以在桌面快捷访问

齿轮副各公差组的检验组及各项误差的公差数值

齿轮副各公差组的检验组及各项误差的公差数值_第1页
1/1
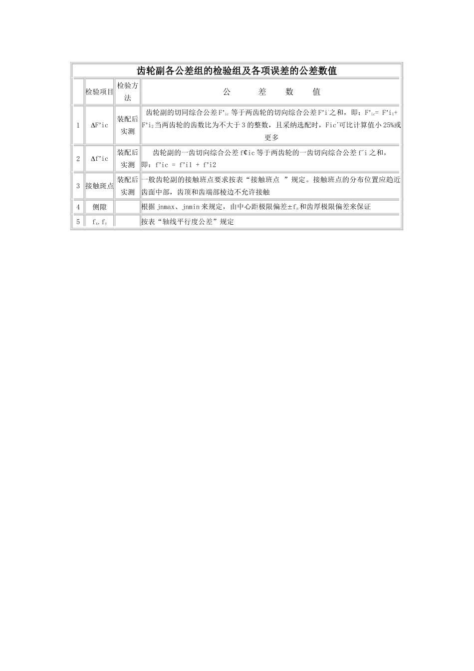
齿轮副各公差组的检验组及各项误差的公差数值 检验项目检验方法公 差 数 值1F’ic装配后实测齿轮副的切同综合公差 F’ic 等于两齿轮的切向综合公差 F’i之和,即:F’ic= F’i1+ F’i2当两齿轮的齿数比为不大于 3 的整数,且采纳选配时,Fic可比计算值小 25%或更多2f’ic装配后实测齿轮副的一齿切向综合公差 f¢ic 等于两齿轮的一齿切向综合公差 fi 之和,即:f’ic = f’i1 + f’i23 接触斑点装配后实测一般齿轮副的接触班点要求按表“接触班点 ”规定。接触班点的分布位置应趋近齿面中部,齿顶和齿端部棱边不允许接触4侧隙 根据 jnmax、jnmin 来规定,由中心距极限偏差fa和齿厚极限偏差来保证5fx.fy 按表“轴线平行度公差”规定

1、当您付费下载文档后,您只拥有了使用权限,并不意味着购买了版权,文档只能用于自身使用,不得用于其他商业用途(如 [转卖]进行直接盈利或[编辑后售卖]进行间接盈利)。
2、本站所有内容均由合作方或网友上传,本站不对文档的完整性、权威性及其观点立场正确性做任何保证或承诺!文档内容仅供研究参考,付费前请自行鉴别。
3、如文档内容存在违规,或者侵犯商业秘密、侵犯著作权等,请点击“违规举报”。

碎片内容

齿轮副各公差组的检验组及各项误差的公差数值

您可能关注的文档

确认删除?
VIP
微信客服
  • 扫码咨询
会员Q群
  • 会员专属群点击这里加入QQ群
客服邮箱
回到顶部