电脑桌面
添加小米粒文库到电脑桌面
安装后可以在桌面快捷访问

0148-温州市住宅前安置房工程桩基施工方案VIP专享

0148-温州市住宅前安置房工程桩基施工方案_第1页
1/33
0148-温州市住宅前安置房工程桩基施工方案_第2页
2/33
0148-温州市住宅前安置房工程桩基施工方案_第3页
3/33
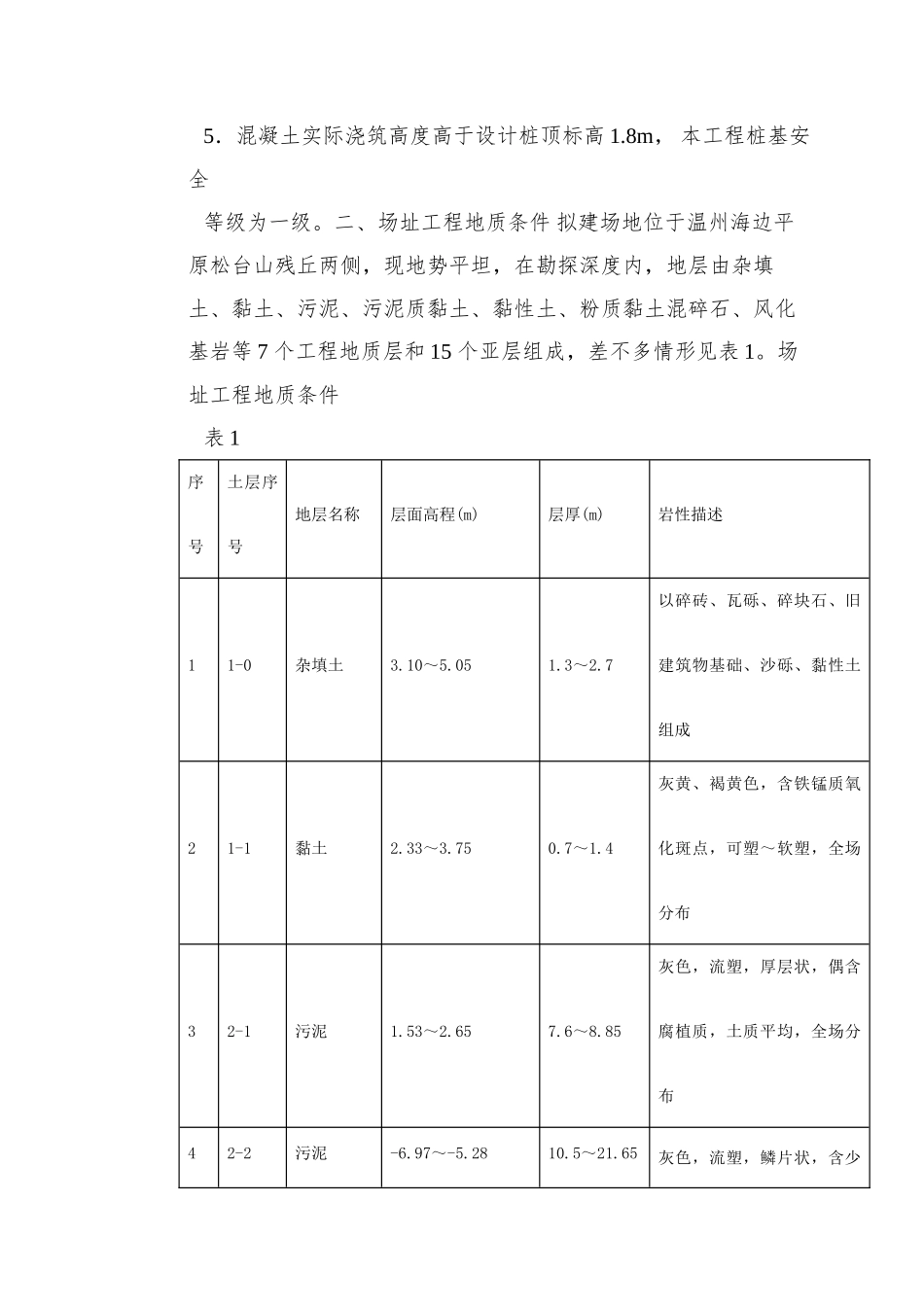
0148 温州市住宅前安置房工程桩基施工方案第一章 工程概况2第二章 施工工艺7第三章 质量目标、质量操纵及保证措施18第四章 施工进度打算与工期保证措施29第五章 要紧机械设备及劳动力安排 34第六章 排污及用电专项方案 37第七章 提交竣工资料 41工程概况一、建筑、设计概况 (一) 建筑概况拟建场地位于温州市人民西路任宅前,东邻温富大厦,南邻九山外河,为旧房拆迁再建工程,拟建物包括主楼和裙房,主楼地上为 21~25 层(共 3 幢),框架-剪力墙结构,柱下最大荷载15000kN/柱;裙房 2 层,框架结构;主楼和裙房设一层地下室,埋深 5m,基础形式采纳大直径钻孔浇筑桩。由温州市旧城改建指挥部开发建设,由杭州市建筑设计院设计。(二) 设计概况1.本工程±0.000 相当于黄海高程 5.500m。2.本工程为钻孔浇筑桩基础,共设计桩 181 根,包括 φ900 桩112 根;φ1000 桩 17 根;φ600 桩 52 根。桩身混凝土强度等级为C30,试桩和锚桩 φ900 桩 15 根,混凝土强度等级为 C35,主筋混凝土爱护层厚度不小于 50mm。设计采纳端承摩擦桩,主楼高层部分,以 7-3 层中风化基岩作为桩端持力层。桩底标高低于黄海高程-81.000m;同时要满足桩端全截面进入持力层不小于 3.0m; 裙房部分的桩以 5-2 层含碎石粉质粘土作为桩端持力层,桩底标高统一为黄海高程-60.00m。3.大直径钻孔浇筑桩施工的各工序必须连续进行,中间不得有停工现象。二次清孔终止测得孔底沉渣厚度满足上述要求后,半小时内必须浇筑混凝土,否则需再次清孔。4.桩孔成型后必须清除孔底沉渣,孔清后沉渣厚度不得大于5cm(端承摩擦桩)并应赶忙浇筑水下混凝土。5.混凝土实际浇筑高度高于设计桩顶标高 1.8m, 本工程桩基安全等级为一级。二、场址工程地质条件 拟建场地位于温州海边平原松台山残丘两侧,现地势平坦,在勘探深度内,地层由杂填土、黏土、污泥、污泥质黏土、黏性土、粉质黏土混碎石、风化基岩等 7 个工程地质层和 15 个亚层组成,差不多情形见表 1。场址工程地质条件表 1序号土层序号地层名称层面高程(m)层厚(m)岩性描述11-0杂填土3.10~5.051.3~2.7以碎砖、瓦砾、碎块石、旧建筑物基础、沙砾、黏性土组成21-1黏土2.33~3.750.7~1.4灰黄、褐黄色,含铁锰质氧化斑点,可塑~软塑,全场分布32-1污泥1.53~2.657.6~8.85灰色,流塑,厚层状,偶含腐植质,土质平均,全场分布42-2污泥-6.97~-5.2810.5~21.65灰色,流塑,鳞片...

1、当您付费下载文档后,您只拥有了使用权限,并不意味着购买了版权,文档只能用于自身使用,不得用于其他商业用途(如 [转卖]进行直接盈利或[编辑后售卖]进行间接盈利)。
2、本站所有内容均由合作方或网友上传,本站不对文档的完整性、权威性及其观点立场正确性做任何保证或承诺!文档内容仅供研究参考,付费前请自行鉴别。
3、如文档内容存在违规,或者侵犯商业秘密、侵犯著作权等,请点击“违规举报”。

碎片内容

0148-温州市住宅前安置房工程桩基施工方案

确认删除?
VIP
微信客服
  • 扫码咨询
会员Q群
  • 会员专属群点击这里加入QQ群
客服邮箱
回到顶部