电脑桌面
添加小米粒文库到电脑桌面
安装后可以在桌面快捷访问

G314库库项目房建工程建设监理规划

G314库库项目房建工程建设监理规划_第1页
1/33
G314库库项目房建工程建设监理规划_第2页
2/33
G314库库项目房建工程建设监理规划_第3页
3/33
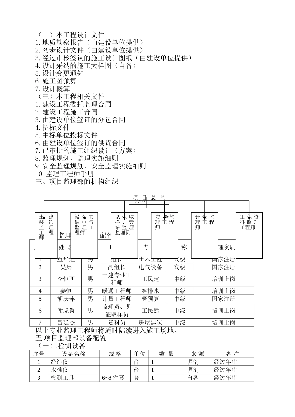
G314 库库项目房建工程建设监理规划编 制: 总 监: 审 批: 新疆昆仑工程监理有限责任公司库库房建项目监理部2025 年 7 月 5 日G314 库库项目房建工程建设监理规划一、 工程基本情况(一)、工程特性工程名称G314 库 - 库高 速 公 路 房建工程设计单位新 疆 公 路 规划 勘 察 设 计讨论院承包单位通州建总集团有限公司工程地点G314 国道库车县境内地勘单位新 疆 公 路 规划 勘 察 设 计讨论院监理单位新疆昆仑工程监理有限责任公司建设单位新 疆 交 通 建设局质监单位安监单位(二)、工程概况1、建筑概况建筑面积10260.19m2建筑层数地上建筑檐高25.2m地下门 窗塑钢屋 面SBS地 面大理石、花岗岩2、结构概况结构类型框架、砖混基 础现浇钢筋混凝土屋 盖现浇钢筋混凝土抗震烈度八度消防等级二类耐火等级二级3、地质概况 依据公路规划勘察设计讨论院勘察设计院提供的 G314 库-库高速公路房建工程工程地质勘察报告,基础土方开挖至设计标高,基底土质为戈壁无地下水,经勘察单位现场检查验收,基底持力层符合勘察设计要求,根据报告地基土质对基础有微腐蚀性。二、 监理工作依据(一)国家和地方法规1.中华人民共和国建筑法2.中华人民共和国安全生产法3.相关的建筑施工法律规范4.建设工程监理法律规范 GB50319-20005.建筑工程施工质量验收统一标准 GB50300-20016.房屋建筑工程和市政基础设施工程实行见证取样和送检的规定—建设部 建建【2000】211 号7.实施工程建设强制性标准监督规定—建设部令第 81 号8.建设工程质量管理条例—国务院令第 279 号9.新疆维吾尔自治区建设工程安全监督规定—新建建【2000】12 号10.房屋建筑工程施工旁站管理办法(试行)11.建设工程安全生产管理条例—国务院令第 393 号12.新疆维吾尔自治区建筑工程安全监理标准(试行)XJJ011-2025(二)本工程设计文件1.地质勘察报告(由建设单位提供)2.初步设计文件(由建设单位提供)3.经过审核签认的施工设计图纸(由建设单位提供)4.设计采纳的施工大样图(自备)5.设计变更通知6.施工图预算7.设计概算(三)本工程相关文件1.建设工程委托监理合同2.建设工程施工合同3.由建设单位签订的分包合同4.招标文件5.中标单位投标文件6.由建设单位签订的供货合同7.已审批的施工组织设计(方案)8.监理规划、监理实施细则9.安全监理规划、安全监理实施细则10.监理工程师手册三、项目监理部的机构组织四.项目监理机构人员...

1、当您付费下载文档后,您只拥有了使用权限,并不意味着购买了版权,文档只能用于自身使用,不得用于其他商业用途(如 [转卖]进行直接盈利或[编辑后售卖]进行间接盈利)。
2、本站所有内容均由合作方或网友上传,本站不对文档的完整性、权威性及其观点立场正确性做任何保证或承诺!文档内容仅供研究参考,付费前请自行鉴别。
3、如文档内容存在违规,或者侵犯商业秘密、侵犯著作权等,请点击“违规举报”。

碎片内容

G314库库项目房建工程建设监理规划

确认删除?
VIP
微信客服
  • 扫码咨询
会员Q群
  • 会员专属群点击这里加入QQ群
客服邮箱
回到顶部