电脑桌面
添加小米粒文库到电脑桌面
安装后可以在桌面快捷访问

IATF16949-12生产计划控制程序VIP专享

IATF16949-12生产计划控制程序_第1页
1/5
IATF16949-12生产计划控制程序_第2页
2/5
IATF16949-12生产计划控制程序_第3页
3/5
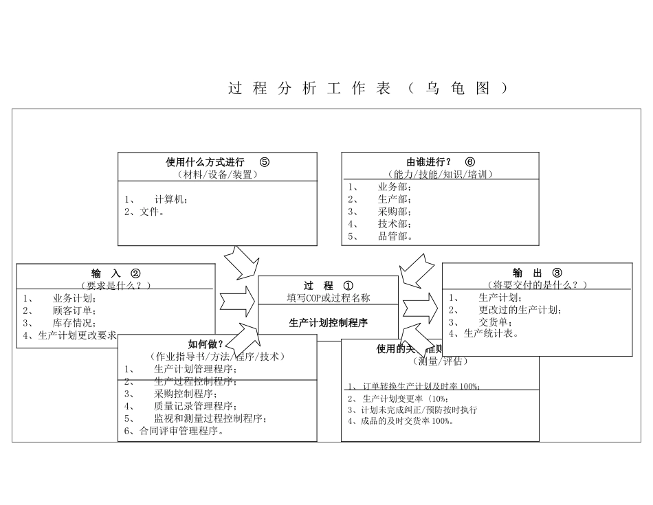
过 程 分 析 工 作 表 ( 乌 龟 图 ) 输 入 ②(要求是什么?)1、业务计划;2、顾客订单;3、库存情况;4、生产计划更改要求。、生产计划更改要求。过 程 ①填写COP或过程名称生产计划控制程序如何做? ④(作业指导书/方法/程序/技术)1、生产计划管理程序;2、生产过程控制程序;3、采购控制程序;4、质量记录管理程序;5、监视和测量过程控制程序;6、合同评审管理程序。使用的关键准则是什么? ⑦(测量/评估)1、 订单转换生产计划及时率 100%;2、 生产计划变更率〈10%;3、计划未完成纠正/预防按时执行4、成品的及时交货率 100%。使用什么方式进行 ⑤(材料/设备/装置)1、计算机;2、文件。输 出 ③(将要交付的是什么?)1、生产计划;2、更改过的生产计划;3、交货单;4、生产统计表。由谁进行? ⑥(能力/技能/知识/培训)1、业务部;2、生产部;3、采购部;4、技术部;5、品管部。1目的规定生产计划的作业方法,为使本公司接受订单后,产品得以准时送到客户手中。2范围凡本公司产品的生产过程安排均适用。3定义 无4职责4.1生产部生管课负责生产计划的编制与实施,对生产作业进行监控及调度。4.2各相关的生产部门负责按计划安排生产并报告。5程序内容5.1 业务部接单后,应向生产部下达生产指令《生产指示单》,品管、技术、生管对《生产指示单》上所要求的事项给予确认。5.2 如新客户新产品的定单,生产技术部应及时提供定单所需的图面,采购打样并由品管和技术部门确认。填写《样品确认单》,在正式生产前发放正式的工艺法律规范。5.3 生管课接《生产指示单》后,应根据成品仓库的库存情况及最低库存量,以及定单的交期,安排《铸造、CNC、涂装生产计划》,铸造不良率应根据月部门产品质量统计表和量产说明会为依据,并应业务需求制定各客户安全库存量,①当库存量低于安全库存量时:铸造数量=[定单数量+(最低库存-实际库存)÷合格率],②当库存量高于安全库存量时: 铸造数量=[定单数量-(实际库存-最低库存)÷合格率],③当业务无需安全库存量时: 铸造数量=(定单数量-实际库存)÷合格率),并每月底盘点安全库存量,核对是否满足要求数量。5.4 对《生产指示单》上客户所需的外协件,生管课应根据库存的情况填写《请购单》,报厂长批准后采购。生管课根据请购单及产品交期跟催采购,以确保外购件。5.5 生产过程中如发现不能按时完成,生管课应及时与业务联系,由业务与客户联系协调...

1、当您付费下载文档后,您只拥有了使用权限,并不意味着购买了版权,文档只能用于自身使用,不得用于其他商业用途(如 [转卖]进行直接盈利或[编辑后售卖]进行间接盈利)。
2、本站所有内容均由合作方或网友上传,本站不对文档的完整性、权威性及其观点立场正确性做任何保证或承诺!文档内容仅供研究参考,付费前请自行鉴别。
3、如文档内容存在违规,或者侵犯商业秘密、侵犯著作权等,请点击“违规举报”。

碎片内容

IATF16949-12生产计划控制程序

确认删除?
VIP
微信客服
  • 扫码咨询
会员Q群
  • 会员专属群点击这里加入QQ群
客服邮箱
回到顶部