电脑桌面
添加小米粒文库到电脑桌面
安装后可以在桌面快捷访问

lzf2j系列再燃连续式多层悬浮燃烧焚烧系统

lzf2j系列再燃连续式多层悬浮燃烧焚烧系统_第1页
1/3
lzf2j系列再燃连续式多层悬浮燃烧焚烧系统_第2页
2/3
lzf2j系列再燃连续式多层悬浮燃烧焚烧系统_第3页
3/3
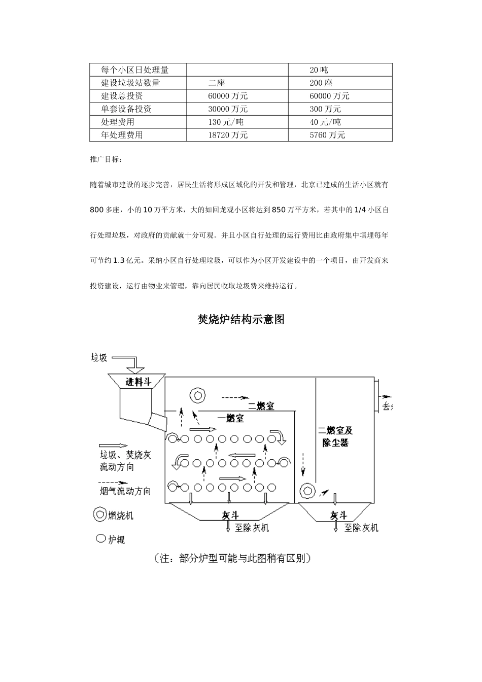
LZF2J 系列再燃连续式多层悬浮燃烧焚烧系统 LZF2J 系列垃圾焚烧处理系统主要针对生活小区的特点设计,满足小区生活垃圾就地焚烧处理的需要,烟气排放达到国家环保要求,从根本上解决了垃圾清运难、清运中造成遗洒和污染的问题;同时回收纸板、金属、玻璃及热能,提高垃圾资源化水平。首例产品在建设部首家绿色生态小区-北京良乡北潞春绿色生态小区使用。特点:·技术先进-本系列焚烧炉是在吸取国外先进技术的基础上,结合中国国情研制成功的,已取得五项中华人民共和国有用新型专利。·排放达标-悬浮燃烧理论、化学当量燃烧理论、二次燃烧"3T"理论的应用,使垃圾处理更彻底,烟气排放达到国家环保要求。·焚烧彻底-焚烧炉内多点强制供风,有机物去除达到 99%。·自动化监控-炉压自动监测火焰燃烧状况屏幕监视。·安全可靠-设有防爆减压装置,焚烧炉内和操作间内为负压,臭味和烟气不会外溢。·节约燃料-悬浮燃烧理论的应用,达到以垃圾烧垃圾的目的。·占地最小-多层炉排呈高度方向排列,节约占地。·坚固耐用-炉衬采纳质密高强不定型耐火混凝土多锚固复合整体浇注而成,强度高、密封性好、不龟裂、不坍塌,使用寿命长。成本分析: 垃圾由政府集中处理与小区自行处理的投资及费用比较 项 目 政府处理(填埋) 小区处理(焚烧) 日处理量 4000 吨 4000 吨 每个小区日处理量 20 吨 建设垃圾站数量 二座 200 座 建设总投资 60000 万元 60000 万元 单套设备投资 30000 万元 300 万元 处理费用 130 元/吨 40 元/吨 年处理费用 18720 万元 5760 万元 推广目标:随着城市建设的逐步完善,居民生活将形成区域化的开发和管理,北京已建成的生活小区就有800 多座,小的 10 万平方米,大的如回龙观小区将达到 850 万平方米,若其中的 1/4 小区自行处理垃圾,对政府的贡献就十分可观。并且小区自行处理的运行费用比由政府集中填埋每年可节约 1.3 亿元。采纳小区自行处理垃圾,可以作为小区开发建设中的一个项目,由开发商来投资建设,运行由物业来管理,靠向居民收取垃圾费来维持运行。 焚烧炉结构示意图

1、当您付费下载文档后,您只拥有了使用权限,并不意味着购买了版权,文档只能用于自身使用,不得用于其他商业用途(如 [转卖]进行直接盈利或[编辑后售卖]进行间接盈利)。
2、本站所有内容均由合作方或网友上传,本站不对文档的完整性、权威性及其观点立场正确性做任何保证或承诺!文档内容仅供研究参考,付费前请自行鉴别。
3、如文档内容存在违规,或者侵犯商业秘密、侵犯著作权等,请点击“违规举报”。

碎片内容

lzf2j系列再燃连续式多层悬浮燃烧焚烧系统

您可能关注的文档

确认删除?
VIP
微信客服
  • 扫码咨询
会员Q群
  • 会员专属群点击这里加入QQ群
客服邮箱
回到顶部