电脑桌面
添加小米粒文库到电脑桌面
安装后可以在桌面快捷访问

XXX大桥承台及扩大基础施工方案

XXX大桥承台及扩大基础施工方案_第1页
1/23
XXX大桥承台及扩大基础施工方案_第2页
2/23
XXX大桥承台及扩大基础施工方案_第3页
3/23
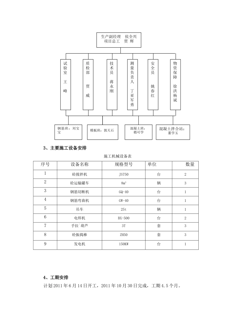
第一章 编制说明一、编制依据1、三门峡至淅川高速公路灵宝至卢氏段土建工程施工招标文件。2、三门峡至淅川高速公路灵宝至卢氏段公路工程两阶段施工图设计。3、《公路桥涵施工技术法律规范》(JTJ 041-2000),《公路工程质量检验评定标准》(土建工程)(JTG F80/1-2025)及其他国家现行标准、法律规范和规程。4、业主、监理下达的相关要求。二、编制原则1、遵守设计文件、招标文件,严格根据各相关施工和设计法律规范、验收标准中各项规定进行编制。2、工期安排根据业主对总工期和对本合同段完工时间的要求,考虑雨季对施工生产的影响。各个单项工程以服从合同段整体施工安排为前提,均衡展开施工,用最节约的投入达到最佳的工期、质量效果,保证合同段整体工期、质量、安全、效益等目标的全面实现。3、施工计划主抓关键工序,组织平行作业、流水作业,科学安排交叉作业,强调专业间的协同配合,避开窝工,杜绝返工,循序渐进,均衡生产。4、积极引进、采纳新技术、新工艺、新材料、新设备,在确保工程质量的前提下,提高效率、压缩工期,降低工程成本。第二章 工程概况及施工安排一、工程概况三淅高速公路灵宝至卢氏段 TJ05 标起点 ZK30+630,终点 ZK39+510,全长8.88km。马家山大桥左线中心中号为 ZK38+180,上部采纳 8×40m 预制预应力混凝土 T 梁,先简支后连续;右线桥中心桩号 YK38+182,上部构造采纳 9×40m 预制预应力混凝土 T 梁,先简支后连续;下部采纳双柱式桥墩、桩基础,左右幅0#桥台采纳肋板台配桩基础,左幅 8#、右幅 9#桥台采纳重力式桥台配扩大基础。全 桥 共 计 扩 大 基 础 2 个 、 承 台 2 个 。 左 右 幅 0# 台 承 台 尺 寸950cm×625cm×200cm,为“井”字型承台,为钢筋砼结构,主要工程量为二级钢 筋 共 14524kg,C30 混 凝 土 161.2m³; 左 幅 8# 台 扩 大 基 础 下 层 尺 寸1550cm×600cm×100cm,上层尺寸 1400cm×450cm×119(平均值)cm,C25 砼139m3; 右 幅 9# 台 扩 大 基 础 下 层 尺 寸 1550cm×600cm×100cm, 上 层 尺 寸1400cm×450cm×119(平均值)cm,C25 砼 139m3。墩台号类型数量砼标号断面尺寸长×宽×高(m)钢筋(kg)砼(m³)左 0#台承台1C309.5×6.25×2.0726780.6右 0#台承台1C309.5×6.25×2.0726780.6左 8#台扩大基础1C25下层 15.5×6.0×1.0上层14.0×4.5×1.19139右 9#台扩大基础1C25下层 15.5×6.0×1.0上...

1、当您付费下载文档后,您只拥有了使用权限,并不意味着购买了版权,文档只能用于自身使用,不得用于其他商业用途(如 [转卖]进行直接盈利或[编辑后售卖]进行间接盈利)。
2、本站所有内容均由合作方或网友上传,本站不对文档的完整性、权威性及其观点立场正确性做任何保证或承诺!文档内容仅供研究参考,付费前请自行鉴别。
3、如文档内容存在违规,或者侵犯商业秘密、侵犯著作权等,请点击“违规举报”。

碎片内容

XXX大桥承台及扩大基础施工方案

确认删除?
VIP
微信客服
  • 扫码咨询
会员Q群
  • 会员专属群点击这里加入QQ群
客服邮箱
回到顶部