电脑桌面
添加小米粒文库到电脑桌面
安装后可以在桌面快捷访问

中国移动基站铁塔工程竣工资料模版

中国移动基站铁塔工程竣工资料模版_第1页
1/23
中国移动基站铁塔工程竣工资料模版_第2页
2/23
中国移动基站铁塔工程竣工资料模版_第3页
3/23
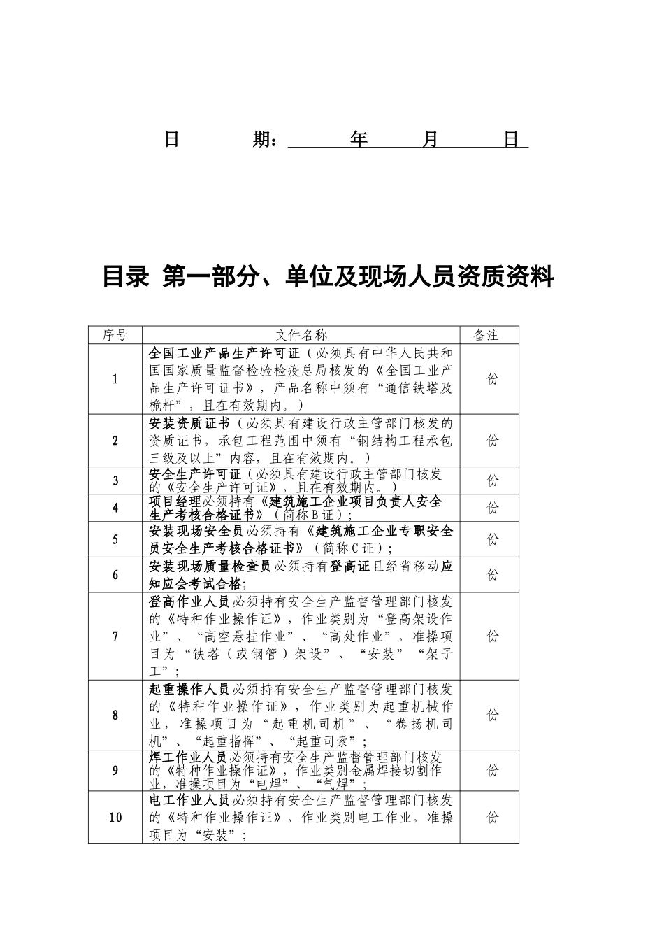
中国移动通信集团江苏有限公司通信基站建设工程×××基站铁塔工程竣工资料工程名称: XXXX 基站铁塔工程 资管系统铁塔名称: 建设单位:中国移动通信集团江苏有限公司 XX 分公司 监理单位: 设计单位: 施工单位: 序 列 号: 日 期: 年 月 日 目录 第一部分、单位及现场人员资质资料序号文件名称 备注1全国工业产品生产许可证(必须具有中华人民共和国国家质量监督检验检疫总局核发的《全国工业产品生产许可证书》,产品名称中须有“通信铁塔及桅杆”,且在有效期内。) 份2安装资质证书(必须具有建设行政主管部门核发的资质证书,承包工程范围中须有“钢结构工程承包三级及以上”内容,且在有效期内。) 份3安全生产许可证(必须具有建设行政主管部门核发的《安全生产许可证》,且在有效期内。) 份4项目经理必须持有《建筑施工企业项目负责人安全生产考核合格证书》(简称 B 证); 份5安装现场安全员必须持有《建筑施工企业专职安全员安全生产考核合格证书》(简称 C 证); 份6安装现场质量检查员必须持有登高证且经省移动应知应会考试合格; 份7登高作业人员必须持有安全生产监督管理部门核发的《特种作业操作证》,作业类别为“登高架设作业”、“高空悬挂作业”、“高处作业”,准操项目为“铁塔(或钢管)架设”、“安装”“架子工”; 份8起重操作人员必须持有安全生产监督管理部门核发的《特种作业操作证》,作业类别为起重机械作业 ,准操项目为“ 起重机司机 ”、“ 卷扬机司机”、“起重指挥”、“起重司索”; 份9焊工作业人员必须持有安全生产监督管理部门核发的《特种作业操作证》,作业类别金属焊接切割作业,准操项目为“电焊”、“气焊”; 份10电工作业人员必须持有安全生产监督管理部门核发的《特种作业操作证》,作业类别电工作业,准操项目为“安装”; 份11铁塔安装作业人员必须全部购买人身意外损害保险。所提供的证件必须真实且与现场人员及身份证相符 份以上内容可为复印件,请按序装订。目录 第二部分、铁塔材料质量保证资料工程名称序号材料名称品牌钢材出厂检测报告钢材抽样复试报告备注1塔段主材 份 份塔段主材复试需委托钢材检测资质的第三方检测并出复试报告2塔段大斜撑 份 份3节点法兰盘 份 份4节点加劲肋 份 份5紧固件(所有螺母和螺栓) 份份8.8 级及以上高强螺栓应对抗拉强度、屈服强度、延伸率进行抽样6地脚螺栓 份 份7电焊条 份 份8其他材料---...

1、当您付费下载文档后,您只拥有了使用权限,并不意味着购买了版权,文档只能用于自身使用,不得用于其他商业用途(如 [转卖]进行直接盈利或[编辑后售卖]进行间接盈利)。
2、本站所有内容均由合作方或网友上传,本站不对文档的完整性、权威性及其观点立场正确性做任何保证或承诺!文档内容仅供研究参考,付费前请自行鉴别。
3、如文档内容存在违规,或者侵犯商业秘密、侵犯著作权等,请点击“违规举报”。

碎片内容

中国移动基站铁塔工程竣工资料模版

您可能关注的文档

确认删除?
VIP
微信客服
  • 扫码咨询
会员Q群
  • 会员专属群点击这里加入QQ群
客服邮箱
回到顶部