电脑桌面
添加小米粒文库到电脑桌面
安装后可以在桌面快捷访问

人民路贯通工程排水工程施工组织设计方案

人民路贯通工程排水工程施工组织设计方案_第1页
1/13
人民路贯通工程排水工程施工组织设计方案_第2页
2/13
人民路贯通工程排水工程施工组织设计方案_第3页
3/13
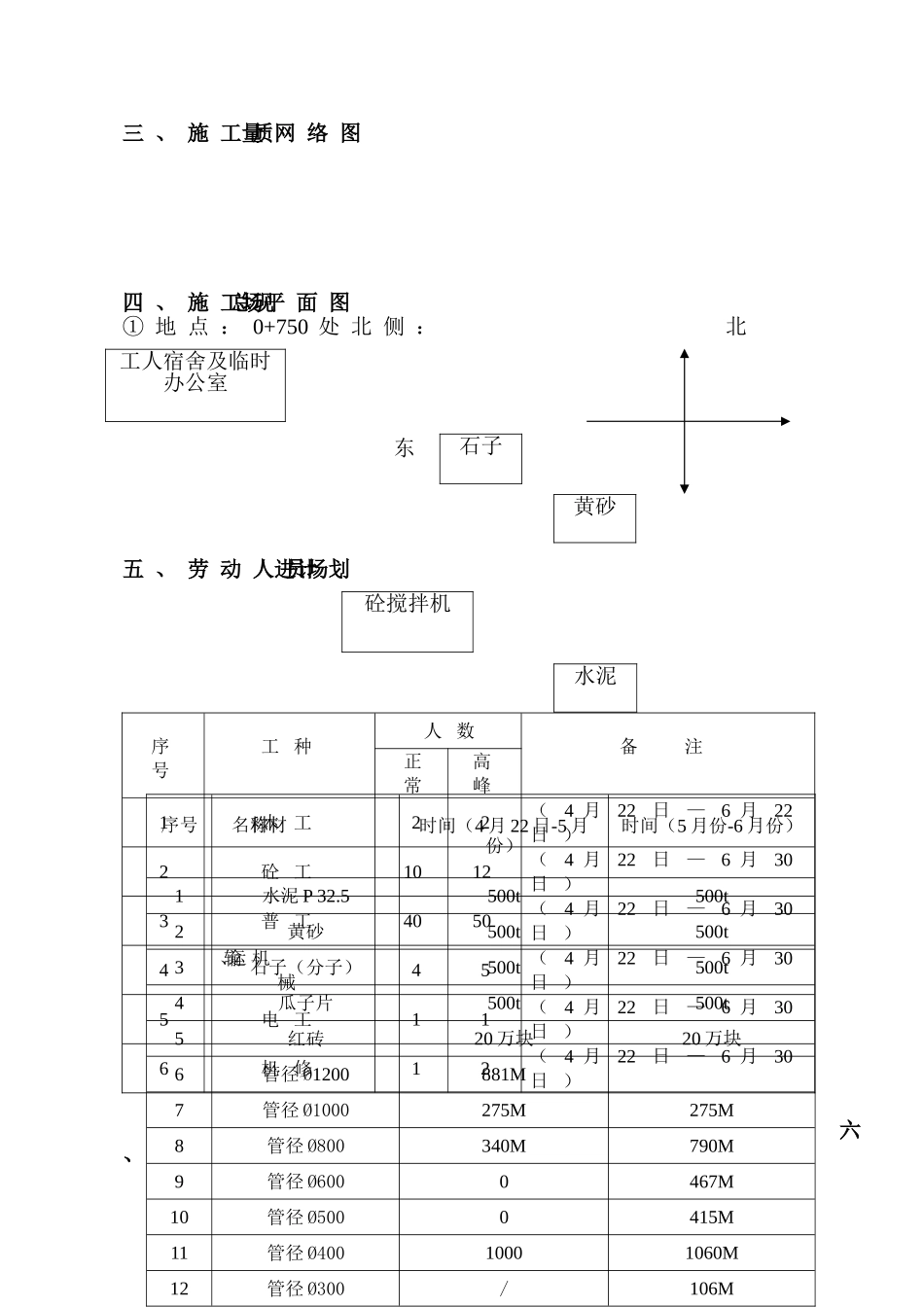
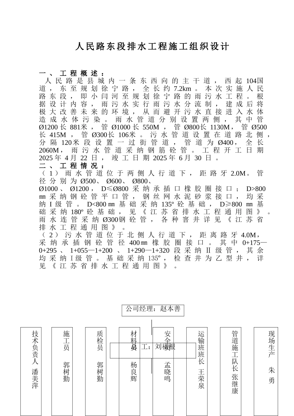
人 民 路 东 段 排 水 工 程 施 工 组 织 设 计一 、 工 程 概 述 : 人 民 路 是 县 城 内 一 条 东 西 向 的 主 干 道 , 西 起 104国道 , 东 至 规 划 徐 宁 路 , 全 长 约 7.2km 。 本 次 实 施 人 民路 东 段 , 即 小 闫 河 至 规 划 徐 宁 路 的 雨 污 水 工 程 。 根据 设 计 内 容 , 雨 污 水 实 行 雨 污 水 分 流 制 , 建 成 后 将极 大 改 善 未 来 的 环 境 , 从 而 避 开 污 水 直 接 进 入 水 体造 成 水 体 污 染 。 雨 水 管 道 分 别 设 置 两 侧 , 其 中 管Ø1200 长 881米 , 管 Ø1000 长 550M , 管 Ø800长 1130M, 管 Ø500长 415M , 管 Ø300长 106米 。 污 水 管 道 设 置 在 道 路 北 侧 ,分 隔 120米 段 设 置 一 过 街 管 道 , 管 道 为 Ø400, 全 长2060M , 雨 污 水 管 道 采 纳 钢 筋 砼 管 。 工 程 开 工 日 期2025 年 4 月 22 日 , 竣 工 日 期 2025 年 6 月 30 日 。二 、 工 程 情 况 :( 1 ) 雨 水 管 道 位 于 两 侧 人 行 道 下 , 距 路 牙 2.0M。 管径 分 别 为 Ø500、 Ø600、 Ø800、Ø1000 、 Ø1200 , D≤Ø800 采 纳 承 插 口 橡 胶 圈 接 口 ; D>800㎜ 采 纳 钢 砼 管 平 口 管 , 钢 丝 网 水 泥 砂 浆 接 口 , 均 采纳 І 级 管 。 D<800 ㎜ 基 础 采 纳 135º 砼 基 础 , D≥800 ㎜ 基础 采 纳 180º 砼 基 础 , 见 《 江 苏 省 排 水 工 程 通 用 图 》 。雨 水 连 管 采 纳 Ø300钢 砼 管 , 各 种 窨 井 详 见 《 江 苏 省排 水 工 程 通 用 图 》 。( 2 ) 污 水 管 道 位 于 北 侧 人 行 道 下 , 距 离 路 牙 4.0M,采 纳 承 插 钢 砼 管 径 400㎜ 橡 胶 圈 接 口 。 其 中 0+175—0+295 、 1+055—1+200 、 1+290—1+320 段 采 纳 Ⅱ 级 管 , 其 余均 采 纳 I 级 管 。 基 础 采 纳 135º , 检 查 井 为 乙 型 井 , 详见 《 江 苏 省 排 水 工 程 通 用 图 》 。公司经理:赵本善...

1、当您付费下载文档后,您只拥有了使用权限,并不意味着购买了版权,文档只能用于自身使用,不得用于其他商业用途(如 [转卖]进行直接盈利或[编辑后售卖]进行间接盈利)。
2、本站所有内容均由合作方或网友上传,本站不对文档的完整性、权威性及其观点立场正确性做任何保证或承诺!文档内容仅供研究参考,付费前请自行鉴别。
3、如文档内容存在违规,或者侵犯商业秘密、侵犯著作权等,请点击“违规举报”。

碎片内容

人民路贯通工程排水工程施工组织设计方案

您可能关注的文档

确认删除?
VIP
微信客服
  • 扫码咨询
会员Q群
  • 会员专属群点击这里加入QQ群
客服邮箱
回到顶部