电脑桌面
添加小米粒文库到电脑桌面
安装后可以在桌面快捷访问

压力管道水压试验实训指导书

压力管道水压试验实训指导书_第1页
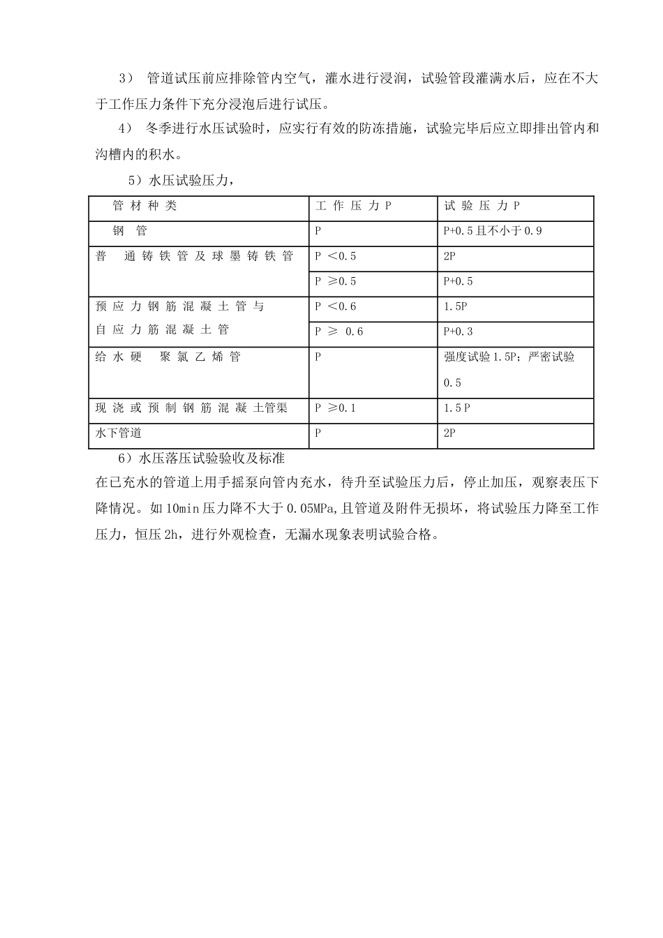
1/2
压力管道水压试验实训指导书_第2页
2/2
某水利水电职业技术学院压力管道水压试验实训指导书验收压力管道时必须对管道、接口、阀门、配件、伸缩器及其他附属构筑物认真进行外观检查;复测管道的纵断面;并按设计要求检查管道的放气和排水条件。管道验收还应对管道的强度和严密性进行试验。1、了解管道压力试验的一般规定1 应符合现行国家标准《给排水管道工程施工及验收法律规范》规定。2 压力管道应用水进行压力试验。地下钢管或铸铁管,在冬季或缺水情况下,可用空气进行压力试验,但均须有防护措施。3 压力管道的试验,应按下列规定进行。架空管道、明装管道及非掩蔽的管道应在外观检查合格后进行压力试验;地下管道必须在管基检查合格,管身两侧及其上部回填不小于 0.5m,接口部分尚敞露时,进行初次试压,全部回填土,完成该管段各项工作后进行末次试压。此外,铺设后必须立即全部回填土的管道,在回填前应认真对接口做外观检查,认真回填后进行一次试验;对于组装的有焊接接口的钢管,必要时可在沟边做预先试验,在下沟连接以后仍需进行压力试验。4 试压管段的长度不宜大于 Ikm,非金属管段不宜超过 500m。5 管端敞口,应事先用管堵或管帽堵严,并加临时支撑,不得用闸阀代替;管道中的固定支墩,试验时应达到设计强度;试验前应将该管段内的闸阀打开。6 当管道内有压力时,严禁修整管道缺陷和紧动螺栓,检查管道时不得用手锤敲打管壁和接口。7 给水管道在试验合格验收交接前,应进行一次通水冲洗和消毒,冲洗流量不应小于设计流量或流速不小于 1.5 m/s。冲洗应连续进行,当排水的色、透明度与入口处目测一致时,即为合格。生活饮用水管冲洗后用含 20~30mg/L 游离氯的水,灌洗消毒,含氯水留置 24h 以上。。2、管道水压试验过程1) 管道试压前管段两端要封以试压堵板,堵板应有足够的强度,试压过程中与管身接头处不能漏水。2)管道试压时应设试压后背,可用天然土壁作试压后背,也可用已安装好的管道作试压后背。3) 管道试压前应排除管内空气,灌水进行浸润,试验管段灌满水后,应在不大于工作压力条件下充分浸泡后进行试压。4) 冬季进行水压试验时,应实行有效的防冻措施,试验完毕后应立即排出管内和沟槽内的积水。 5)水压试验压力, 管 材 种 类 工 作 压 力 P 试 验 压 力 P 钢 管PP+0.5 且不小于 0.9 普 通 铸 铁 管 及 球 墨 铸 铁 管P <0.52PP ≥0.5P+0.5预 应 力 钢 筋 混 凝 土 管 与 自 应 力 ...

1、当您付费下载文档后,您只拥有了使用权限,并不意味着购买了版权,文档只能用于自身使用,不得用于其他商业用途(如 [转卖]进行直接盈利或[编辑后售卖]进行间接盈利)。
2、本站所有内容均由合作方或网友上传,本站不对文档的完整性、权威性及其观点立场正确性做任何保证或承诺!文档内容仅供研究参考,付费前请自行鉴别。
3、如文档内容存在违规,或者侵犯商业秘密、侵犯著作权等,请点击“违规举报”。

碎片内容

压力管道水压试验实训指导书

您可能关注的文档

确认删除?
VIP
微信客服
  • 扫码咨询
会员Q群
  • 会员专属群点击这里加入QQ群
客服邮箱
回到顶部