电脑桌面
添加小米粒文库到电脑桌面
安装后可以在桌面快捷访问

吉林省某浅埋、偏压隧道综合治理监控措施

吉林省某浅埋、偏压隧道综合治理监控措施_第1页
1/8
吉林省某浅埋、偏压隧道综合治理监控措施_第2页
2/8
吉林省某浅埋、偏压隧道综合治理监控措施_第3页
3/8
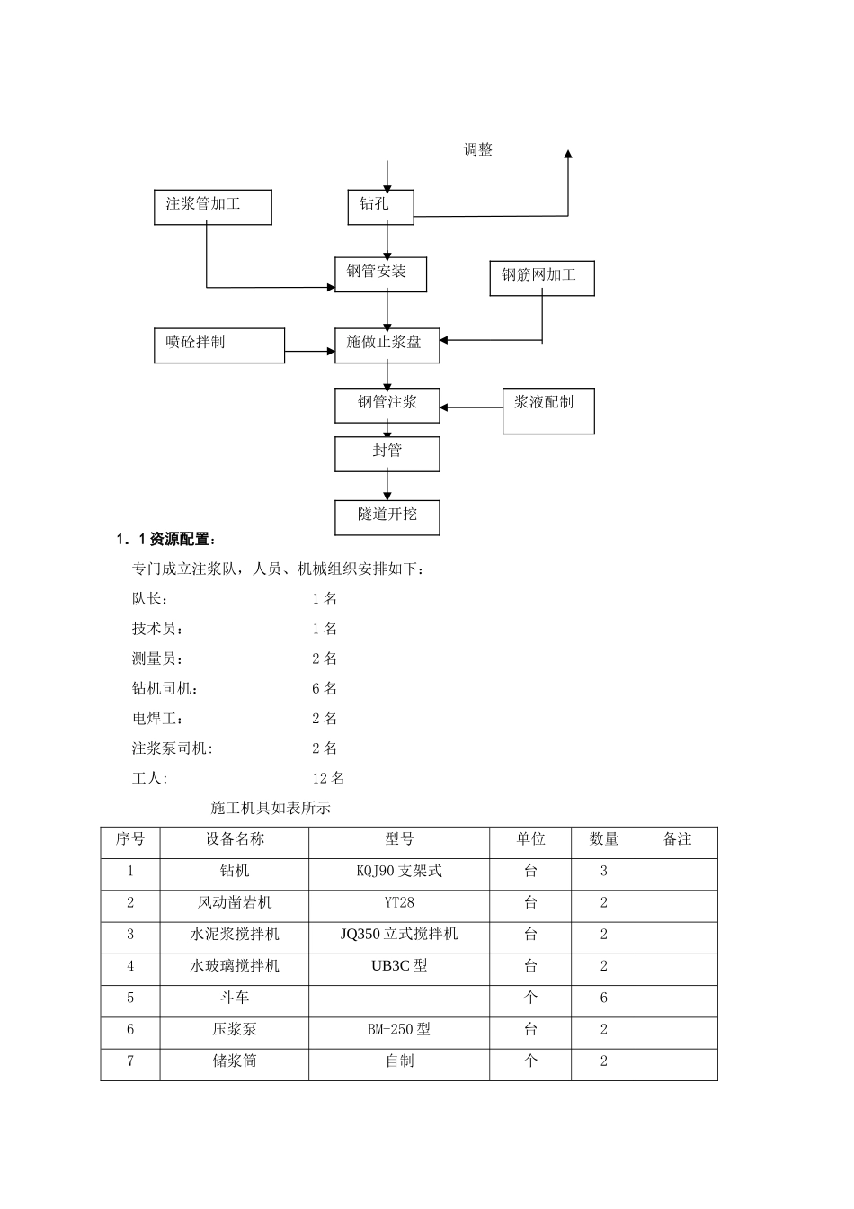
浅埋、偏压隧道综合治理监控措施摘 要:xx 隧道在施工之前, 就已被设计单位列为吉林省内工程地质最复杂的隧道。施工过程中,多次在施工现场召开现场会,修订补充设计,讨论具体施工方法。本文介绍了在这种特别复杂地质条件下,如何进行地表注浆、大管棚施工、超前小导管配合系统支护,准确把握岩土应力变化的情况下适时控制,合理释放。成功地实现了 xx 隧道进口偏压、浅埋段的开挖和支护,并在工艺上加以细化,总结出了该类围岩的施工方法,施工工艺,供相似施工行业借鉴和参考。关键词:浅埋、偏压、软弱围岩、地表注浆、大管棚、联合支护一、 工程概况及设计意图xx 公路沿江至 xx 段位于吉林省 xx 境内,路线起点位于沿江乡,终点 xx。其中我单位施工的 02 标段 K6+000~K11+000,全长 5 公里,其中 xx 隧道 K7+670~K9+576,长 1906 米。 沿线地质概况为新生代及第四系下更新统地质构造和中生界侏罗系、太古界地质构造,表层为1.5~4 米左右的碎石土、粘性土及土含石,其下为玄武岩及气孔状玄武岩、花岗岩以及风化程度不等的凝灰岩、流纹岩、片麻岩和角闪岩等。进口段山体较单薄,出露的基岩为侏罗系白水滩组碳质页岩,碳质泥岩夹砂层, 岩石很破裂,岩质极软弱,高差起伏大,近三百米埋深不足 30 米,并且严重偏压,最小埋深仅有 5 米,据野外钻孔和探坑详细勘察后,设计为 120 米明洞和 178 米浅埋 II 类,对 80 米浅埋偏压段暗洞地表施工采纳竖直锚管,注浆预加固。暗洞进洞开挖时先施工 Φ108 无缝钢管,配合以超前小导管注浆。洞内以间距 60㎝的工字钢架全环封闭,钢架接头处施工锁脚小导管控制围岩变形。二、 浅埋、偏压段综合施工方案1、地表预加固我单位在开挖前仔细批阅设计文件,并邀请设计单位及地质专家对本段地质进行讲解和分析,基本理解了该种地质的特性,确定了基本的施工方法。在施工前还从当地百姓那儿了解到在施工薄弱段曾有废弃煤窑通过,于是我们实行立足实际,根据设计意图对地表先进行了预加固(见图 1)。其施工工艺流程为: 清理地表定位检测测量定位钻机就位 调整 1.1 资源配置:专门成立注浆队,人员、机械组织安排如下:队长: 1 名技术员: 1 名测量员: 2 名钻机司机: 6 名电焊工: 2 名注浆泵司机: 2 名工人: 12 名 施工机具如表所示序号设备名称型号单位数量备注1钻机KQJ90 支架式台32风动凿岩机YT28台23水泥浆搅拌机JQ350 立式搅拌机台24水玻璃搅拌机UB3C ...

1、当您付费下载文档后,您只拥有了使用权限,并不意味着购买了版权,文档只能用于自身使用,不得用于其他商业用途(如 [转卖]进行直接盈利或[编辑后售卖]进行间接盈利)。
2、本站所有内容均由合作方或网友上传,本站不对文档的完整性、权威性及其观点立场正确性做任何保证或承诺!文档内容仅供研究参考,付费前请自行鉴别。
3、如文档内容存在违规,或者侵犯商业秘密、侵犯著作权等,请点击“违规举报”。

碎片内容

吉林省某浅埋、偏压隧道综合治理监控措施

您可能关注的文档

确认删除?
VIP
微信客服
  • 扫码咨询
会员Q群
  • 会员专属群点击这里加入QQ群
客服邮箱
回到顶部