电脑桌面
添加小米粒文库到电脑桌面
安装后可以在桌面快捷访问

型钢悬挑脚手架计算书悬挑1.3m

型钢悬挑脚手架计算书悬挑1.3m_第1页
1/12
型钢悬挑脚手架计算书悬挑1.3m_第2页
2/12
型钢悬挑脚手架计算书悬挑1.3m_第3页
3/12
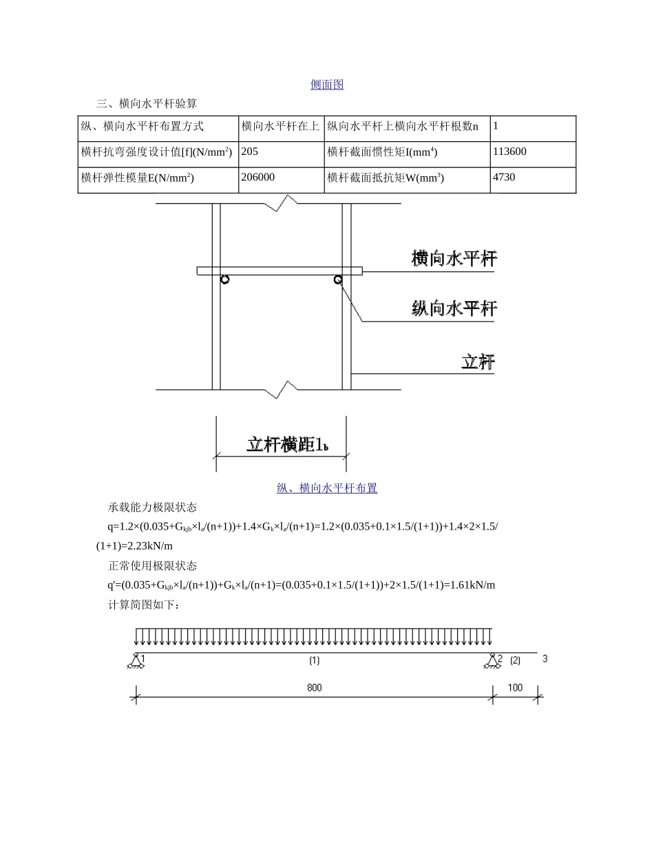
型钢悬挑脚手架计算书架体验算一、脚手架参数脚手架搭设方式双排脚手架脚手架钢管类型Ф48×3.2脚手架搭设高度H(m)19脚手架沿纵向搭设长度L(m)44.5立杆步距h(m)1.8立杆纵距或跨距la(m)1.5立杆横距lb(m)0.8横向水平杆计算外伸长度a1(m)0.1内立杆离建筑物距离a(m)0.3双立杆计算方法不设置双立杆二、荷载设计脚手板类型竹笆片脚手板脚手板自重标准值Gkjb(kN/m2)0.1脚手板铺设方式1步1设密目式安全立网自重标准值Gkmw(kN/m2)0.01挡脚板类型木挡脚板栏杆与挡脚板自重标准值Gkdb(kN/m)0.17挡脚板铺设方式1步1设每米立杆承受结构自重标准值gk(kN/m)0.125装修脚手架作业层数nzj2装修脚手架荷载标准值Gkzj(kN/m2)2地区浙江宁波市安全网设置全封闭基本风压ω0(kN/m2)0.3风荷载体型系数μs1.18风压高度变化系数μz(连墙件、单立杆稳定性)0.82,0.93风荷载标准值ωk(kN/m2)(连墙件、单立杆稳定性)0.29,0.33 计算简图:立面图侧面图三、横向水平杆验算纵、横向水平杆布置方式横向水平杆在上 纵向水平杆上横向水平杆根数n1横杆抗弯强度设计值[f](N/mm2)205横杆截面惯性矩I(mm4)113600横杆弹性模量E(N/mm2)206000横杆截面抵抗矩W(mm3)4730纵、横向水平杆布置 承载能力极限状态 q=1.2×(0.035+Gkjb×la/(n+1))+1.4×Gk×la/(n+1)=1.2×(0.035+0.1×1.5/(1+1))+1.4×2×1.5/(1+1)=2.23kN/m 正常使用极限状态 q'=(0.035+Gkjb×la/(n+1))+Gk×la/(n+1)=(0.035+0.1×1.5/(1+1))+2×1.5/(1+1)=1.61kN/m 计算简图如下: 1、抗弯验算 Mmax=max[qlb2/8,qa12/2]=max[2.23×0.82/8,2.23×0.12/2]=0.18kN·m σ=Mmax/W=0.18×106/4730=37.76N/mm2≤[f]=205N/mm2 满足要求! 2、挠度验算 νmax=max[5q'lb4/(384EI),q'a14/(8EI)]=max[5×1.61×8004/(384×206000×113600),1.61×1004/(8×206000×113600)]=0.367mm νmax=0.367mm≤[ν]=min[lb/150,10]=min[800/150,10]=5.33mm 满足要求! 3、支座反力计算 承载能力极限状态 Rmax=q(lb+a1)2/(2lb)=2.23×(0.8+0.1)2/(2×0.8)=1.13kN 正常使用极限状态 Rmax'=q'(lb+a1)2/(2lb)=1.61×(0.8+0.1)2/(2×0.8)=0.82kN四、纵向水平杆验算 承载能力极限状态 由上节可知F1=Rmax=1.13kN q=1.2×0.035=0.042kN/m 正常使用极限状态 由上节可知F1'=Rmax'=0.82kN q'=0.035kN/m 1、抗弯验算 计算简图如下: 弯矩图(kN·m) σ=Mmax/W=0.3×106/4730=64.14N/mm2≤[f]=205N/mm2 满足要求! 2、挠度验算...

1、当您付费下载文档后,您只拥有了使用权限,并不意味着购买了版权,文档只能用于自身使用,不得用于其他商业用途(如 [转卖]进行直接盈利或[编辑后售卖]进行间接盈利)。
2、本站所有内容均由合作方或网友上传,本站不对文档的完整性、权威性及其观点立场正确性做任何保证或承诺!文档内容仅供研究参考,付费前请自行鉴别。
3、如文档内容存在违规,或者侵犯商业秘密、侵犯著作权等,请点击“违规举报”。

碎片内容

型钢悬挑脚手架计算书悬挑1.3m

MY shop+ 关注
实名认证
内容提供者

欢迎挑选适合自己的材料。

相关文档

确认删除?
VIP
微信客服
  • 扫码咨询
会员Q群
  • 会员专属群点击这里加入QQ群
客服邮箱
回到顶部