电脑桌面
添加小米粒文库到电脑桌面
安装后可以在桌面快捷访问

大六角型高强度螺栓安装施工工艺

大六角型高强度螺栓安装施工工艺_第1页
1/11
大六角型高强度螺栓安装施工工艺_第2页
2/11
大六角型高强度螺栓安装施工工艺_第3页
3/11
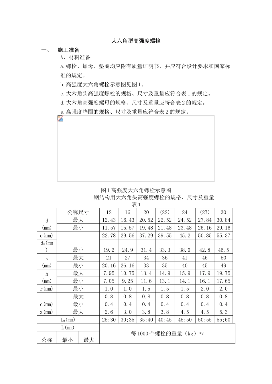
大六角型高强度螺栓一、 施工准备A、材料准备a.螺栓、螺母、垫圈均应附有质量证明书,并应符合设计要求和国家标准的规定。b.高强度大六角螺栓示意图见图 1。c.大六角头高强度螺栓的规格、尺寸及重量应符合表 1 的规定。d.大六角高强度螺母的规格、尺寸及重量应符合表 2 的规定。e.高强度垫圈的规格、尺寸及重量应符合表 2 的规定。图 1 高强度大六角螺栓示意图 钢结构用大六角头高强度螺栓的规格、尺寸及重量 表 1d(mm)公称尺寸121620(22)24(27)30最大12.4316.4320.5222.5224.5227.8430.84最小11.5715.5719.4821.4823.4826.1629.16e(mm)最小22.7829.5637.2939.5545.250.8555.37dw(mm)19.224.931.433.338.042.846.5s(mm)最大21273436414650最小20.1626.163335404549h(mm)最大7.9510.7513.414.915.917.919.75最小7.059.2511.613.114.116.117.65r(mm)最小1.01.01.51.51.52.02.0c(mm)最大0.80.80.80.80.80.80.8最小0.40.40.40.40.40.40.4z(mm)最大2.63.03.83.84.54.55.3L0(mm)25;3030;3535;4040;4545;5050;5555;60L(mm)每 1000 个螺栓的重量(kg)≈公称最小最大354033.7538.7536.2541.2549.454.24543.7546.2557.8113.05048.7551.2562.5121.3207.35553.556.567.3127.9220.3269.36058.561.572.1136.2233.3284.9357.326563.566.576.8144.5243.6300.5375.7503.27068.571.581.6152.8256.5313.2394.2527.1658.27573.576.586.3161.2269.5328.9407.1551.0687.58078.581.5169.5282.5344.5428.6570.2716.88583.2586.75177.8295.5360.1446.1594.1740.39088.2591.75186.1308.5375.8464.7617.9769.69593.2596.75194.4321.4391.4483.2641.8799.010098.25101.75202.8334.4407.0501.7665.7828.3110108.25111.75219.4360.4438.3538.8713.5886.9120118.25121.75236.1386.3469.6575.9761.3945.6 钢结构用大六角头高强度螺栓的规格、尺寸及重量 续表 1L0(mm)25;3030;3535;4040;4545;5050;5555;60L(mm)每 1000 个螺栓的重量(kg)≈公称最小最大130128132252.7412.3500.8612.9809.11004.2140138142438.3532.1650.0856.91062.8150148152464.2563.4687.1904.71121.5160156165490.2594.6724.2952.41180.1170166174625.9761.21000.21238.7180176184657.2798.31048.01297.4190186194688.4835.41095.81356.0200196204719.7872.41143.61414.7220216224782.2946.61239.21531.92402302441020.71334.71649.22602562641430.31766.5注:1.括号内的规格,尽可能不采纳...

1、当您付费下载文档后,您只拥有了使用权限,并不意味着购买了版权,文档只能用于自身使用,不得用于其他商业用途(如 [转卖]进行直接盈利或[编辑后售卖]进行间接盈利)。
2、本站所有内容均由合作方或网友上传,本站不对文档的完整性、权威性及其观点立场正确性做任何保证或承诺!文档内容仅供研究参考,付费前请自行鉴别。
3、如文档内容存在违规,或者侵犯商业秘密、侵犯著作权等,请点击“违规举报”。

碎片内容

大六角型高强度螺栓安装施工工艺

您可能关注的文档

确认删除?
VIP
微信客服
  • 扫码咨询
会员Q群
  • 会员专属群点击这里加入QQ群
客服邮箱
回到顶部