电脑桌面
添加小米粒文库到电脑桌面
安装后可以在桌面快捷访问

机场航站楼工程二次结构施工方案

机场航站楼工程二次结构施工方案_第1页
1/21
机场航站楼工程二次结构施工方案_第2页
2/21
机场航站楼工程二次结构施工方案_第3页
3/21
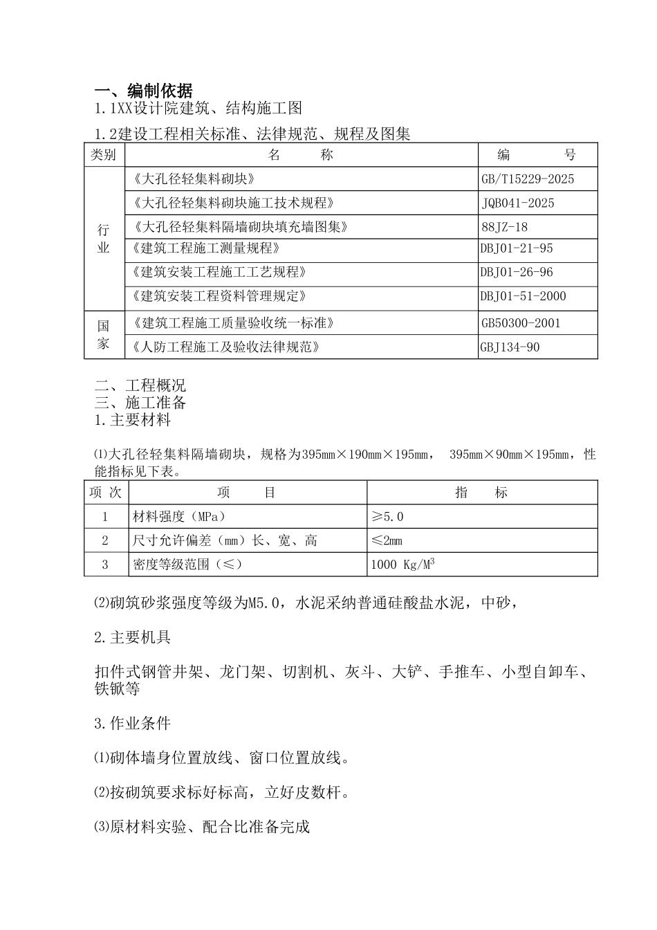
一、编制依据1.1XX设计院建筑、结构施工图1.2建设工程相关标准、法律规范、规程及图集类别名 称编 号行业《大孔径轻集料砌块》GB/T15229-2025《大孔径轻集料砌块施工技术规程》JQB041-2025《大孔径轻集料隔墙砌块填充墙图集》88JZ-18《建筑工程施工测量规程》DBJ01-21-95《建筑安装工程施工工艺规程》DBJ01-26-96《建筑安装工程资料管理规定》DBJ01-51-2000国家《建筑工程施工质量验收统一标准》GB50300-2001《人防工程施工及验收法律规范》GBJ134-90二、工程概况三、施工准备1.主要材料⑴大孔径轻集料隔墙砌块,规格为395mm×190mm×195mm, 395mm×90mm×195mm,性能指标见下表。项 次项 目指 标1材料强度(MPa)≥5.02尺寸允许偏差(mm)长、宽、高≤2mm3密度等级范围(≤)1000 Kg/M3⑵砌筑砂浆强度等级为M5.0,水泥采纳普通硅酸盐水泥,中砂,2.主要机具扣件式钢管井架、龙门架、切割机、灰斗、大铲、手推车、小型自卸车、铁锨等3.作业条件⑴砌体墙身位置放线、窗口位置放线。⑵按砌筑要求标好标高,立好皮数杆。⑶原材料实验、配合比准备完成4.垂直运输⑴ B区垂直运输全部采纳扣件式钢管六柱式井架,最大起重量为1000 Kg,横杆间距1300mm,四周设剪刀撑,且最底层剪刀撑应落地,搭设位置见附图。⑵ C区三处地上垂直运输采纳扣件式钢管八柱式两孔井架,最大起重量为1000 Kg/台,横杆间距1300mm,四周设剪刀撑,且最底层剪刀撑应落地,搭设位置见附图;地下垂直运输采纳小型翻斗车由汽车坡道运输到各指定作业面。⑶ C区二处地上垂直运输采纳两台MSS-100型龙门架,最大起重量为1000 Kg/台,搭设位置见附图;地下垂直运输采纳小型翻斗车由汽车坡道运输到各指定作业面。⑷ 由于B、C区屋面砌筑量少,各处在拆卸塔吊前将建筑材料运输各指定作业面。四、施工方法(一)砌筑工程1.工艺流程基层处理→墙体放线→制备砂浆→砌块排列→铺砂浆→砌块就位→校正→勒缝2.墙体放线砌体施工前,应将基础面或楼层结构面按标高找平,根据图纸放出砌体边线和门窗洞口线,并且立好皮数杆,弹出每皮砌体标高。3.砌体排列⑴砌块砌体在砌筑前,应根据工程设计施工图,结合砌块的品种、规格、绘制砌体砌块的排列图,经审核无误按排列砌块。⑵砌块排列应从楼地面排列,排列时尽可能采纳主规格的砌块,砌体中主规格砌块应占总量的75%~80%。⑶砌块排列上下皮应错缝搭砌,搭砌长度一般为砌块的1/2,不得小于砌块高的1/3,也应小于150mm,假如搭错缝长度满足...

1、当您付费下载文档后,您只拥有了使用权限,并不意味着购买了版权,文档只能用于自身使用,不得用于其他商业用途(如 [转卖]进行直接盈利或[编辑后售卖]进行间接盈利)。
2、本站所有内容均由合作方或网友上传,本站不对文档的完整性、权威性及其观点立场正确性做任何保证或承诺!文档内容仅供研究参考,付费前请自行鉴别。
3、如文档内容存在违规,或者侵犯商业秘密、侵犯著作权等,请点击“违规举报”。

碎片内容

机场航站楼工程二次结构施工方案

确认删除?
VIP
微信客服
  • 扫码咨询
会员Q群
  • 会员专属群点击这里加入QQ群
客服邮箱
回到顶部