电脑桌面
添加小米粒文库到电脑桌面
安装后可以在桌面快捷访问

某qtz150塔吊基础计算

某qtz150塔吊基础计算_第1页
1/4
某qtz150塔吊基础计算_第2页
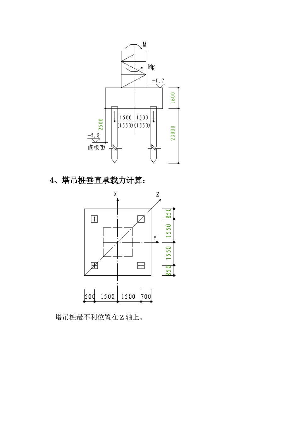
2/4
某qtz150塔吊基础计算_第3页
3/4
塔吊基础计算1、概况:***商贸大厦总建筑面积 15770M2,本工程室外地面到屋面的高度为 29.0M。本方案设置 1 台塔吊。在 15-16 轴 M、偏 AC 轴2.45M 处安装一台型号为 QTZ150 塔吊,臂长 55M,塔吊桩悬空4.25M,承台面标高为 1.0M。2、工程地质情况:场地土质自上而下依次为:① 杂填土 1.7M ② 粘土 4.6M③ 残积砂层粘土 9.5M ④ 残积砂层粘土 22M以第④层作为塔吊基础桩持力层。3、塔吊及基础参数:计算时以 QTZ150 塔吊基础设计。塔吊基础荷载一览表机型基础承受的最大荷载工作状况非工作状况P(KN)H(KN)MKN.m)MK(KN.m)P(KN)H(KN)M(KN.m)MK(KN.m)QTZ80A48.61.61115736.342.73.3875.60塔吊承台平面尺寸设定为 4000×4000,高度设定为 1500,承台砼强度待为 C30,垫层为 100 厚 C10 素砼。桩基采纳四根曾沉管灌注桩,预制桩规格为 Ø800,管桩长度为 28 米。 4、塔吊桩垂直承载力计算: 塔吊桩最不利位置在 Z 轴上。 塔吊承台自重 Q=4.0×4.0×1.5×25=600 (KN)塔吊工作状况 P=486KN M=1570KM.m塔吊工作单桩垂直受压力:N 工=1/2(Q+P)+M(2×1.5)=1/2(600+486)+1570/3=1066(KN)塔吊非工作单桩垂直受压力:N 非工=1/2(Q+P)+M(2×2. 157)=1/2(600+427)+756/3=765.5 (KN)所以塔吊垂直最大受压力为 1066KN。所以塔吊四边桩承台单桩承载力 N=1066KN。施工时桩力不应小于 1.8N=1.8×1066=1919KN而该塔吊桩设计压桩力≥2600KN,满足设计要求。塔吊桩拔力计算:N 拔=1/2(Q+P)-M/(2×2. 157)=1/2(600+427)-756/3=261.5(KN)向下满足抗拔要求。5、塔吊承台配筋:承台钢筋采纳Ⅱ级钢,砼采纳 C30。(1)验算桩顶抗冲切强度F1≤0.6ftumho式中:F1—荷载设计值或集中反力设计值。F t—距轴心抗拉强度设计值。um—距局部荷载或集中反力作用面积周边 h0/2 处的周长,如图示:h0—荷载的有效高度。0.6ftumho=0.6×1.5×3.14(2×750+500)/2×1400=3956(KN)F1=1405<0.6ftumho,所以承台桩顶抗冲切安全。 (2)验算抗剪切:V=0.07fcbho式中:fc—砼轴心抗压强度计值。b—截面宽度ho—荷载的有效高度。V=0.07fcbho=0.07×15×4316×1400=6342(KN)>1405(KN)所以承台抗剪安全(3)塔吊承台配筋计算:因四桩承台受弯矩值较小,承台配筋按配筋率 0.2%进行计算。承台配筋量=4800×1500×0.2%=14400(MM2)承台上下层钢筋采纳 Φ25,双向布置。30Φ25@160,配筋量为 14719MM2。 说明:由于施工现场狭窄 , FO/23B 塔吊拆除时须先拆除 12M 脚手架以保证塔吊顺利拆卸。

1、当您付费下载文档后,您只拥有了使用权限,并不意味着购买了版权,文档只能用于自身使用,不得用于其他商业用途(如 [转卖]进行直接盈利或[编辑后售卖]进行间接盈利)。
2、本站所有内容均由合作方或网友上传,本站不对文档的完整性、权威性及其观点立场正确性做任何保证或承诺!文档内容仅供研究参考,付费前请自行鉴别。
3、如文档内容存在违规,或者侵犯商业秘密、侵犯著作权等,请点击“违规举报”。

碎片内容

某qtz150塔吊基础计算

阳光书坊+ 关注
实名认证
内容提供者

阳光书坊,传播未来

确认删除?
VIP
微信客服
  • 扫码咨询
会员Q群
  • 会员专属群点击这里加入QQ群
客服邮箱
回到顶部