电脑桌面
添加小米粒文库到电脑桌面
安装后可以在桌面快捷访问

柴油发电机设备买卖合同

柴油发电机设备买卖合同_第1页
1/9
柴油发电机设备买卖合同_第2页
2/9
柴油发电机设备买卖合同_第3页
3/9
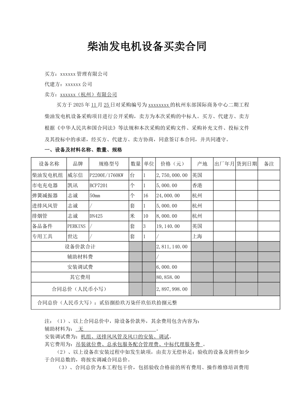
柴油发电机设备买卖合同买方:xxxxxx 管理有限公司代建方:xxxxxx 公司卖方:xxxxxx (杭州)有限公司 买方于 2025 年 11 月 25 日对采购编号为 xxxxxxxx 的杭州东部国际商务中心二期工程柴油发电机设备采购项目进行公开采购,卖方为本次采购的中标人。买方、代建方、卖方根据《中华人民共和国合同法》等法规和本次采购的采购文件、采购补充文件、投标文件及其投标中的承诺,经买方、代建方、卖方协商,同意签订本合同,并共同遵守。一、设备及材料名称、数量、规格设备名称品牌规格型号数量 单位价格(元)产地出厂年月 货到日期 备注柴油发电机组威尔信P2200E/1760KW台12,750,000.00英国市电充电器凯讯BCP7201个15,000.00香港弹簧减振器志诚50mm个1624,000.00杭州进排风风管志诚/套15,000.00杭州排烟管志诚DN425米108,000.00杭州备品备件PERKINS /套319,140.00英国专用工具世达/套1/上海设备价款合计2,811,140.00辅助材料费/安装调试费6,000.00其它费用80,858.00合同总价(人民币小写)2,897,998.00合同总价(人民币大写):贰佰捌拾玖万柒仟玖佰玖拾捌元整注:(1)、以上合同总价中,除设备价款外,其余费用包含内容为:辅助材料为: 无 。安装调试费为:机组、送排风风管及风口的安装、调试。其它费用为:吊装就位费、总承包服务配合管理费、中标代理服务费 。(2)、以上设备在安装过程中如发生缺项,由卖方无偿补足;验收的设备及附件如少于合同总数的,将按实调减合同总价。(3)、合同总价为本工程包干价,包括验收合格前的所有费用、操作维修培训费用及质保期内设备的维修保养费用等。二、卖方的工作范围和所提供的服务1.卖方须完成下列内容:标的设计、制造、运输、就位(包括二次吊装搬运)、安装、调试、验收、培训及售后服务、相关文件的提供、与采购文件技术规格书一致设备图表及资料、保证期内的维修等工作。2.本项目采购范围为柴油发电机设备及其伴随服务。3.提供的服务:卖方提供竣工验收通过后且试运行合格、采购人接受并使用之日后36 个月的免费维修保养服务以及质保期后长期有偿维修保养服务。三、合同总价1.本合同总价为人民币 贰佰捌拾玖万柒仟玖佰玖拾捌 元整(大写) ,人民币2,897,998.00 万元,以上合同总价为全部 设备 供货到施工场地 、安装调试完毕交付使用单 位使用及质保期满前 的全部费用 ( 包括设备制造、国内外运杂费、保险费、关税、增值税海关费、进口手续费、装卸、就...

1、当您付费下载文档后,您只拥有了使用权限,并不意味着购买了版权,文档只能用于自身使用,不得用于其他商业用途(如 [转卖]进行直接盈利或[编辑后售卖]进行间接盈利)。
2、本站所有内容均由合作方或网友上传,本站不对文档的完整性、权威性及其观点立场正确性做任何保证或承诺!文档内容仅供研究参考,付费前请自行鉴别。
3、如文档内容存在违规,或者侵犯商业秘密、侵犯著作权等,请点击“违规举报”。

碎片内容

柴油发电机设备买卖合同

您可能关注的文档

确认删除?
VIP
微信客服
  • 扫码咨询
会员Q群
  • 会员专属群点击这里加入QQ群
客服邮箱
回到顶部