电脑桌面
添加小米粒文库到电脑桌面
安装后可以在桌面快捷访问

框剪结构高层住宅小区工程项目策划书

框剪结构高层住宅小区工程项目策划书_第1页
1/37
框剪结构高层住宅小区工程项目策划书_第2页
2/37
框剪结构高层住宅小区工程项目策划书_第3页
3/37
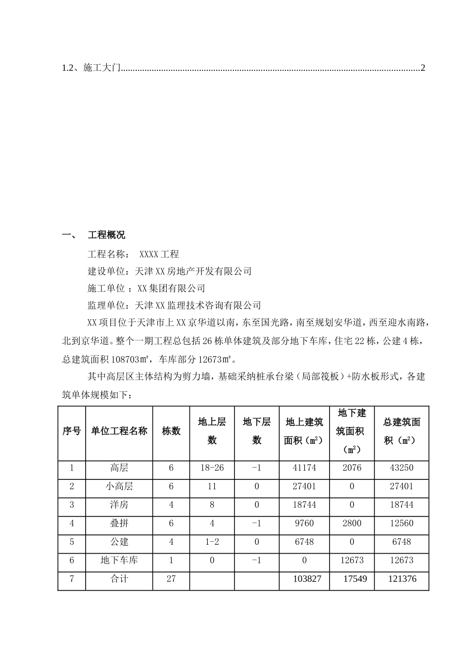
天津 XX 房地产开发有限公司 XXA1—1、A1—2 地块工程项目策划书 编 制 人: XX审 核 人: XX审 批 人: XX编制时间:2025.7.22XXXX 工程项目部目 录一、工程概况.........................................................................................................................2二、工程特点及难点.............................................................................................................2三、工程目标.........................................................................................................................2四、施工部署策划.......................................................................................................................24.1、施工区段划分......................................................................................................................24.2、流水段划分..........................................................................................................................2五、主要施工方法.......................................................................................................................25.1、模板施工..............................................................................................................................25.1.3、模板集中加工..............................................................................................................................25.2、钢筋工程..............................................................................................................................25.4、砼工程..................................................................................................................................25.4.1、混凝土浇筑方案...............................................................................................................25.3、脚手架方案..........................................................................................................................2悬挑屋数及材料用量..............................................

1、当您付费下载文档后,您只拥有了使用权限,并不意味着购买了版权,文档只能用于自身使用,不得用于其他商业用途(如 [转卖]进行直接盈利或[编辑后售卖]进行间接盈利)。
2、本站所有内容均由合作方或网友上传,本站不对文档的完整性、权威性及其观点立场正确性做任何保证或承诺!文档内容仅供研究参考,付费前请自行鉴别。
3、如文档内容存在违规,或者侵犯商业秘密、侵犯著作权等,请点击“违规举报”。

碎片内容

框剪结构高层住宅小区工程项目策划书

您可能关注的文档

一帆文传+ 关注
实名认证
内容提供者

欢迎光临店铺,各类公文供您挑选。

确认删除?
VIP
微信客服
  • 扫码咨询
会员Q群
  • 会员专属群点击这里加入QQ群
客服邮箱
回到顶部