电脑桌面
添加小米粒文库到电脑桌面
安装后可以在桌面快捷访问

框架结构一榀框架手算计算书

框架结构一榀框架手算计算书_第1页
1/47
框架结构一榀框架手算计算书_第2页
2/47
框架结构一榀框架手算计算书_第3页
3/47
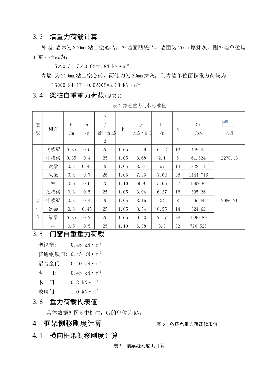
某培训中心综合楼计算书1 工程概况拟建 5 层培训中心 ,建筑面积 4500m2,拟建房屋所在地的设防参数,基本雪压S0=0.3kN·m2,基本风压 ω0=0.45kN·m2地面粗糙度为 B 类。2 结构布置及计算简图主体 5 层,首层高度 3.6m,标准层 3.3m,局部突出屋面的塔楼为电梯机房层高 3.0m,外墙填充墙采纳 300mm,空心砖砌筑,内墙为 200mm 的空心砖填充,屋面采纳 130mm,楼板采纳100mm 现浇混凝土板,梁高度按梁跨度的 1/12~1/8 估算,且梁的净跨与截面高度之比不宜小于 4,梁截面宽度可取梁高的 1/2~1/3,梁宽同时不宜小于 1/2 柱宽,且不应小于 250mm,柱截面尺寸可由 Ac≥ 确定本地区为四级抗震,所以,各层重力荷载近似值取 13kN·m-2,边柱及中柱负载面积分别为m2和m2.柱采纳 C35 的混凝土(fc=16.7N·mm 2,ft=1.57N·mm 2)第一层柱截面 边柱 AC=mm2 中柱 AC=mm2如取正方形,则边柱及中柱截面高度分别为 339mm 和 399mm。由上述计算结果并综合其它因素,本设计取值如下:1 层: 600mm×600mm; 2~5 层:500mm×500mm 表 1 梁截面尺寸(mm)及各层混凝土等级强度层次砼等级横梁(b×h)主梁(b×h)次梁(b×h)AB、CD 跨BC 跨1C35350×500350×400400×700300×4502~5C30300×500300×400350×700300×450基础选用桩基础。2~5 层柱高为 3.3m,底层柱高度从基础顶面取至一层底板,即。图 1 结构平面布置图图 2 建筑平面图图 3 剖面图 (a) 横向框架 (b)纵向框架图 4 框架结构计算简图3 重力荷载计算3.1 屋面及楼面的永久荷载标准值40mm 刚性防水细石砼内配 φ4@200 钢筋网 25×0.04=1.0 kN·m-220mm1:3 水泥砂浆找平层 20×0.02=0.4 kN·m-250mm 炉渣找坡 2% 12×0.05=0.6 kN·m-2三毡四油防水层 0.4 kN·m-2100mm 钢筋混凝土板 0.1×25=2.5 kN·m-2V 型轻钢龙骨吊顶 0.25 kN·m-2 合计 5.15 kN·m-2 1~5 层楼面:瓷砖地面 0.55 kN·m-2 60mm 浮石珍珠岩混凝土隔声层 5×0.06=0.3 kN·m-2 100mm 混凝土楼板 0.10×25=2.5 kN·m-2V 型轻钢龙骨吊顶 0.25 kN·m-2 合计 3.6 kN·m-23.2 屋面及楼面可变荷载标准值 上人屋面均布活荷载标准值 2.0 kN·m-2 楼面活荷载标准值 2.0 kN·m-2 电梯机房楼面活荷载标准值 7.0 kN·m-2 屋面雪荷载标准值 0.3 kN·m-23.3 墙重力荷载计算 外墙:墙体为 300mm 粘土空心砖,外墙面贴瓷砖。墙面为 20mm 厚抹灰,则外...

1、当您付费下载文档后,您只拥有了使用权限,并不意味着购买了版权,文档只能用于自身使用,不得用于其他商业用途(如 [转卖]进行直接盈利或[编辑后售卖]进行间接盈利)。
2、本站所有内容均由合作方或网友上传,本站不对文档的完整性、权威性及其观点立场正确性做任何保证或承诺!文档内容仅供研究参考,付费前请自行鉴别。
3、如文档内容存在违规,或者侵犯商业秘密、侵犯著作权等,请点击“违规举报”。

碎片内容

框架结构一榀框架手算计算书

雏圣文化+ 关注
实名认证
内容提供者

欢迎光临,大量办公文档供您挑选。

确认删除?
VIP
微信客服
  • 扫码咨询
会员Q群
  • 会员专属群点击这里加入QQ群
客服邮箱
回到顶部