电脑桌面
添加小米粒文库到电脑桌面
安装后可以在桌面快捷访问

海上嘉年华住宅项目化粪池及雨污水管线工程施组

海上嘉年华住宅项目化粪池及雨污水管线工程施组_第1页
1/37
海上嘉年华住宅项目化粪池及雨污水管线工程施组_第2页
2/37
海上嘉年华住宅项目化粪池及雨污水管线工程施组_第3页
3/37
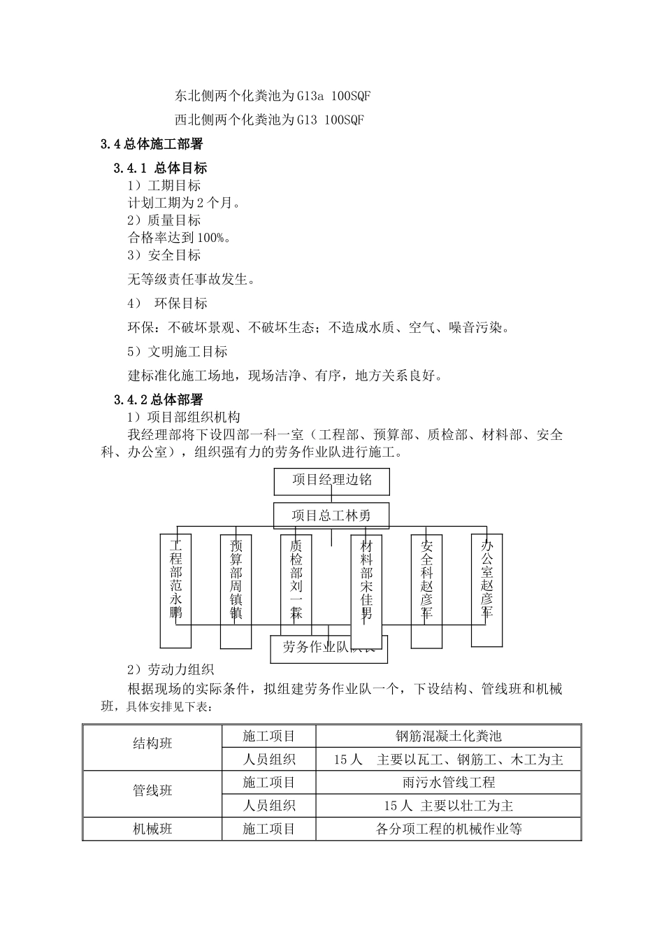
第一章 总体布置及规划一、编制依据1.1 《混凝土结构工程施工质量验收法律规范》1.2 《给排水构筑物施工及验收法律规范》1.3 《给水排水管道工程施工及验收法律规范(GB 50268-2025)》1.4 《给排水工程塑料检查井应用技术规程(J11764-2025)》1.5 《建筑给水排水及采暖工程施工质量验收法律规范( GB 50242-2025)》1.6 《钢筋混凝土化粪池图集(03S702)》1.7 《排水检查井(06MS201-3)》1.8 《给水排水工程施工技术规程与施工质量验收法律规范国家标准及新技术应用实施手册》1.9 青岛海上嘉年华住宅项目一期室外给排水设计变更施工图及相关变更图纸二、编制原则2.1 确保实现安全、质量目标以设计文件及有关法律规范为依据,紧密结合现场实际情况,编织技术先进、切实可行、经济合理的施工方案,配备性能优良、配套的施工设备,确保实现安全、质量目标,确保施工安全和质量优良。2.2 确保实现工期目标依据我们现有的技术水平、施工管理经验和设备配套能力,科学统筹安排施工进度,安排体现合理、高效、施工区段划分做到协调统一,均衡生产,以确保施工工期。2.3 确保实现环保目标严格执行国家相关法律、法规、保护环境、文物,争创文明施工场地。施工中实行周密有效的环境保护措施,合理占用场地,合理制定交通疏导方案,并注意搞好与当地政府及村民之间的关系,避开扰民事件的发生,使本工程成为文明施工的典范。三、工程概况3.1 项目概况 本工程为海上嘉年华(青岛)置业有限公司开发的海上嘉年华住宅项目的室外给排水管线工程。污水雨水及化粪池工程是海上嘉年华住宅区市政工程主要配套设施。本项目位于青岛市黄岛开发区。北临滨海大道。项目总规划用地12.6 万㎡,总建筑面积约为 34.35 万㎡。本次施工范围为本住宅项目的化粪池工程及雨污水管线工程。3.2 设计情况及施工顺序3.2.1 污水系统① 本工程采纳生活污水与雨水分流制管道系统,与城市排水系统相一致。② 本工程污水管道分东西两个片区排入滨海大道污水井,排入市政污水井前分别设置化粪池,化粪池清掏周期为 90 天。③ 地块南侧 30#~48#楼地势较低,污水管道埋深较大,不满足重力流排放至北侧滨海大道污水井的要求,故在 29#楼东侧集中设置小型提升泵站对 30#~48#楼的生活污水压力强排。④ 污水提排泵站的潜污泵靠电接点浮球开关自动控制,设置水位指示装置,超警戒水位报警,将信号引至物业管理中心;污水泵在任何情况下均应有不间断的动...

1、当您付费下载文档后,您只拥有了使用权限,并不意味着购买了版权,文档只能用于自身使用,不得用于其他商业用途(如 [转卖]进行直接盈利或[编辑后售卖]进行间接盈利)。
2、本站所有内容均由合作方或网友上传,本站不对文档的完整性、权威性及其观点立场正确性做任何保证或承诺!文档内容仅供研究参考,付费前请自行鉴别。
3、如文档内容存在违规,或者侵犯商业秘密、侵犯著作权等,请点击“违规举报”。

碎片内容

海上嘉年华住宅项目化粪池及雨污水管线工程施组

您可能关注的文档

确认删除?
VIP
微信客服
  • 扫码咨询
会员Q群
  • 会员专属群点击这里加入QQ群
客服邮箱
回到顶部