电脑桌面
添加小米粒文库到电脑桌面
安装后可以在桌面快捷访问

消防水池计算书

消防水池计算书_第1页
1/5
消防水池计算书_第2页
2/5
消防水池计算书_第3页
3/5
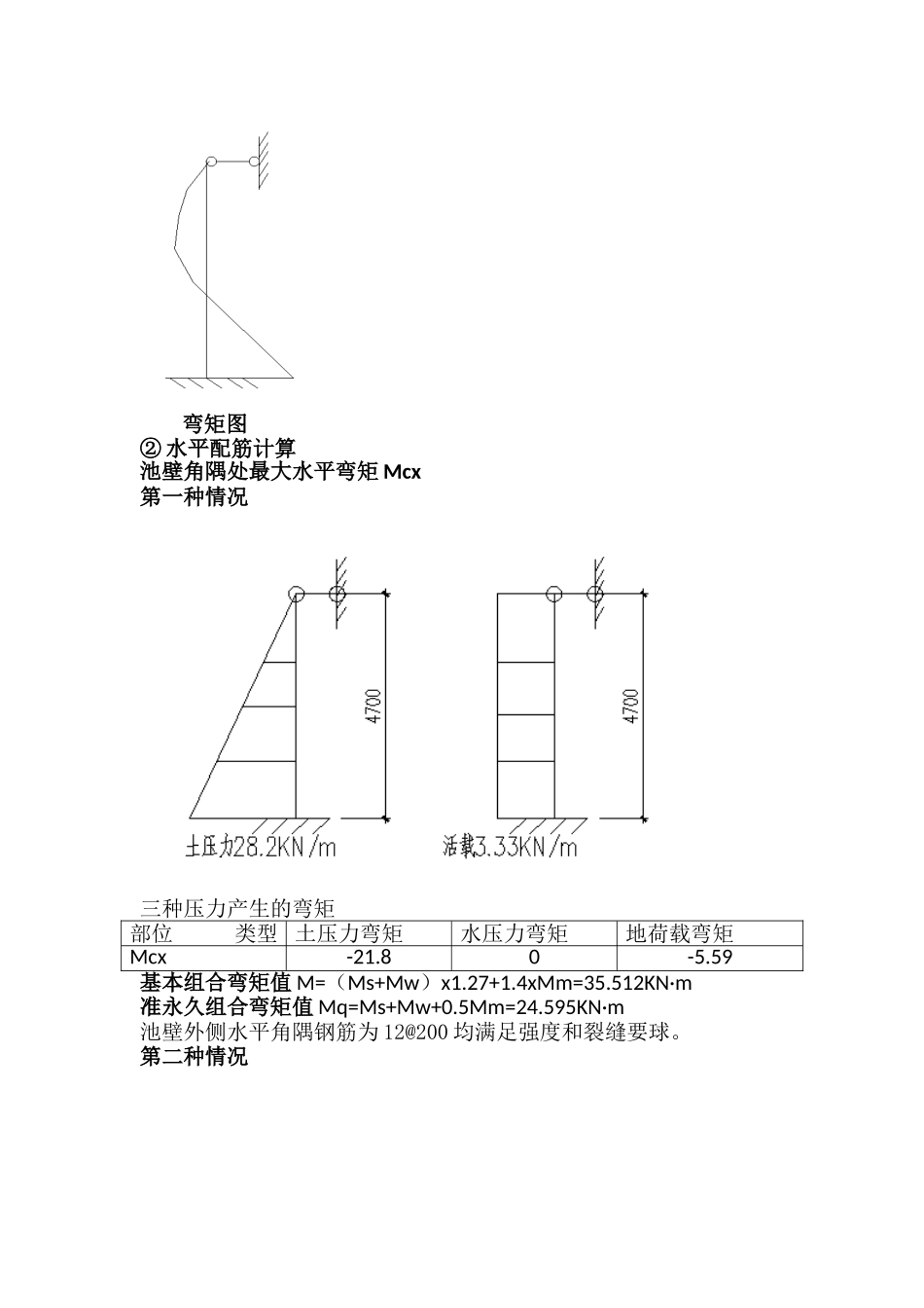
消防水池计算书(一) 处理池内没水时荷载1、池壁计算主动土压力系数 Ka 取 1/3土重度 r=18KN/m³ 无地下水 池壁 4.7m 深∵LB/HB=5.3>2 ∴按单向板计算主动土压力 q 土=rHKa=18x1/3x4.7=28.2KN/m地面荷载产生侧压力 q 活=10x1/3=3.33KN/m① 竖向配筋计算第一种情况三种压力产生的弯矩部位类型 土压力弯矩 Ms水压力弯矩 Mw地荷载弯矩 Mm下端支座-41.50-9.2跨中18.605.2支座基本组合弯矩值 M=(Ms+Mw)x1.27+1.4xMm=65.585KN·m支座准永久组合弯矩值 Mq=Ms+Mw+0.5Mm=46.1 KN·m跨中基本组合弯矩值 M=(Ms+Mw)x1.27+1.4xMm=30.9KN·m跨中准永久组合弯矩值 Mq=Ms+Mw+0.5Mm=21.2KN·m假设壁厚 h=250,混凝土强度 C30查表可知选筋12@100 的裂缝(0.25mm)和承载力弯矩分别为63.33KN·m、67.22KN·m,大于支座计算准永久弯矩 46.1 KN·m 和基本组合弯矩 65.585KN·m,满足要求。且配筋率 0.452%,合适。所以内外钢筋选配12@100 As=1131mm²/m弯矩图 第二种情况水压力 q 水=rh=10x4.7=47KN/m两种压力产生的弯矩部位类型 土压力弯矩 Ms水压力弯矩 Mw下端支座-41.5-69.22跨中18.630.94支座基本组合弯矩值 M=1.27Mw-Ms=46.4KN*m支座准永久组合弯矩值 Mq=Mw-Ms=27.72KN*m跨中基本组合弯矩值 M=1.27Mw-Ms=20.69N*m跨中准永久组合弯矩值 Mq=Mw-Ms=12.34KN*m池壁内侧、外侧为 12@100 均满足强度和裂缝要球。弯矩图② 水平配筋计算池壁角隅处最大水平弯矩 Mcx第一种情况三种压力产生的弯矩部位 类型 土压力弯矩水压力弯矩地荷载弯矩Mcx-21.80-5.59基本组合弯矩值 M=(Ms+Mw)x1.27+1.4xMm=35.512KN·m准永久组合弯矩值 Mq=Ms+Mw+0.5Mm=24.595KN·m池壁外侧水平角隅钢筋为 12@200 均满足强度和裂缝要球。第二种情况两种压力产生的弯矩部位类型 土压力弯矩水压力弯矩Mcx-21.8-36.34基本组合弯矩值 M=1.27Mw-Ms=24.35KN*m准永久组合弯矩值 Mq=Mw-Ms=14.54KN*m池壁内侧水平角隅钢筋为 12@200 均满足强度和裂缝要球。2、底板计算 计算简图q=1.35x[(3x4.7x25x0.25x25+2x10.5x4.7x0.25x25)/25/10.5+0.25x25+1x15+0.07x25+0.02x20]+0.98x2.5=48.54KN/mM 跨中=ql²/8 =48.54x5.125²/8=159KN*m假定底板厚 h=300mm,混凝土 C30,查表可知上下层配 18@100 强度裂缝均满足要求。3、顶板计算板厚 250mm h0=215mm L=5.125mq=1.35x(2.5+1x15+0.25x25)+0.98x2.5=34.5KN/mM 支座=ql²/8=113.3KN·mM 中=0.07ql²=0.07x34.5x5.125²=63.43 KN·mX 支座=40.7mmAs=Xbfc/fy=1617mm² Asmin=0.2%bh=0.2%x1000x250=500mm²上铁配筋 16@120(AS=1676mm²)X 中=21.7mmAs=Xbfc/fy=862mm²下铁配筋 14@150(AS=1026mm²)分布筋 As=max(0.15x1676,0.15%bh)=375配筋 10@200(AS=393mm²)4、抗浮计算无地下水,不需要抗浮计算

1、当您付费下载文档后,您只拥有了使用权限,并不意味着购买了版权,文档只能用于自身使用,不得用于其他商业用途(如 [转卖]进行直接盈利或[编辑后售卖]进行间接盈利)。
2、本站所有内容均由合作方或网友上传,本站不对文档的完整性、权威性及其观点立场正确性做任何保证或承诺!文档内容仅供研究参考,付费前请自行鉴别。
3、如文档内容存在违规,或者侵犯商业秘密、侵犯著作权等,请点击“违规举报”。

碎片内容

消防水池计算书

您可能关注的文档

确认删除?
VIP
微信客服
  • 扫码咨询
会员Q群
  • 会员专属群点击这里加入QQ群
客服邮箱
回到顶部