电脑桌面
添加小米粒文库到电脑桌面
安装后可以在桌面快捷访问

混凝土护坡江苏某甲级水利监理质量标准之二十一

混凝土护坡江苏某甲级水利监理质量标准之二十一_第1页
1/12
混凝土护坡江苏某甲级水利监理质量标准之二十一_第2页
2/12
混凝土护坡江苏某甲级水利监理质量标准之二十一_第3页
3/12
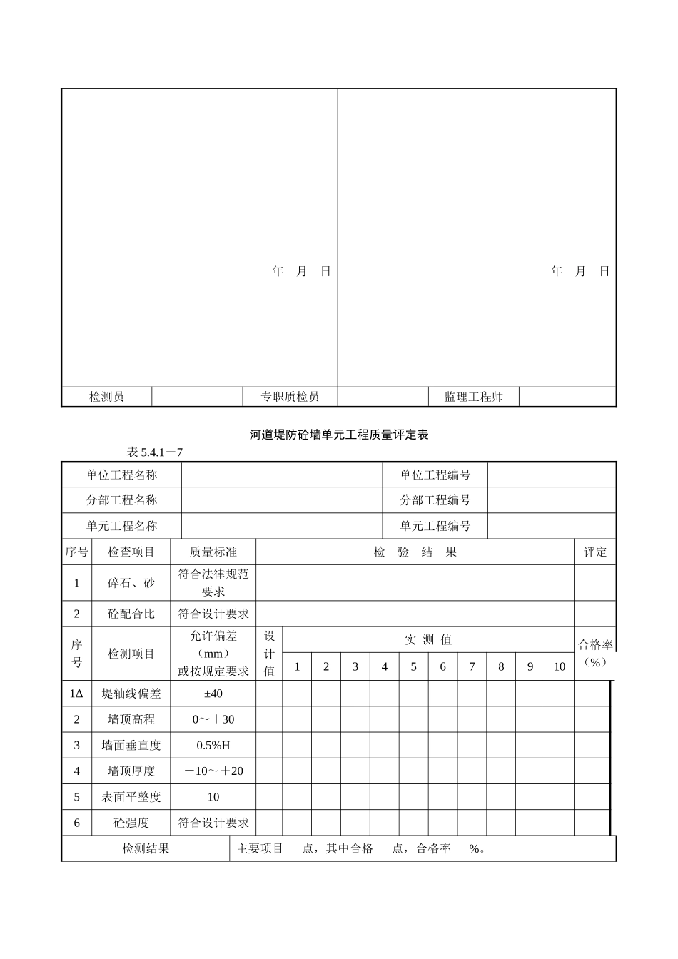
混凝土护坡单元工程质量评定表表 5.4.1-6单位工程名称单位工程编号分部工程名称分部工程编号单元工程名称单元工程编号序号检查项目质 量 标 准检 验 结 果评定1水泥、砂石骨料、水等材料符合法律规范要求2砼配合比符合设计要求3预制块外观尺寸准确、整齐统一,表面清洁平整4预制块铺砌平整、稳定、缝线规则序号检测项目允许偏差(mm)设计值实 测 值合格率(%)123456789101护坡顶底高程±102厚度±53表面平整度现浇护坡5预制块护坡104边坡设计坡比1∶(n±0.02)5每层垫层厚度±15%δ 平均值为±5%δ6土工布铺设表面平整度5搭接宽度≥30cm 或≥设计宽度7混凝土强度符合设计要求检测结果主要项目 点,其中合格 点,合格率 %。一般项目 点,其中合格 点,合格率 %。施工单位自评意见及质量等级监理(建设)单位复评意见及质量等级年 月 日年 月 日检测员专职质检员监理工程师河道堤防砼墙单元工程质量评定表表 5.4.1-7单位工程名称单位工程编号分部工程名称分部工程编号单元工程名称单元工程编号序号检查项目质量标准检 验 结 果评定1碎石、砂符合法律规范要求2砼配合比符合设计要求序号检测项目允许偏差(mm)或按规定要求设计值实 测 值合格率(%)123456789101Δ堤轴线偏差±402墙顶高程0~+303墙面垂直度0.5%H4墙顶厚度-10~+205表面平整度106砼强度符合设计要求检测结果主要项目 点,其中合格 点,合格率 %。一般项目 点,其中合格 点,合格率 %。施工单位自评意见及质量等级监理(建设)单位复评意见及质量等级年 月 日年 月 日检测员专职质检员监理工程师注:标有 Δ 为主要检测项目。现浇混凝土外观质量评定表表 5.4.1-8单位工程名称单位工程编号分部工程名称分部工程编号单元工程名称单元工程编号序号项 目质 量 标 准检查结果评定优 良合 格1Δ有表面平整要求的部位符合设计规定局部稍超出规定,但累计面积不超过 0.5%2麻面无少量麻面,但累计面积不超过 0.5%3蜂 窝无轻微、少量、不连续、单个面积的直径不超过 0.1m2,深度不超过骨料最大粒径,已按要求处理4Δ露 筋无无主筋外露,箍、副筋、个别微露,已按要求处理5碰损掉角无重要部位不允许,其它部位轻微少量,已按要求处理6表面浅层裂缝浅层缝宽小于水闸施工法律规范允许值浅层缝宽超过水闸施工法律规范(SL27-91)允许值,经处理符合要求7Δ深层及贯穿裂缝无在非关键部位,满足钢筋砼裂 缝 控 制 验 算 和 耐 久 性...

1、当您付费下载文档后,您只拥有了使用权限,并不意味着购买了版权,文档只能用于自身使用,不得用于其他商业用途(如 [转卖]进行直接盈利或[编辑后售卖]进行间接盈利)。
2、本站所有内容均由合作方或网友上传,本站不对文档的完整性、权威性及其观点立场正确性做任何保证或承诺!文档内容仅供研究参考,付费前请自行鉴别。
3、如文档内容存在违规,或者侵犯商业秘密、侵犯著作权等,请点击“违规举报”。

碎片内容

混凝土护坡江苏某甲级水利监理质量标准之二十一

雏圣文化+ 关注
实名认证
内容提供者

欢迎光临,大量办公文档供您挑选。

确认删除?
VIP
微信客服
  • 扫码咨询
会员Q群
  • 会员专属群点击这里加入QQ群
客服邮箱
回到顶部