电脑桌面
添加小米粒文库到电脑桌面
安装后可以在桌面快捷访问

滨江二期F区就地安置房工程施工组织设计方案

滨江二期F区就地安置房工程施工组织设计方案_第1页
1/40
滨江二期F区就地安置房工程施工组织设计方案_第2页
2/40
滨江二期F区就地安置房工程施工组织设计方案_第3页
3/40
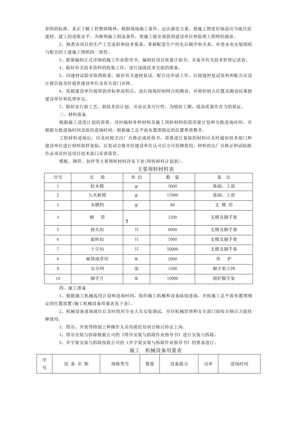
第一章 工程概况一、编制依据本施工组织设计的编制依据:1、山西太原理工大学建筑设计讨论院设计的滨江二期 F 区就地安置房工程建筑结构、水电安装、施工图纸;2、滨江二期 F 区就地安置房地质勘测报告;3、现行的国家及浙江省有关法律规范规程标准;4、现行的国家及浙江省的有关标准图集;5、公司 ISO9002 质量体系《质量手册》、《程序文件》、《技术标准》。二、工程概况:拟建的瑞安市滨江二期 F 区就地安置房工程,位于滨江二期 C 地块。由瑞安市旧城改造进展有限公司建设;瑞安市现代建设开发有限公司代建;由太原理工大学建筑设计讨论院设计、瑞安市建筑工程公司承建,工程由 1#、2#、3#楼组成,其设计概况如下:1、建筑设计(1)该工程由 1#、2#、3#三栋住宅楼成环状组成。占地面积七千多平方米。本工程建筑面积44109 m2。其中 1#楼 12284m2, 2#楼建筑面积 13394 m2。3#楼 11765 m2,地下室 6666 m2,总层数在 7-17 层不等。大楼共设电梯 6 部。(2)该工程装饰工程量大,技术要求高,具体如下:a、主体部分:墙砌体均采纳空心粘土砖,M5 混合砂浆平砌,外墙为自洁性高级涂料,内墙面为 1:1:6 混合砂浆粉刷青灰面。天棚:1:1:4 混合砂浆粉刷,罩青灰面。楼地面:一层大厅、楼梯、电梯厅,15 厚 1:3 水泥砂浆找平,5 厚 1:1 水泥砂浆结合层。20 厚磨光花岗岩面层。其余楼地面为 15 厚 1:3 水泥砂浆找平层。b、地下室:内墙面、柱面、顶棚均刷丙苯涂料。c、屋面:上人屋面:20 厚 1:3 水泥砂浆找平层,1.5 厚 CM 高分子防水卷材。40 厚硬聚乙烯泡沫板隔热层,油毡隔离层一道 40 厚 C20 细石砼随捣随抹刚性防水层。内配 Φ4b@150 钢筋网,防滑地砖面层。非上人屋面:20 厚 1:3 水泥砂浆找平层,1.5 厚 CM 高分子防水卷材。40 厚硬聚乙烯泡沫板隔热层,油毡隔离层一道 40 厚 C20 细石砼随捣随抹刚性防水层。内配 Φ4b@150 钢筋网。(2)结构设计:基础采纳预应力管桩,桩径分别为 Φ500、Φ600 两种,总桩数为 435 只,地下室砼强度等级为C35,抗渗等级为 S6。主体:工程采纳框架剪力墙结构,-0.03-8.37 标高,柱、墙为 C35,梁、板为 C30、8.37-32.37 标高位,柱、墙为 C30,梁、板为 C25。32.37-屋面柱、墙、梁、板均为 C25,基础垫层为 C10。墙体:框架填充墙采纳 240 厚 MU10 多孔粘土砖,M5 混合砂浆砌±0.000 以下基础砖墙 MU10 标准砖M7.5...

1、当您付费下载文档后,您只拥有了使用权限,并不意味着购买了版权,文档只能用于自身使用,不得用于其他商业用途(如 [转卖]进行直接盈利或[编辑后售卖]进行间接盈利)。
2、本站所有内容均由合作方或网友上传,本站不对文档的完整性、权威性及其观点立场正确性做任何保证或承诺!文档内容仅供研究参考,付费前请自行鉴别。
3、如文档内容存在违规,或者侵犯商业秘密、侵犯著作权等,请点击“违规举报”。

碎片内容

滨江二期F区就地安置房工程施工组织设计方案

您可能关注的文档

确认删除?
VIP
微信客服
  • 扫码咨询
会员Q群
  • 会员专属群点击这里加入QQ群
客服邮箱
回到顶部