电脑桌面
添加小米粒文库到电脑桌面
安装后可以在桌面快捷访问

滨海滩涂地区深基坑支护结构位移分析

滨海滩涂地区深基坑支护结构位移分析_第1页
1/4
滨海滩涂地区深基坑支护结构位移分析_第2页
2/4
滨海滩涂地区深基坑支护结构位移分析_第3页
3/4
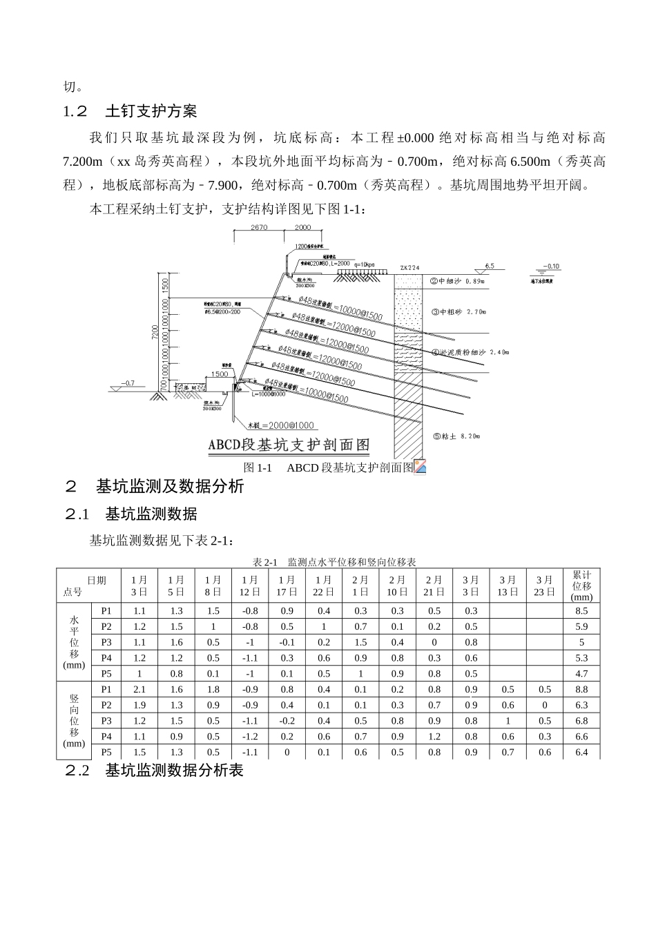
滨海滩涂地区某深基坑支护结构位移分析xx(xx 大学, 人民大道 58 号 570228)摘要:本文就 xx 滨海地区某深基坑的监测结果进行分析,说明在此类地质条件下采纳土钉支护方案的合理性。关键词:滨海地区、基坑监测、土钉支护0 引 言滨海地区因为独特的海洋景观而成为了各项重大型工程建设的首选场地,但滨海滩涂地区地质条件和气象条件复杂,且临近大海,受海洋潮汐影响严重,其基坑支护工程复杂。虽然土钉支护目前在设计和施工方面已经进展的较为完善,并有了大量的的实践经验,但 xx 关于滨海地区深基坑支护结构监测分析的很少,本文就 xx 岛滨海滩涂地区某深基坑支护结构监测数据进行了分析,希望有一定的借鉴意义。1 基坑支护概况1.1 场地概况及场地地质条件该工程地块位于 xx 市滨海大道东侧,地块呈梯形,长约 400m,宽约 320m,用地面积335935m2,无地下室,拟采纳钢架及钢筋混凝土屋面结构,桩基础,其基坑深 4.90-7.20m。场地地层条件见下表:表 1-1 场地地层条件地 层② 层细砂③ 层中砂④ 层淤泥质粉细砂⑤ 层粘土⑥ 层粘土⑦-1 气孔状中风化玄武岩⑦-2 微孔状中风化玄武岩⑧ 粘土⑨ 粉砂⑩ 粉质粘土fak(kPa)1002009012017020003500180200220Es(MPa)4.5*8.0*5.0*46//6.5108γ(kN/m3)192019.51719.2//191918Ck(kPa)2331520//40530Φk(0)202218810//132515摩阻力20601645层厚(m)0.6~5.30.5~71.3~117~101.2~6.61.1~7.62~10.51~18.50.7~130.5~39土层特性稍湿、松散饱和,中密饱和、松散可塑硬塑可塑饱和、密实可塑备注Ck、Φk为建议标准值,*为变形模量。地下水主要有三层,第一层赋存于②层细砂、③中砂、④淤泥质粉细砂层中,第二层赋存于⑦层玄武岩中,第三层赋存于⑨层粉砂中。本次勘察期间测得地下水稳定水位 0.10~5.80m(标高为 3.56~5.30m),由于拟建场地临近大海,浅层地下水与海水涨退潮联系十分密切。1.2 土钉支护方案我 们 只 取 基 坑 最 深 段 为 例 , 坑 底 标 高 : 本 工 程 ±0.000 绝 对 标 高 相 当 与 绝 对 标 高7.200m(xx 岛秀英高程),本段坑外地面平均标高为﹣0.700m,绝对标高 6.500m(秀英高程),地板底部标高为﹣7.900,绝对标高﹣0.700m(秀英高程)。基坑周围地势平坦开阔。本工程采纳土钉支护,支护结构详图见下图 1-1:图 1-1 ABCD 段基坑支护剖面图2 基坑监测及数据分析2.1 基坑监测数据基坑监测数据...

1、当您付费下载文档后,您只拥有了使用权限,并不意味着购买了版权,文档只能用于自身使用,不得用于其他商业用途(如 [转卖]进行直接盈利或[编辑后售卖]进行间接盈利)。
2、本站所有内容均由合作方或网友上传,本站不对文档的完整性、权威性及其观点立场正确性做任何保证或承诺!文档内容仅供研究参考,付费前请自行鉴别。
3、如文档内容存在违规,或者侵犯商业秘密、侵犯著作权等,请点击“违规举报”。

碎片内容

滨海滩涂地区深基坑支护结构位移分析

阳光书坊+ 关注
实名认证
内容提供者

阳光书坊,传播未来

确认删除?
VIP
微信客服
  • 扫码咨询
会员Q群
  • 会员专属群点击这里加入QQ群
客服邮箱
回到顶部