电脑桌面
添加小米粒文库到电脑桌面
安装后可以在桌面快捷访问

热电厂给煤车间结构吊装施工技术交底

热电厂给煤车间结构吊装施工技术交底_第1页
1/17
热电厂给煤车间结构吊装施工技术交底_第2页
2/17
热电厂给煤车间结构吊装施工技术交底_第3页
3/17
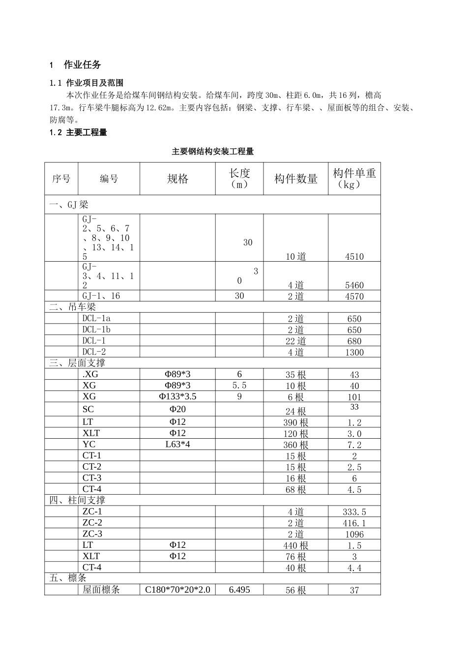
作 业 指 导 书编 号:工程名称:XXXX 热电联产项目一期工程 A 标段作业项目名称:给煤车间结构吊装编制单位:安徽 XXX 公司 XX 热电项目部建筑科批 准:安 全: 质 量: 工 程:审 核:编 制: 时间:时间:时间:时间:时间:时间:出版日期版 次目 录1 作业任务.....................................................................................................................................12 编写依据.....................................................................................................................................13 作业准备和条件........................................................................................................................24 作业方法及安全、质量控制措施.............................................................................................55 作业质量标准及检验要求.......................................................................................................116 技术记录要求...........................................................................................................................127 危险源、环境因素辨识及防范措施、文明施工标准...........................................................128 有关计算及其分析...................................................................................................................179 附录...........................................................................................................................................17 1作业任务 1.1 作业项目及范围本次作业任务是给煤车间钢结构安装。给煤车间,跨度 30m、柱距 6.0m,共 16 列,檐高17.3m。行车梁牛腿标高为 12.62m。主要内容包括:钢梁、支撑、行车梁、、屋面板等的组合、安装、防腐等。1.2 主要工程量 主要钢结构安装工程量序号编号规格长度(m)构件数量构件单重(kg)一、GJ 梁GJ-2、5、6、7、8、9、10、13、14、15 3010 道4510GJ-3、4、11、12 304 道5460GJ-1、16302 道4570二、吊车梁DCL-1a2 道650DCL-1b2 道650DCL-122 道680DCL-24 道1300三、层面支撑.XGΦ89*3635 根43XGΦ89*35.510 根40XGΦ133*3...

1、当您付费下载文档后,您只拥有了使用权限,并不意味着购买了版权,文档只能用于自身使用,不得用于其他商业用途(如 [转卖]进行直接盈利或[编辑后售卖]进行间接盈利)。
2、本站所有内容均由合作方或网友上传,本站不对文档的完整性、权威性及其观点立场正确性做任何保证或承诺!文档内容仅供研究参考,付费前请自行鉴别。
3、如文档内容存在违规,或者侵犯商业秘密、侵犯著作权等,请点击“违规举报”。

碎片内容

热电厂给煤车间结构吊装施工技术交底

您可能关注的文档

办公文档专营+ 关注
实名认证
内容提供者

大量办公文档,欢迎选择

确认删除?
VIP
微信客服
  • 扫码咨询
会员Q群
  • 会员专属群点击这里加入QQ群
客服邮箱
回到顶部