电脑桌面
添加小米粒文库到电脑桌面
安装后可以在桌面快捷访问

煤炭建设井巷工程概算定额实例

煤炭建设井巷工程概算定额实例_第1页
1/25
煤炭建设井巷工程概算定额实例_第2页
2/25
煤炭建设井巷工程概算定额实例_第3页
3/25
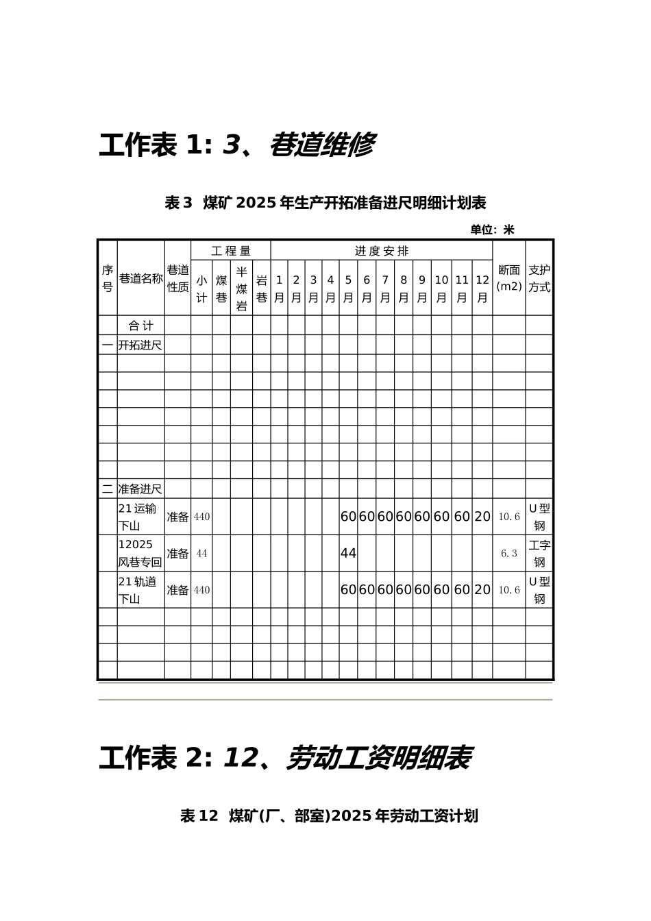
煤炭建设井巷工程概算定额实例 摘 要摘 要..................................................................................................................................1工作表 1: 3、巷道维修.................................................................................................................2工作表 2: 12、劳动工资明细表..................................................................................................3工作表 3: 16、节能减排项目计划表..........................................................................................5工作表 4: 19、安全生产计划表..................................................................................................6工作表 5: 20、安全费用..............................................................................................................7工作表 6: 21、员工培训..............................................................................................................9工作表 7: 24、项目建设计划汇总表........................................................................................10工作表 8: 25、基建矿井基本情况............................................................................................11工作表 9: 27、基建投资............................................................................................................13工作表 10: 28、基建矿建工程.................................................................................................14工作表 11: 29、基建土建工程.................................................................................................15工作表 12: 30、基建安装工程.................................................................................................16工作表 13: 31、基建设备购置.................................................................................................20工作表 14: 32、基建其他费用.................................................................................................24工作表 15...

1、当您付费下载文档后,您只拥有了使用权限,并不意味着购买了版权,文档只能用于自身使用,不得用于其他商业用途(如 [转卖]进行直接盈利或[编辑后售卖]进行间接盈利)。
2、本站所有内容均由合作方或网友上传,本站不对文档的完整性、权威性及其观点立场正确性做任何保证或承诺!文档内容仅供研究参考,付费前请自行鉴别。
3、如文档内容存在违规,或者侵犯商业秘密、侵犯著作权等,请点击“违规举报”。

碎片内容

煤炭建设井巷工程概算定额实例

文森传品+ 关注
实名认证
内容提供者

一家传播文化教育的小店,资料丰富,随意挑选。

确认删除?
VIP
微信客服
  • 扫码咨询
会员Q群
  • 会员专属群点击这里加入QQ群
客服邮箱
回到顶部