电脑桌面
添加小米粒文库到电脑桌面
安装后可以在桌面快捷访问

章建设规模与技术标准

章建设规模与技术标准_第1页
1/5
章建设规模与技术标准_第2页
2/5
章建设规模与技术标准_第3页
3/5
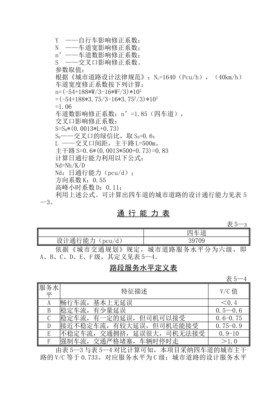
第五章 建设规模与技术标准一、建设规模**路起于大建路,止于省道 312 线,全长 3008 米。红线宽 40 米,其 路 幅 组 成 为 [7.5 米 ( 绿 化 带 ) +5 米 ( 人 行 道 ) +7.5 米 ( 行 车道)]×2=40 米。本项目线路全长 3008m,其主要工程量有:填方 467593m3,挖方971801m3,沥青砼路面 46824m2,安砌侧石 11532m,铺设人行道板27080m2,征用土地 290.3 亩,拆迁建筑物 3160m2,安装路灯 186 盏,铺设各类排水管 5509m,砌筑检查井 116 座,绿化 41520m2,桥长 204.6m/3座。具体见表 5—1。拟建道路建设规模表 5—1项 目单 位数 量一、路线1、主线长度km3.0082、征用土地亩290.3二、路基路面1、路基宽度m402、路基土石方1000m3其中:填方1000m3467.593挖方1000m3971.8013、路面结构类型沥青砼4、路面工程数量1000 m246.824三、桥梁、涵洞1、桥梁m/座204.6/32、涵洞道6四、路线交叉1、互通式立交处2、分离式立交处3、平面交叉处6五、沿线设施1、照明设施公路公里3.0082、绿化设施公路公里3.0083、交通工程设施公路公里3.008二、技术标准(一)技术标准的论证1、确定依据(1)《***市城市总体规划》;(2)《***市国民经济和社会进展计划纲要》;(3)《城市道路设计法律规范》(CJJ37-90);(4)《城市道路交通规划设计法律规范》(GB50220-95)。本项目建设规模与标准主要依据上述因素及交通量预测结果予以确定,同时充分考虑地区的社会进展环境、道路网现状及进展规划、自然环境等因素。2、城市规划对本项目的要求根据《***城市总体规划》,对***市柳溪路道路定性为:柳溪路城市主干路路幅宽 40m3、远景交通量对本项目的要求本报告第四章的交通量预测结果如表 5—2。道路预测交通量表 5—2年份20252025202520252028交通量941713218179082654329102单位:辆/d 小客车依据《城市道路设计法律规范》(CJJ37-90)和《城市交通规划设计法律规范》(GB50220-95)进行道路通行能力及适应性分析。城市道路路段设计小时通行能力(或实际通行能力)按以下模型计算:Nh=No*Y*n*n’*SNh——单向路段设计小时通行能力(pcu/h);No——一条车道的可能通行能力(pcu/h);Y ——自行车影响修正系数;N ——车道宽影响修正系数;n’——车道数影响修正系数;S ——交叉口影响修正系数。参数取值:根据《城市道路设计法律规范》:No=1640(Pcu/h),(40km/h)车道宽度修正系数按下列计算:n=(-54+...

1、当您付费下载文档后,您只拥有了使用权限,并不意味着购买了版权,文档只能用于自身使用,不得用于其他商业用途(如 [转卖]进行直接盈利或[编辑后售卖]进行间接盈利)。
2、本站所有内容均由合作方或网友上传,本站不对文档的完整性、权威性及其观点立场正确性做任何保证或承诺!文档内容仅供研究参考,付费前请自行鉴别。
3、如文档内容存在违规,或者侵犯商业秘密、侵犯著作权等,请点击“违规举报”。

碎片内容

章建设规模与技术标准

雏圣文化+ 关注
实名认证
内容提供者

欢迎光临,大量办公文档供您挑选。

确认删除?
VIP
微信客服
  • 扫码咨询
会员Q群
  • 会员专属群点击这里加入QQ群
客服邮箱
回到顶部