电脑桌面
添加小米粒文库到电脑桌面
安装后可以在桌面快捷访问

端子与导线的接线

端子与导线的接线_第1页
1/2
端子与导线的接线_第2页
2/2
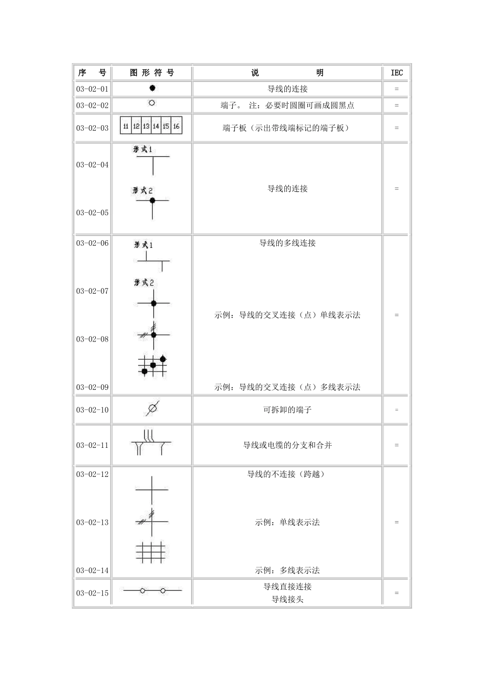
序 号图 形 符 号说 明IEC03-02-01导线的连接=03-02-02端子。 注:必要时圆圈可画成圆黑点=03-02-03端子板(示出带线端标记的端子板)=03-02-04 03-02-05导线的连接=03-02-06 03-02-07 03-02-08 03-02-09导线的多线连接 示例:导线的交叉连接(点)单线表示法 示例:导线的交叉连接(点)多线表示法=03-02-10可拆卸的端子=03-02-11导线或电缆的分支和合并=03-02-12 03-02-13 03-02-14导线的不连接(跨越) 示例:单线表示法 示例:多线表示法=03-02-15导线直接连接 导线接头=03-02-16 03-02-17一组相似连接件的公共连接 注:相似连接件的总数注在公共连接符号附近示例:复接的单行行程选择器(表示 10 个触点)=03-02-18 03-02-19导线的交换(换位) 相序的变更或极性的反向(示出用单线表示 N 根导线) 示例:示出相序的变更=03-02-20 03-02-21多相系统的中性点 (示出用单线表示) 示例:每相两端引出,示出外部中性点的三相同步发电机。

1、当您付费下载文档后,您只拥有了使用权限,并不意味着购买了版权,文档只能用于自身使用,不得用于其他商业用途(如 [转卖]进行直接盈利或[编辑后售卖]进行间接盈利)。
2、本站所有内容均由合作方或网友上传,本站不对文档的完整性、权威性及其观点立场正确性做任何保证或承诺!文档内容仅供研究参考,付费前请自行鉴别。
3、如文档内容存在违规,或者侵犯商业秘密、侵犯著作权等,请点击“违规举报”。

碎片内容

端子与导线的接线

您可能关注的文档

确认删除?
VIP
微信客服
  • 扫码咨询
会员Q群
  • 会员专属群点击这里加入QQ群
客服邮箱
回到顶部