电脑桌面
添加小米粒文库到电脑桌面
安装后可以在桌面快捷访问

第三章剪力墙钢筋计算

第三章剪力墙钢筋计算_第1页
1/11
第三章剪力墙钢筋计算_第2页
2/11
第三章剪力墙钢筋计算_第3页
3/11
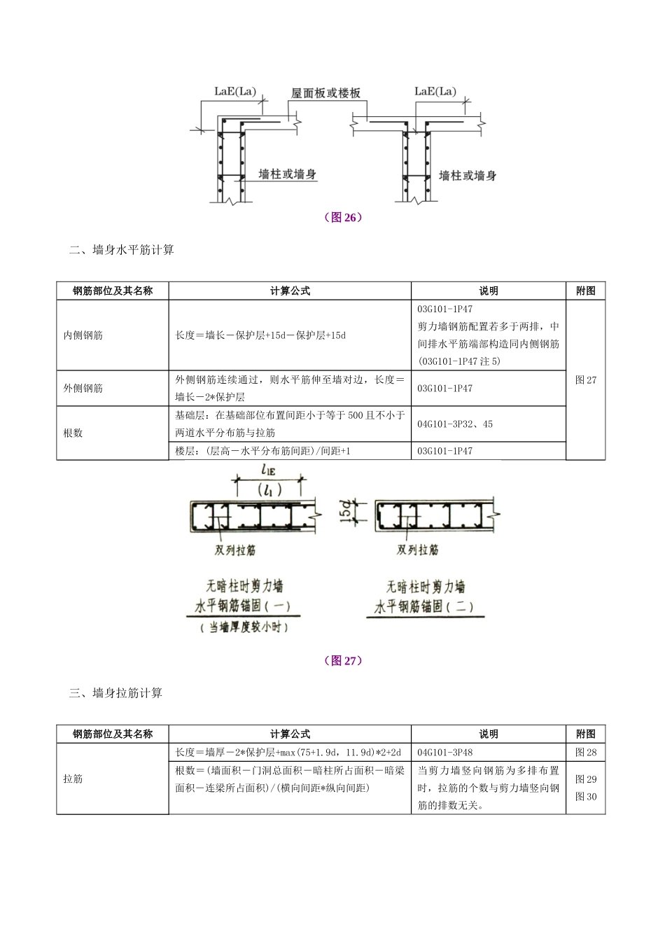
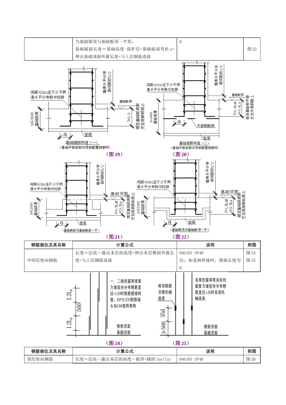
第三章剪力墙钢筋计算在计算剪力墙钢筋时,需要考虑以下几个问题:(图 18)1、剪力墙需要计算哪些钢筋?剪力墙主要有墙身、墙柱、墙梁、洞口四大部分构成,其中墙身钢筋包括水平筋、垂直筋、拉筋和洞口加强筋;墙柱包括暗柱和端柱两种类型,其钢筋主要有纵筋和箍筋;墙梁包括暗梁和连梁两种类型,其钢筋主要有纵筋和箍筋。2、计算剪力墙墙身钢筋需要考虑以下几个因素:基础型式、中间层和顶层构造;墙柱、墙梁对墙身钢筋的影响。(图 18)一、墙身竖向筋计算钢筋部位及其名称计算公式说明附图基础插筋(基础平板中)当筏板基础≤2000mm 时:基础插筋长度=基础高度-保护层+基础底部弯折 a+伸出基础顶面外露长度+与上层钢筋连接(如采纳焊接时,搭接长度为 0)04G101-3P45 墙插筋构造一弯折长度 a 与框架注相同图 19当筏板基础>2000mm 时:基础插筋长度=基础高度/2-保护层+基础弯折 a++伸出基础顶面外露长度+与上层钢筋连接(如采纳焊接时,搭接长度为 0)04G101-3P45 墙插筋构造二图 20基础插筋(基础主梁中)当基础梁底与基础板底一平常:基础插筋长度=基础高度-保护层+基础底部弯折 a+伸出基础顶面外露长度+与上层钢筋连接04G101-3P32 墙竖向钢筋插筋构造注:如采纳焊接时,搭接长度为图 210当基础梁顶与基础板顶一平常:基础插筋长度=基础高度-保护层+基础底部弯折 a+伸出基础顶面外露长度+与上层钢筋连接图 22 (图 19) (图 20) (图 21) (图 22)钢筋部位及其名称计算公式说明附图中间层竖向钢筋长度=层高-露出本层的高度+伸出本层楼面外露长度+与上层钢筋连接04G101-3P48注:如采纳焊接时,搭接长度为0图 24图 25(图 24) (图 25)钢筋部位及其名称计算公式说明附图顶层竖向钢筋长度=层高-露出本层的高度-板厚+锚固 lae(la)04G101-3P48图 26(图 26) 二、墙身水平筋计算钢筋部位及其名称计算公式说明附图内侧钢筋长度=墙长-保护层+15d-保护层+15d03G101-1P47剪力墙钢筋配置若多于两排,中间排水平筋端部构造同内侧钢筋(03G101-1P47 注 5)图 27外侧钢筋外侧钢筋连续通过,则水平筋伸至墙对边,长度=墙长-2*保护层03G101-1P47根数基础层:在基础部位布置间距小于等于 500 且不小于两道水平分布筋与拉筋04G101-3P32、45楼层:(层高-水平分布筋间距)/间距+103G101-1P47(图 27)三、墙身拉筋计算钢筋部位及其名称计算公式说明附图拉筋长度=墙厚-2*保护层+max(75+1.9d,11.9d...

1、当您付费下载文档后,您只拥有了使用权限,并不意味着购买了版权,文档只能用于自身使用,不得用于其他商业用途(如 [转卖]进行直接盈利或[编辑后售卖]进行间接盈利)。
2、本站所有内容均由合作方或网友上传,本站不对文档的完整性、权威性及其观点立场正确性做任何保证或承诺!文档内容仅供研究参考,付费前请自行鉴别。
3、如文档内容存在违规,或者侵犯商业秘密、侵犯著作权等,请点击“违规举报”。

碎片内容

第三章剪力墙钢筋计算

范哲铺+ 关注
实名认证
内容提供者

想你所想,急你所急,你需要的都在店铺里可以找到。

确认删除?
VIP
微信客服
  • 扫码咨询
会员Q群
  • 会员专属群点击这里加入QQ群
客服邮箱
回到顶部