电脑桌面
添加小米粒文库到电脑桌面
安装后可以在桌面快捷访问

第六章-调压井及压力管道土建工程施工

第六章-调压井及压力管道土建工程施工_第1页
1/21
第六章-调压井及压力管道土建工程施工_第2页
2/21
第六章-调压井及压力管道土建工程施工_第3页
3/21
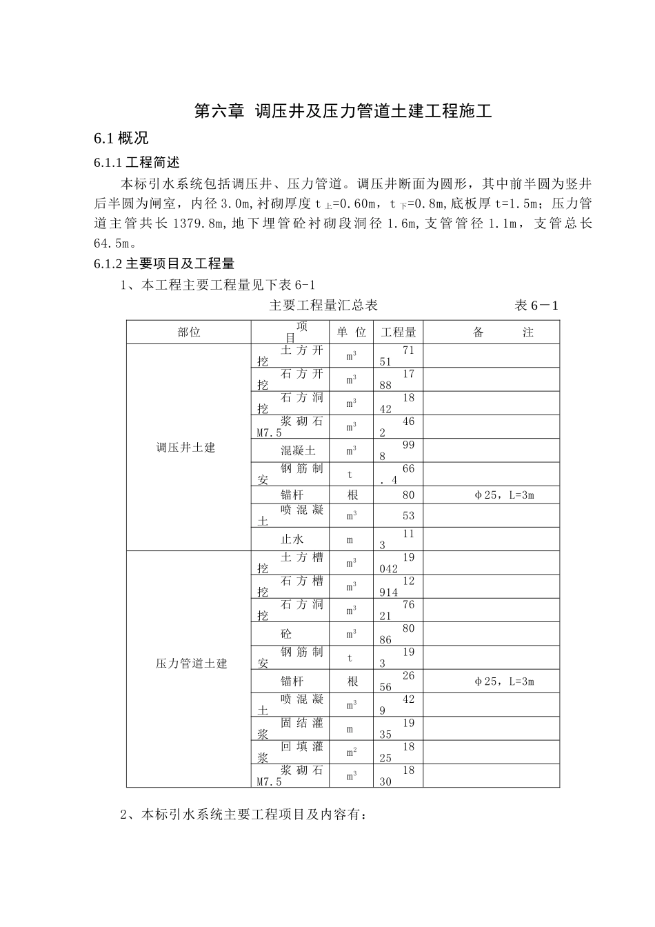
第六章 调压井及压力管道土建工程施工6.1 概况 6.1.1 工程简述本标引水系统包括调压井、压力管道。调压井断面为圆形,其中前半圆为竖井后半圆为闸室,内径 3.0m,衬砌厚度 t 上=0.60m,t 下=0.8m,底板厚 t=1.5m;压力管道 主 管 共 长 1379.8m, 地 下 埋 管 砼 衬 砌 段 洞 径 1.6m, 支 管 管 径 1.1m , 支 管 总 长64.5m。 6.1.2 主要项目及工程量1、本工程主要工程量见下表 6-1 主要工程量汇总表 表 6-1部位项 目单 位工程量备 注调压井土建土 方 开挖m37151石 方 开挖m31788石 方 洞挖m31842浆 砌 石M7.5m3462混凝土m3998钢 筋 制安t66.4锚杆根80φ25,L=3m喷 混 凝土m353止水m113压力管道土建土 方 槽挖m319042石 方 槽挖m312914石 方 洞挖m37621砼m38086钢 筋 制安t193锚杆根2656φ25,L=3m喷 混 凝土m3429固 结 灌浆m1935回 填 灌浆m21825浆 砌 石M7.5m318302、本标引水系统主要工程项目及内容有:(1)调压井土建及金属结构制作安装工程;(2)压力管道土建及金属结构制作安装工程;(3)3#施工支洞土建工程(包括 3#施工支洞及封堵)(已由 C4 标施工);(4)4#施工支洞土建工程(包括 4#施工支洞及封堵);(5)施工临时附属设施的施工(除 10KV 供电线路及变压器安装)。6.1.3 地质条件1、调压井调压井地形高程在 670~730m 之间。调压井北西—西和南东—东两侧各发育一条北—北东向冲沟。山坡受北—北东向冲沟切割,地形似一“舌”状形态,呈上缓下陡状,地形坡度 10º~25º,走向北—北东调压井所处山坡、岩层倾角与山坡倾角大体同向,边坡由第四系残坡积层与全风化岩体构成,岩土体结构松软,调压井边坡稳定性差。调压井岩体类别为“Ⅲ~Ⅴ”类。具体地质条件见第一章工程概况2、压力管道压力管道地形高程 395~675m。压力管道所处山坡为一复合型坡,受多条冲沟切割,地形高低起伏变化较大,陡缓相间,坡上段及下段均有台地分布,地形坡度25°~45°,局部达 50°~60°。压力管道上、下段的暗管围岩类别为“Ⅴ~Ⅲ”;压力管道中段~压力管道明管段、位于全~强风化岩体内。具体见地质条件第一章工程概况。6.2 施工布置6.2.1 施工道路及通道1、调压室施工通道:利用至调压井平台公路进行施工。2、压力管道 1#平段及 1#斜井施工通道:利用 3#施工支洞进入工作面。3、压力管道陡洞段施工通道:利用业主已修至压力管道陡洞段的公路。4、压力管道...

1、当您付费下载文档后,您只拥有了使用权限,并不意味着购买了版权,文档只能用于自身使用,不得用于其他商业用途(如 [转卖]进行直接盈利或[编辑后售卖]进行间接盈利)。
2、本站所有内容均由合作方或网友上传,本站不对文档的完整性、权威性及其观点立场正确性做任何保证或承诺!文档内容仅供研究参考,付费前请自行鉴别。
3、如文档内容存在违规,或者侵犯商业秘密、侵犯著作权等,请点击“违规举报”。

碎片内容

第六章-调压井及压力管道土建工程施工

津创媒+ 关注
实名认证
内容提供者

欢迎交流文创,小店资料希望满足您的需要。

确认删除?
VIP
微信客服
  • 扫码咨询
会员Q群
  • 会员专属群点击这里加入QQ群
客服邮箱
回到顶部