电脑桌面
添加小米粒文库到电脑桌面
安装后可以在桌面快捷访问

聚苯板外保温外贴面砖工程施工组织设计方案

聚苯板外保温外贴面砖工程施工组织设计方案_第1页
1/20
聚苯板外保温外贴面砖工程施工组织设计方案_第2页
2/20
聚苯板外保温外贴面砖工程施工组织设计方案_第3页
3/20
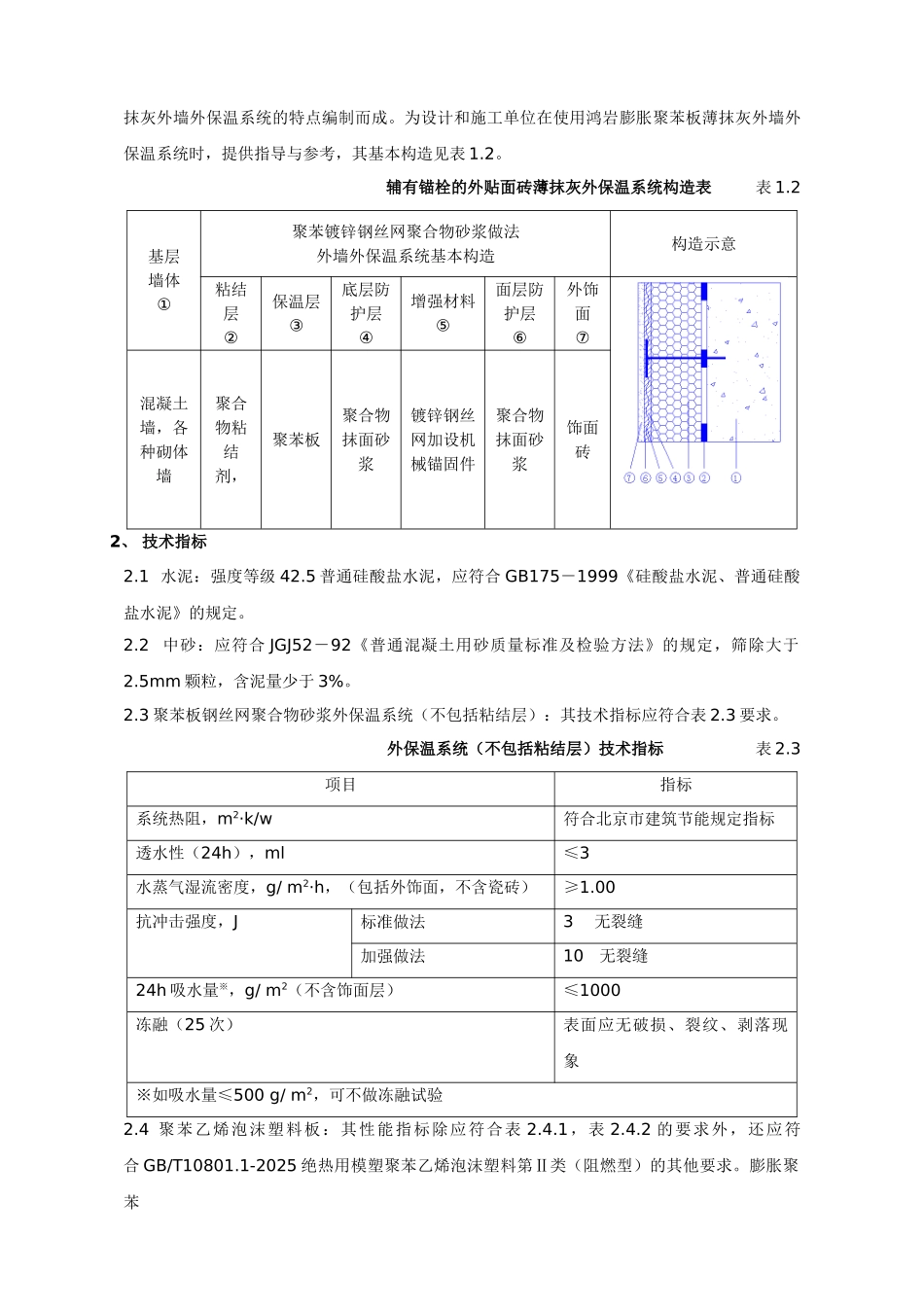
. 膨胀聚苯板薄抹灰外墙外保温系统体系外贴面砖外墙外保温施工组织设计方案目 录一、编制依据二、技术法律规范三、施工工艺四、质量检验五、施工条件六、施工部署七、施工进度计划及工期保证措施八、成品保护九、安全技术措施一、 编制依据(1)国家《膨胀聚苯板薄抹灰外墙外保温系统》JG149-2025(2)河南省地方性标准《外墙外保温施工技术规程》DBJ41/062—2025(3)国家《夏热冬冷地区居住建筑节能设计标准》(4)河南省《居住建筑节能设计标准》(夏热冬冷地区)DBJ41/071-2025(5)国家《住宅建筑节能设计标准》DG/TJ08-205-2000(6)华北标办《建筑构造通用图集(墙身—外墙外保温)》88JZ—9(2025)(7)国家标准《建筑施工安全检查标准》JGJ59-99(8)施工现场临时用电安全技术法律规范(9)河南省施工现场文明施工管理法规二、 膨胀聚苯板薄抹灰系统技术法律规范1、 基本构造本法律规范适用于膨胀聚苯板薄抹灰外墙外保温系统在各类民用建筑的新建和改造工程中的施工和验收。基层墙体可以是混凝土墙和各种砌体墙。本法律规范是依据河南省《外墙外保温施工技术规程》DBJ41/062—2025 和国家建工行业标准JG149-2025《膨胀聚苯板薄抹灰外墙保温系统》和河南省地方相应标准,结合膨胀聚苯板薄抹灰外墙外保温系统的特点编制而成。为设计和施工单位在使用鸿岩膨胀聚苯板薄抹灰外墙外保温系统时,提供指导与参考,其基本构造见表 1.2。辅有锚栓的外贴面砖薄抹灰外保温系统构造表 表 1.2基层墙体①聚苯镀锌钢丝网聚合物砂浆做法外墙外保温系统基本构造构造示意粘结层②保温层③底层防护层④增强材料⑤面层防护层⑥外饰面⑦混凝土墙,各种砌体墙聚合物粘结剂,聚苯板聚合物抹面砂浆镀锌钢丝网加设机械锚固件聚合物抹面砂浆饰面砖2、 技术指标2.1 水泥:强度等级 42.5 普通硅酸盐水泥,应符合 GB175-1999《硅酸盐水泥、普通硅酸盐水泥》的规定。2.2 中砂:应符合 JGJ52-92《普通混凝土用砂质量标准及检验方法》的规定,筛除大于2.5mm 颗粒,含泥量少于 3%。2.3 聚苯板钢丝网聚合物砂浆外保温系统(不包括粘结层):其技术指标应符合表 2.3 要求。外保温系统(不包括粘结层)技术指标 表 2.3项目指标系统热阻,m2·k/w符合北京市建筑节能规定指标透水性(24h),ml≤3水蒸气湿流密度,g/ m2·h,(包括外饰面,不含瓷砖)≥1.00抗冲击强度,J标准做法3 无裂缝加强做法10 无裂缝24h 吸水量※,g/ m2(不含饰面层)≤10...

1、当您付费下载文档后,您只拥有了使用权限,并不意味着购买了版权,文档只能用于自身使用,不得用于其他商业用途(如 [转卖]进行直接盈利或[编辑后售卖]进行间接盈利)。
2、本站所有内容均由合作方或网友上传,本站不对文档的完整性、权威性及其观点立场正确性做任何保证或承诺!文档内容仅供研究参考,付费前请自行鉴别。
3、如文档内容存在违规,或者侵犯商业秘密、侵犯著作权等,请点击“违规举报”。

碎片内容

聚苯板外保温外贴面砖工程施工组织设计方案

您可能关注的文档

确认删除?
VIP
微信客服
  • 扫码咨询
会员Q群
  • 会员专属群点击这里加入QQ群
客服邮箱
回到顶部