电脑桌面
添加小米粒文库到电脑桌面
安装后可以在桌面快捷访问

车库挡墙计算书(1层)

车库挡墙计算书(1层)_第1页
1/10
车库挡墙计算书(1层)_第2页
2/10
车库挡墙计算书(1层)_第3页
3/10
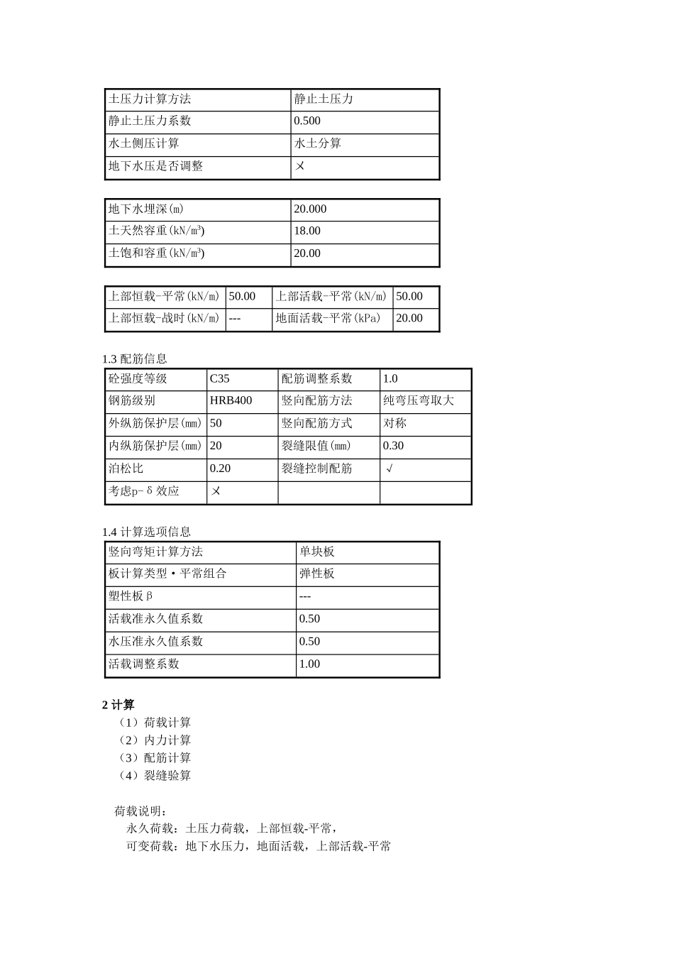
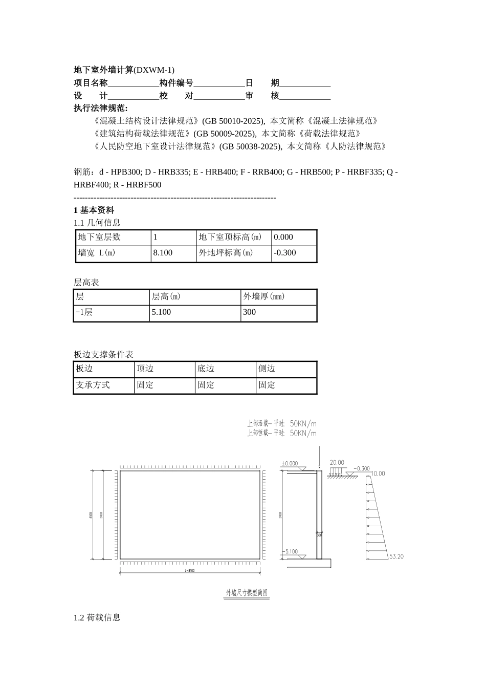
地下室外墙计算(DXWM-1)项目名称 构件编号 日 期 设 计 校 对 审 核 执行法律规范: 《混凝土结构设计法律规范》(GB 50010-2025), 本文简称《混凝土法律规范》 《建筑结构荷载法律规范》(GB 50009-2025), 本文简称《荷载法律规范》 《人民防空地下室设计法律规范》(GB 50038-2025), 本文简称《人防法律规范》钢筋:d - HPB300; D - HRB335; E - HRB400; F - RRB400; G - HRB500; P - HRBF335; Q - HRBF400; R - HRBF500-----------------------------------------------------------------------1 基本资料1.1 几何信息地下室层数1地下室顶标高(m)0.000墙宽 L(m)8.100外地坪标高(m)-0.300层高表层层高(m)外墙厚(mm)-1层5.100300板边支撑条件表板边顶边底边侧边支承方式固定固定固定1.2 荷载信息土压力计算方法静止土压力静止土压力系数0.500水土侧压计算水土分算地下水压是否调整ㄨ地下水埋深(m)20.000土天然容重(kN/m3)18.00土饱和容重(kN/m3)20.00上部恒载-平常(kN/m) 50.00上部活载-平常(kN/m) 50.00上部恒载-战时(kN/m) ---地面活载-平常(kPa)20.001.3 配筋信息砼强度等级C35配筋调整系数1.0钢筋级别HRB400竖向配筋方法纯弯压弯取大外纵筋保护层(mm) 50竖向配筋方式对称内纵筋保护层(mm) 20裂缝限值(mm)0.30泊松比0.20裂缝控制配筋√考虑p-δ效应ㄨ1.4 计算选项信息竖向弯矩计算方法单块板板计算类型·平常组合弹性板塑性板β---活载准永久值系数0.50水压准永久值系数0.50活载调整系数1.002 计算 (1)荷载计算 (2)内力计算 (3)配筋计算 (4)裂缝验算 荷载说明: 永久荷载:土压力荷载,上部恒载-平常, 可变荷载:地下水压力,地面活载,上部活载-平常 平常组合:平常荷载基本组合 战时组合:战时荷载基本组合 准永久组合:平常荷载准永久组合(用于裂缝计算)2.1 荷载计算2.1.1 墙上竖向压力 平常组合(kN/m):1.200×50.000+1.400×50.000=130.000 准永久组合(kN/m):50.000+0.500×50.000=75.0002.1.2 侧压荷载计算(1) 土压力标准值(kPa)水土分算,土侧压按静止土压力计算,静止土压力系数k = 0.500地下室顶面,标高0.000,在地面(-0.300)以上 土压力起算位置,标高-0.300 -1层底,标高-5.100,总埋深4.800,全位于地下水位以上 pk  h0.5184.843.2 式中: p --------土压力(kN/m2) pw --------水压力(kN/m2) k --------土压力系...

1、当您付费下载文档后,您只拥有了使用权限,并不意味着购买了版权,文档只能用于自身使用,不得用于其他商业用途(如 [转卖]进行直接盈利或[编辑后售卖]进行间接盈利)。
2、本站所有内容均由合作方或网友上传,本站不对文档的完整性、权威性及其观点立场正确性做任何保证或承诺!文档内容仅供研究参考,付费前请自行鉴别。
3、如文档内容存在违规,或者侵犯商业秘密、侵犯著作权等,请点击“违规举报”。

碎片内容

车库挡墙计算书(1层)

文旅传媒+ 关注
实名认证
内容提供者

传播文化,成就未来

相关文档

确认删除?
VIP
微信客服
  • 扫码咨询
会员Q群
  • 会员专属群点击这里加入QQ群
客服邮箱
回到顶部