电脑桌面
添加小米粒文库到电脑桌面
安装后可以在桌面快捷访问

近距离条件下的控制爆破技术应用探索

近距离条件下的控制爆破技术应用探索_第1页
1/8
近距离条件下的控制爆破技术应用探索_第2页
2/8
近距离条件下的控制爆破技术应用探索_第3页
3/8
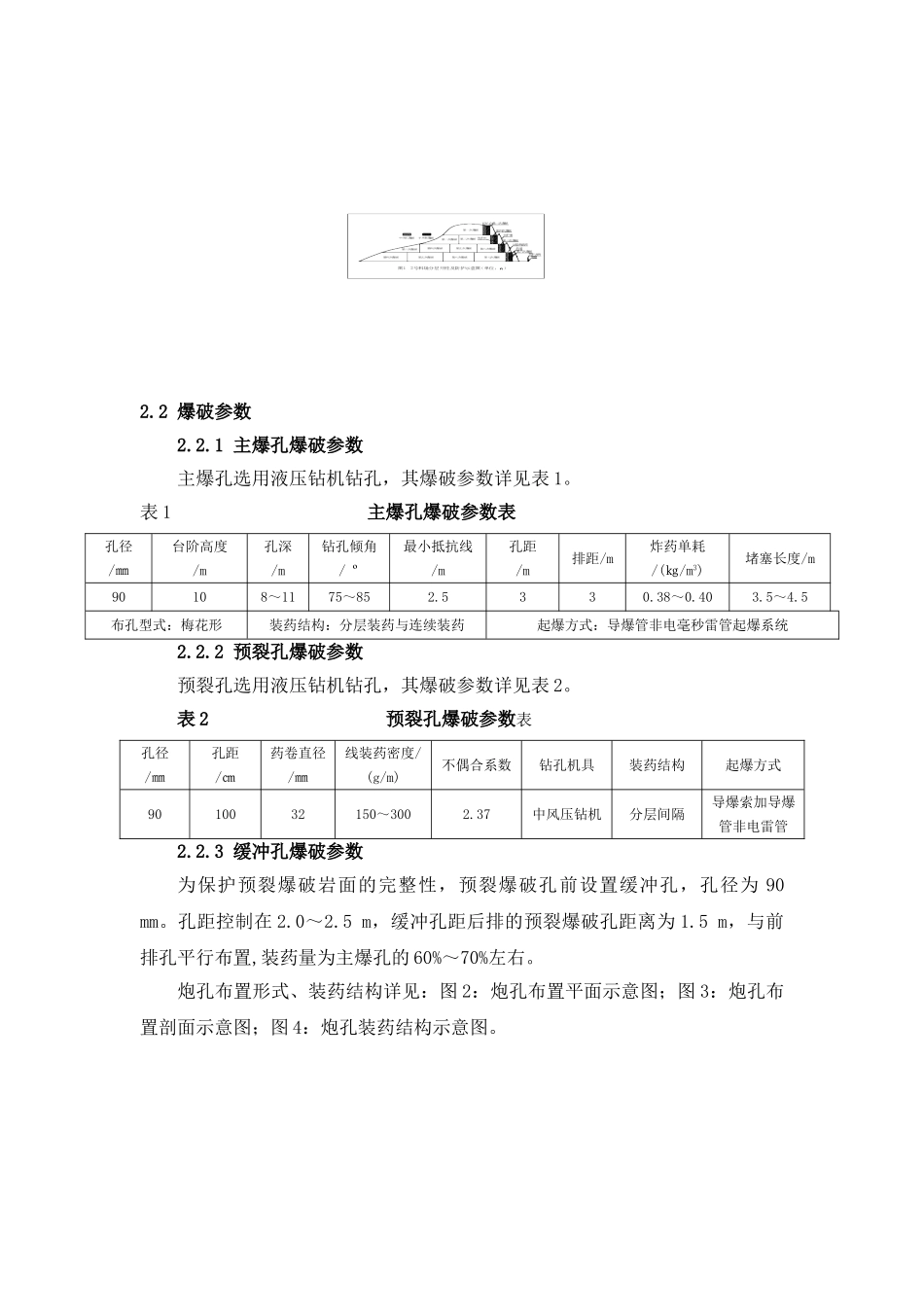
近距离条件下的控制爆破技术应用探究 1 工程概况xx 修造船基地位于 xx 市 xx 岛,料场由 1 号料场和 2 号料场两部分组成,两料场均要求开挖至▽4.0 m。本工程所在区域岩体整体性较差,覆盖层较薄,但植被完好;岩体为凝灰岩,岩石等级为Ⅷ~Ⅹ级。2 号料场位于基地东侧,料场长 390、宽 90m、最大高程▽51m。料场采纳台阶爆破,台阶高度 10m,自上而下进行开挖,总爆破开挖工程量 72 万 m3。2 号料场周边环境十分复杂,距离最近保护对象 xx 船厂仅 5 m。如何保证 2号料场在近距离条件和高复杂环境下,尤其是在确保 xx 船厂已建坞体、xx 船厂设施及人员的安全方面,成为本工程实施控制爆破的难点。2 控爆设计简介2.1 爆破方案2 号料场爆破危害控制点为:① 爆破震动对 xx 船厂已建坞体、xx 船厂设施、xx 船厂永久边坡及 xx 船厂边坡的危害;②爆破飞石、爆破滚石影响 xx 船厂设施及人员的安全。根据上述危害控制点和爆破条件,通过在现场进行爆破试验和以往控制爆破经验,调整优化各爆破参数,确保工程质量和边坡稳定。爆破设计方案形成如下:采纳永久边坡预裂成形、xx 船厂围墙外预裂减震、自上而下分层分台阶、靠近 xx 船厂预留保护层、主爆孔小孔径、小孔网孔内外毫秒延期逐孔起爆、保护层手风枪浅孔逐孔起爆、斜坡设防护栅平台及坡底垒沙袋挡滚石、围墙外搭屏障防飞石和冲击波、一次多点小规模爆破的爆破方案。爆破开挖顺序见图 1:2 号料场开挖及防护示意图。2.2 爆破参数2.2.1 主爆孔爆破参数主爆孔选用液压钻机钻孔,其爆破参数详见表 1。表 1 主爆孔爆破参数表孔径/㎜台阶高度/m孔深/m钻孔倾角/ º最小抵抗线/m孔距/m排距/m炸药单耗/(㎏/m3)堵塞长度/m90108~1175~852.5330.38~0.403.5~4.5布孔型式:梅花形装药结构:分层装药与连续装药起爆方式:导爆管非电毫秒雷管起爆系统2.2.2 预裂孔爆破参数预裂孔选用液压钻机钻孔,其爆破参数详见表 2。表 2 预裂孔爆破参数表孔径/㎜孔距/㎝药卷直径/㎜线装药密度/(g/m)不偶合系数钻孔机具装药结构起爆方式9010032150~3002.37中风压钻机分层间隔导爆索加导爆管非电雷管2.2.3 缓冲孔爆破参数为保护预裂爆破岩面的完整性,预裂爆破孔前设置缓冲孔,孔径为 90 mm。孔距控制在 2.0~2.5 m,缓冲孔距后排的预裂爆破孔距离为 1.5 m,与前排孔平行布置,装药量为主爆孔的 60%~70%左右。炮孔布置形式、装药结构详见:图 2:炮孔布置平...

1、当您付费下载文档后,您只拥有了使用权限,并不意味着购买了版权,文档只能用于自身使用,不得用于其他商业用途(如 [转卖]进行直接盈利或[编辑后售卖]进行间接盈利)。
2、本站所有内容均由合作方或网友上传,本站不对文档的完整性、权威性及其观点立场正确性做任何保证或承诺!文档内容仅供研究参考,付费前请自行鉴别。
3、如文档内容存在违规,或者侵犯商业秘密、侵犯著作权等,请点击“违规举报”。

碎片内容

近距离条件下的控制爆破技术应用探索

您可能关注的文档

办公文档专营+ 关注
实名认证
内容提供者

大量办公文档,欢迎选择

确认删除?
VIP
微信客服
  • 扫码咨询
会员Q群
  • 会员专属群点击这里加入QQ群
客服邮箱
回到顶部