电脑桌面
添加小米粒文库到电脑桌面
安装后可以在桌面快捷访问

钢构工程施工组织设计

钢构工程施工组织设计_第1页
1/38
钢构工程施工组织设计_第2页
2/38
钢构工程施工组织设计_第3页
3/38
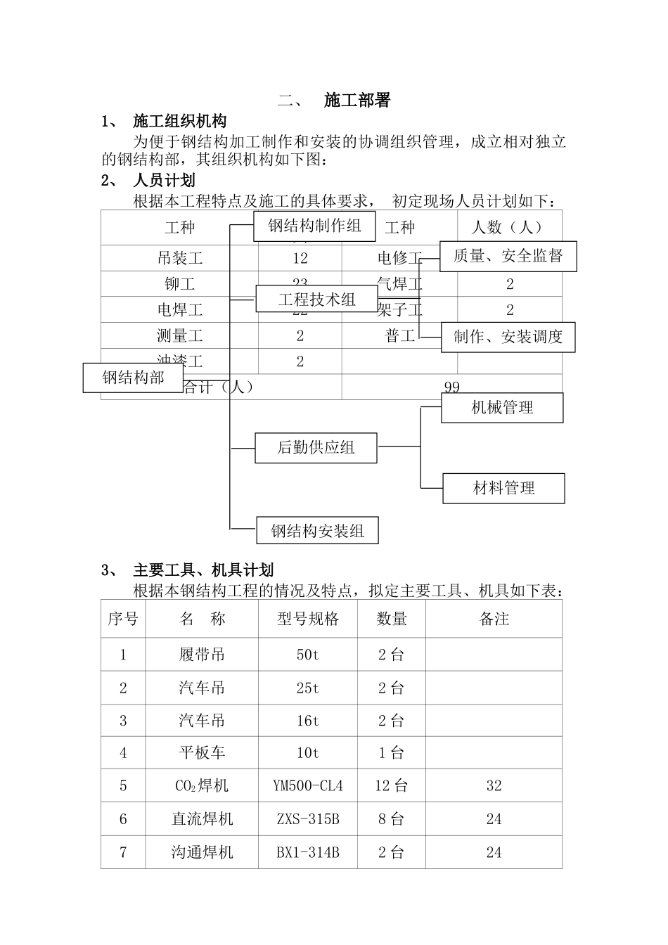
目 录一、工程概况1二、施工部署2三、钢结构制作5四、结构焊接及栓钉焊接11五、钢结构油漆、防锈和防火涂料施工18六、钢结构安装20七、测量方案30八、工程质量保证措施33九、安全措施48一、 工程概况1、 总体概况该工程位于上海市漕泾**(上海)聚合物有限公司基地的现场,为钢骨—钢结构—钢筋混凝土组合结构。其中钢结构部分的工作内容为钢柱、钢梁、钢桁架、钢支撑及螺栓、栓钉、涂料、压型钢板的施工。2、 钢结构概况钢材采纳 16Mn、16Mnq、15Mnv、15Mnvq 级的低合金结构钢或 3号钢等级的碳素结构钢,必须保证抗拉强度,伸长率,屈服强度,冷弯试验,冲击韧性合格或磷硫及碳含量的限制值,钢材的强屈比不应低于 1.2,应具有可焊性。焊条对应采纳 E50XX 系列为主。钢结构间的连接采纳摩擦型高强度螺栓,螺栓的性能等级为 10.9S 级,在连接接触构件接触面的处理方法采纳喷砂后涂无机富锌漆,抗滑移系数为 0.4。钢结构在制作前钢材表面应进行喷砂除锈处理。二、 施工部署1、 施工组织机构为便于钢结构加工制作和安装的协调组织管理,成立相对独立的钢结构部,其组织机构如下图:2、 人员计划根据本工程特点及施工的具体要求, 初定现场人员计划如下:工种人数(人)工种人数(人)吊装工12电修工2铆工23气焊工2电焊工22架子工2测量工2普工32油漆工2合计(人)993、 主要工具、机具计划根据本钢结构工程的情况及特点,拟定主要工具、机具如下表:序号名 称型号规格数量备注1履带吊50t2 台2汽车吊25t2 台3汽车吊16t2 台4平板车10t1 台5CO2焊机YM500-CL412 台326直流焊机ZXS-315B8 台247沟通焊机BX1-314B2 台24钢结构制作组工程技术组后勤供应组钢结构安装组质量、安全监督制作、安装调度机械管理材料管理钢结构部8角向磨光机φ100mm3 台9栓钉机JSS-25002 台24510空压机W-08/122 台511水准仪S32 台12经纬仪J22 台13千斤顶50 t2 台14千斤顶30 t4 台15千斤顶10 t4 台16倒链20 t2 台17倒链3~5 t2 台4、 施工进度计划钢结构施工进度计划如下页图表所示:三、 钢结构制作本工程中 H 型钢桁架和箱形柱的制作是本工程钢结构制作的重点工作。钢结构的制造工艺流程如下图:1、 放样各施工过程如钢板下料切割、H 型钢组合、各部件和零件的组装,构件预拼件组装都需有专业放样工在加工面上和组装大样板上进行精确放样。放样后须经检验员检验,以确保零件、部件、构件加工的几何尺寸,形位分差、角度、安装接触面...

1、当您付费下载文档后,您只拥有了使用权限,并不意味着购买了版权,文档只能用于自身使用,不得用于其他商业用途(如 [转卖]进行直接盈利或[编辑后售卖]进行间接盈利)。
2、本站所有内容均由合作方或网友上传,本站不对文档的完整性、权威性及其观点立场正确性做任何保证或承诺!文档内容仅供研究参考,付费前请自行鉴别。
3、如文档内容存在违规,或者侵犯商业秘密、侵犯著作权等,请点击“违规举报”。

碎片内容

钢构工程施工组织设计

您可能关注的文档

确认删除?
VIP
微信客服
  • 扫码咨询
会员Q群
  • 会员专属群点击这里加入QQ群
客服邮箱
回到顶部