电脑桌面
添加小米粒文库到电脑桌面
安装后可以在桌面快捷访问

钢筋平法计算手册(二)

钢筋平法计算手册(二)_第1页
1/9
钢筋平法计算手册(二)_第2页
2/9
钢筋平法计算手册(二)_第3页
3/9
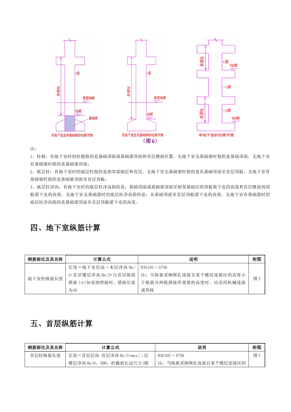
钢筋平法计算手册第二章框架柱钢筋计算一、“平法”柱的标注方法现行柱钢筋“平法”设计的表达方式有列表注写方式、截面注写方式两种。二、基础插筋的计算钢筋部位及其名称计算公式说明附图基础插筋(基础平板中)当筏板基础≤2000mm 时:基础插筋长度=基础高度-保护层+基础弯折 a+基础纵筋外露长度 Hn/3+与上层纵筋搭接 llE(如采纳焊接时,搭接长度为 0)1、04G101-3P45 柱插筋构造一2、柱墙插筋锚固竖直长度与弯钩长度对比表图 2当筏板基础>2000mm 时:基础插筋长度=基础高度/2-保护层+基础弯折 a+基础纵筋外露长度 Hn/3+与上层纵筋搭接 llE(如采纳焊接时,搭接长度为 0)3、04G101-3P45 柱插筋构造二图 3基础插筋(基础主梁中)当基础梁底与基础板底一平常:基础插筋长度=基础高度-保护层+基础弯折 a+基础钢筋外露长度 Hn/3+与上层纵筋搭接 llE(如采纳焊接时,搭接长度为 0)1、04G101-3P32 柱插筋构造一图 4当基础梁顶与基础板顶一平常:基础插筋长度=基础高度-保护层+基础弯折 a+基础钢筋外露长度 Hn/3+与上层纵筋搭接 llE(如采纳焊接时,搭接长度为 0)2、04G101-3P32 柱插筋构造二图 5(图 2) (图 3)(图 4) (图 5)弯钩长度 a 的取值表:柱墙插筋锚固竖直长度与弯钩长度对比表竖直长度弯钩长度 a≥0.5laE(≥0.5la)12d 且≥150≥0.6laE(≥0.6la)10d 且≥150≥0.7laE(≥0.7la)8d 且≥150≥0.8laE(≥0.8la)6d 且≥150三、柱根的推断(03G101-1P41、GB50010-2025 P178)底层柱的柱根系指地下室的顶面或无地下室情况的基础顶面;柱根加密区长度应取不小于该层柱净高的 1/3;有刚性地面时,除柱端箍筋加密区外,尚应在刚性地面上、下各 500mm 的高度范围内加密箍筋。(图 6)(图 6) 注:1、柱根:有地下室时的柱根指的是基础顶面或基础梁顶面和首层楼面位置,无地下室无基础梁时指的是基础顶面,无地下室有基础梁时指的是基础梁顶面;2、底层柱:有地下室时的底层柱指的是相邻基础层和首层,无地下室无基础梁时指的是从基础顶面至首层顶板,无地下室有基础梁时指的是基础梁顶面至首层顶板;3、底层柱净高:有地下室时的底层柱净高指的是:基础顶面或基础梁顶面至相邻基础层的顶板梁下皮的高度和首层楼面到顶板梁下皮的高度,无地下室无基础梁时的底层柱净高指的是:从基础顶面至首层顶板梁下皮的高度,无地下室有基础梁时的底层柱净高指的是基础梁顶面至首层顶板梁下皮的高度。四、...

1、当您付费下载文档后,您只拥有了使用权限,并不意味着购买了版权,文档只能用于自身使用,不得用于其他商业用途(如 [转卖]进行直接盈利或[编辑后售卖]进行间接盈利)。
2、本站所有内容均由合作方或网友上传,本站不对文档的完整性、权威性及其观点立场正确性做任何保证或承诺!文档内容仅供研究参考,付费前请自行鉴别。
3、如文档内容存在违规,或者侵犯商业秘密、侵犯著作权等,请点击“违规举报”。

碎片内容

钢筋平法计算手册(二)

您可能关注的文档

确认删除?
VIP
微信客服
  • 扫码咨询
会员Q群
  • 会员专属群点击这里加入QQ群
客服邮箱
回到顶部