电脑桌面
添加小米粒文库到电脑桌面
安装后可以在桌面快捷访问

青海某炼油厂锅炉房钢彩板围护工程施工方案

青海某炼油厂锅炉房钢彩板围护工程施工方案_第1页
1/17
青海某炼油厂锅炉房钢彩板围护工程施工方案_第2页
2/17
青海某炼油厂锅炉房钢彩板围护工程施工方案_第3页
3/17
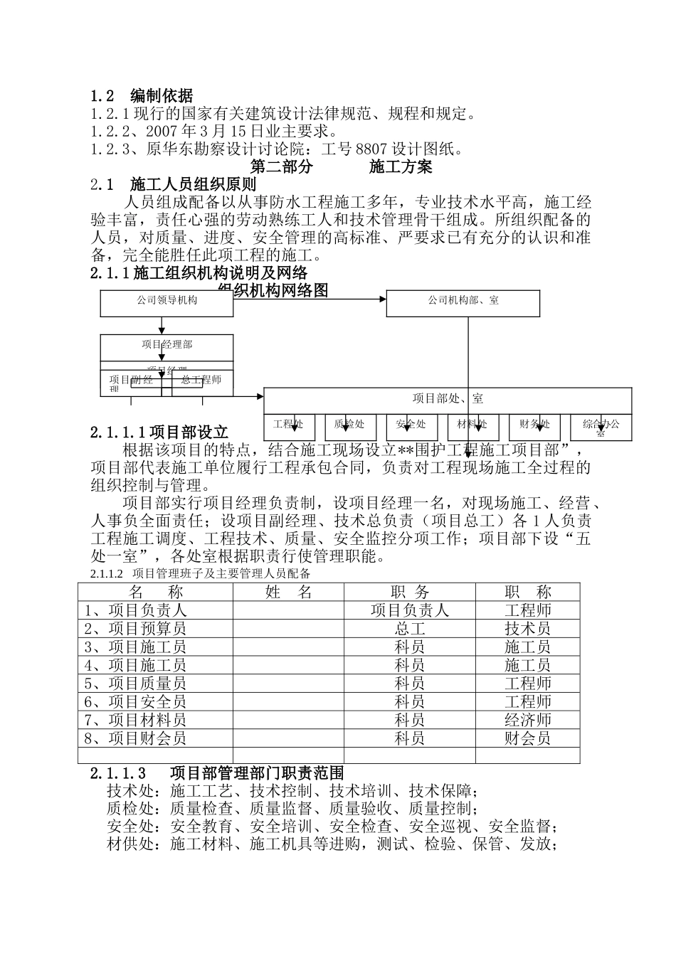
**工程施工方案编制人: 审核人: 批准人: 第一部分 设计编制1.1 工程概况项目名称:**围护工程工程性质:维修工程地点:原设计单位: 工程工期:2025 年 3 月 日开工至 2025 年 5 月 日竣工质量等级:合格,工程内容:1、型钢龙骨与原结构连接;2、外围钢彩板围护1.2 编制依据1.2.1 现行的国家有关建筑设计法律规范、规程和规定。1.2.2、2007 年 3 月 15 日业主要求。1.2.3、原华东勘察设计讨论院:工号 8807 设计图纸。第二部分 施工方案2.1 施工人员组织原则 人员组成配备以从事防水工程施工多年,专业技术水平高,施工经验丰富,责任心强的劳动熟练工人和技术管理骨干组成。所组织配备的人员,对质量、进度、安全管理的高标准、严要求已有充分的认识和准备,完全能胜任此项工程的施工。2.1.1 施工组织机构说明及网络组织机构网络图 2.1.1.1 项目部设立根据该项目的特点,结合施工现场设立**围护工程施工项目部”,项目部代表施工单位履行工程承包合同,负责对工程现场施工全过程的组织控制与管理。项目部实行项目经理负责制,设项目经理一名,对现场施工、经营、人事负全面责任;设项目副经理、技术总负责(项目总工)各 1 人负责工程施工调度、工程技术、质量、安全监控分项工作;项目部下设“五处一室”,各处室根据职责行使管理职能。2.1.1.2 项目管理班子及主要管理人员配备名 称姓 名职 务职 称1、项目负责人项目负责人工程师2、项目预算员总工技术员3、项目施工员科员施工员4、项目施工员科员施工员5、项目质量员科员工程师6、项目安全员科员工程师7、项目材料员科员经济师8、项目财会员科员财会员2.1.1.3 项目部管理部门职责范围技术处:施工工艺、技术控制、技术培训、技术保障;质检处:质量检查、质量监督、质量验收、质量控制;安全处:安全教育、安全培训、安全检查、安全巡视、安全监督;材供处:施工材料、施工机具等进购,测试、检验、保管、发放;公司领导机构项目经理部项目经理项目副 经理总工程师公司机构部、室项目部处、室质检处安全处材料处财务处综合办公室工程处计财处:工程预、结算、财务报表、工资发放、劳保等;综合办公室:人员调配、机具调运、文秘、企管、宣传、接待、文件资料、车辆、食宿等。2.1.2 劳动力组织及计划安排2.1.2.1 劳动力组织根据工程实际需要,选派多年从事建筑装饰施工、涂装、架子搭设等精干技工,组建相应的作业班组。作业班组设置为:安装班、...

1、当您付费下载文档后,您只拥有了使用权限,并不意味着购买了版权,文档只能用于自身使用,不得用于其他商业用途(如 [转卖]进行直接盈利或[编辑后售卖]进行间接盈利)。
2、本站所有内容均由合作方或网友上传,本站不对文档的完整性、权威性及其观点立场正确性做任何保证或承诺!文档内容仅供研究参考,付费前请自行鉴别。
3、如文档内容存在违规,或者侵犯商业秘密、侵犯著作权等,请点击“违规举报”。

碎片内容

青海某炼油厂锅炉房钢彩板围护工程施工方案

您可能关注的文档

确认删除?
VIP
微信客服
  • 扫码咨询
会员Q群
  • 会员专属群点击这里加入QQ群
客服邮箱
回到顶部