电脑桌面
添加小米粒文库到电脑桌面
安装后可以在桌面快捷访问

预制钢筋混凝土隔墙板安装工程质量管理

预制钢筋混凝土隔墙板安装工程质量管理_第1页
1/4
预制钢筋混凝土隔墙板安装工程质量管理_第2页
2/4
预制钢筋混凝土隔墙板安装工程质量管理_第3页
3/4
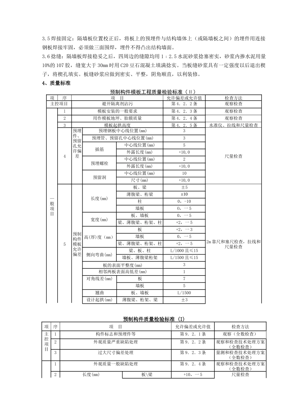
预制钢筋混凝土隔墙板安装工程质量管理1、依据标准《建筑工程施工质量验收统一标准》 GB50300-2001《钢筋混凝土结构工程施工质量验收法律规范》 GB50204-2025《高层建筑混凝土技术规程》 JGJ3 -2025《普通混凝土配合比设计规程》 JGJ55-2000《砌筑砂浆配合比设计规程》 JGJ98-2000《普通混凝土用砂质量标准及检验方法》 JGJ52-92《普通混凝土用碎石和卵石质量标准及检验方法》GJ53-92《混凝土外加剂应用技术法律规范》 GBJ119-882、施工准备2.1 材料及主要机具:2.1.1 钢筋混凝土预制隔墙板:质量应符合《钢筋混凝土预制构件质量检验评定标准》,应有出厂合格证。在墙板上应标明型号及正反号,盖有检验合格章。2.1.2 焊条:采纳 E43 型焊条,应有出厂合格证。2.1.3 连接钢板:一般为 40×60×40×4(mm)。2.1.4 连接钢筋:一般直径不得小于 ф10,长 100~120(mm)。2.1.5 水泥:425 号、525 号。2.1.6 主要机具:利用主体结构吊装机械及工具。2.2 作业条件:2.2.1 根据施工现场平面布置图所示位置存放隔墙板,存放场地应平整、坚实、防止积水、沉陷。存放隔墙板的插放架要牢固、稳定。隔墙板应分型号存放。2.2.2 按设计图纸核查板号,并核查板上的预埋铁件是否齐全,并将上面的杂物、铁锈清理洁净。隔墙板上的吊环要齐全牢固。2.2.3 在安装的楼层上将安装部位清理洁净,在隔墙板相邻的主要结构上弹好墙板安装定位立面位置线。在楼面上弹好墙板平面位置线。将墙板型号写在楼地面安装位置的外侧。2.2.4 检查结构墙体和楼地面连接隔墙板的埋件是否齐全,位置是否正确。被遗漏的应打孔重新埋设补齐。3、操作工艺3.1 工艺流程:安装就位→检查、校正→支撑、加固→焊接固定→捻缝。3.2 安装就位:隔墙板安装有两种方法,一种是可以随着结构施工在扣楼板前将板吊入随吊随安装、焊接;另一种是在扣楼板前将各房间需要的墙吊入房间内靠墙放稳当,待以后人工进行安装。3.3 检查校正:安装时核对型号,防止发生安锚板号的现象。安装时根据楼面上已弹好的位置线摆放楔子,放稳墙板,用卡具在吊环部位对墙板作临时支撑卡牢。复查安装位置,调整偏差,用托线板作垂直校正。3.4 支撑加固:隔墙板水平位置及竖直位置校正以后,在吊环部位加支撑,将板下端的楔子揹紧,防止位移、歪移。板下缝高度以 20~30mm 为宜。严禁将隔墙板直接座落在楼板上干摆浮搁,而不加任何处理。3.5 焊接固定:隔墙板位置校正后,将板上的预...

1、当您付费下载文档后,您只拥有了使用权限,并不意味着购买了版权,文档只能用于自身使用,不得用于其他商业用途(如 [转卖]进行直接盈利或[编辑后售卖]进行间接盈利)。
2、本站所有内容均由合作方或网友上传,本站不对文档的完整性、权威性及其观点立场正确性做任何保证或承诺!文档内容仅供研究参考,付费前请自行鉴别。
3、如文档内容存在违规,或者侵犯商业秘密、侵犯著作权等,请点击“违规举报”。

碎片内容

预制钢筋混凝土隔墙板安装工程质量管理

您可能关注的文档

确认删除?
VIP
微信客服
  • 扫码咨询
会员Q群
  • 会员专属群点击这里加入QQ群
客服邮箱
回到顶部