电脑桌面
添加小米粒文库到电脑桌面
安装后可以在桌面快捷访问

二次结构墙体拆除方案2025

二次结构墙体拆除方案2025_第1页
1/2
二次结构墙体拆除方案2025_第2页
2/2
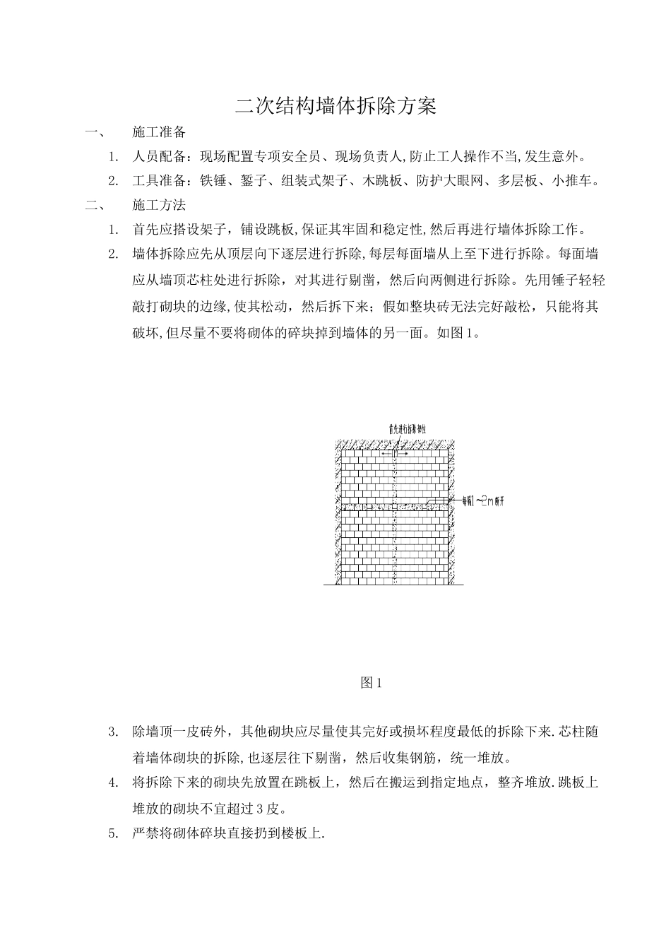
二次结构墙体拆除方案一、施工准备1. 人员配备:现场配置专项安全员、现场负责人,防止工人操作不当,发生意外。2. 工具准备:铁锤、錾子、组装式架子、木跳板、防护大眼网、多层板、小推车。二、施工方法1. 首先应搭设架子,铺设跳板,保证其牢固和稳定性,然后再进行墙体拆除工作。2. 墙体拆除应先从顶层向下逐层进行拆除,每层每面墙从上至下进行拆除。每面墙应从墙顶芯柱处进行拆除,对其进行剔凿,然后向两侧进行拆除。先用锤子轻轻敲打砌块的边缘,使其松动,然后拆下来;假如整块砖无法完好敲松,只能将其破坏,但尽量不要将砌体的碎块掉到墙体的另一面。如图 1。图 13. 除墙顶一皮砖外,其他砌块应尽量使其完好或损坏程度最低的拆除下来.芯柱随着墙体砌块的拆除,也逐层往下剔凿,然后收集钢筋,统一堆放。4. 将拆除下来的砌块先放置在跳板上,然后在搬运到指定地点,整齐堆放.跳板上堆放的砌块不宜超过 3 皮。5. 严禁将砌体碎块直接扔到楼板上.6. 墙体每段拆除高差不要大于 1m,防止墙体倾倒.7. 当拆至水平系梁和过梁时,将水平系梁和过梁每隔 1~2m 进行剔凿断开,便于拆除和搬运。见图 1。8. 拆除的砌块搬运到楼外指定地点整齐堆放,水平系梁和过梁进行破裂,将其钢筋收集统一堆放。9. 墙体拆除后,遗留下的砂浆、砌体碎块应及时进行清理。三、安全防护措施1. 在墙体人员操作的另一面,搭设 1m 宽,1m 高的架子,并铺设水平大眼网,在下方铺多层板,防止碎砌块掉下来对楼板造成不利影响和破坏。如下图 2。图 22. 当拆除层高比较高的楼层墙体时,为防止墙体在拆除发生倾倒,在墙体的两侧用钢管加木方对墙体进行支顶。四、安全注意事项1. 在现场设置专职安全监护人员明确其职责。2. 作业区周边设置安全围挡及警示牌,尤其是行政楼中央大厅上方两侧墙体拆除时,大厅必须设置警戒围挡,严禁进入,并派专人监护,严禁无关人员进入.3. 施工人员进入现场时,必须佩戴安全帽.作业面高度大于 2m 时,应系安全带,系挂牢固,高挂低用,应穿防滑鞋,应把手头工具放在工具袋内,高处拆除作业应设计搭设专用的脚手架或作业平台。4. 水平作业时,操作人员应保持安全距离。5. 拆除过程中严禁将临边洞口的防护拆除,如必须拆除时,需经现场负责人同意后,方可拆除,工作完成后应立即恢复。

1、当您付费下载文档后,您只拥有了使用权限,并不意味着购买了版权,文档只能用于自身使用,不得用于其他商业用途(如 [转卖]进行直接盈利或[编辑后售卖]进行间接盈利)。
2、本站所有内容均由合作方或网友上传,本站不对文档的完整性、权威性及其观点立场正确性做任何保证或承诺!文档内容仅供研究参考,付费前请自行鉴别。
3、如文档内容存在违规,或者侵犯商业秘密、侵犯著作权等,请点击“违规举报”。

碎片内容

二次结构墙体拆除方案2025

一二三四传媒+ 关注
实名认证
内容提供者

大量资料供您选择,没有合适的可以联系小二。

确认删除?
VIP
微信客服
  • 扫码咨询
会员Q群
  • 会员专属群点击这里加入QQ群
客服邮箱
回到顶部