电脑桌面
添加小米粒文库到电脑桌面
安装后可以在桌面快捷访问

住宅工程质量分户验收记录全套表格

住宅工程质量分户验收记录全套表格_第1页
1/5
住宅工程质量分户验收记录全套表格_第2页
2/5
住宅工程质量分户验收记录全套表格_第3页
3/5
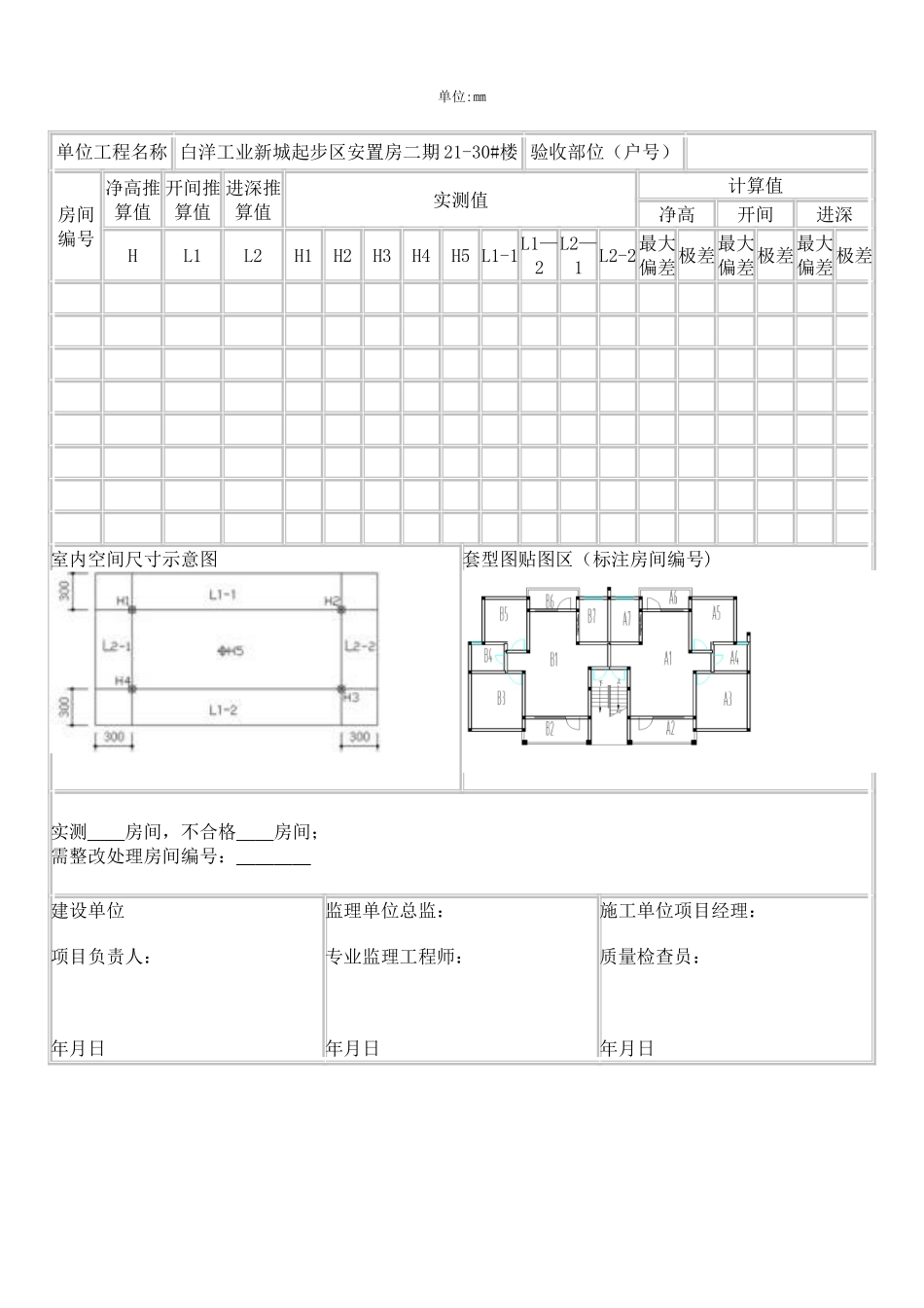
住宅工程质量分户验收记录(户内部分)住宅工程质量分户验收记录(公共部位)工程名称白洋工业新城起步区安置房二期 21-30#楼房(户)号号楼 单元 户建设单位北京恒泰鑫耀投资有限公司验收时间年 月 日监理单位 葛洲坝集团项目管理有限公司施工单位宜昌天成建设工程有限公司序号验收项目验收内容验收结论及记录1室内空间、构件尺寸 室内净高、净开间、梁、窗台等构件尺寸及现浇楼板厚度等 2楼地面、墙面和天棚 裂缝、空鼓、脱层、地面起砂、墙面爆灰等 3门窗窗台高度、门窗开启、安全玻璃标识等 4防水屋面渗漏、卫生间等防水地面渗漏、外墙渗漏等 5建筑节能保温墙体、门窗、地面节能保温等 6水暖安装管道渗漏、管道堵塞、管道坡度、安装固定、地漏水封、热表和温控阀等 7电气插座相序、接地、户内照明配电箱配置、照明试验、等电位连接等 8栏杆栏杆高度、竖杆间距、防攀爬措施、栏杆玻璃等 9其它烟道、空调孔位置等 分户验收结论 建设单位监理单位施工单位其它单位项目负责人:验收人员:(章)年 月 日总监理工程师:验收人员:(章)年 月 日项目经理:验收人员:(章)年 月 日项目负责人:验收人员:(章) 年 月 日工程名称白洋工业新城起步区安置房二期 21-30#楼检查项目及部位 建设单位北京恒泰鑫耀投资有限公司 验收时间 年 月 日监理单位葛洲坝集团项目管理有限公司 施工单位宜昌天成建设工程有限公司序号验收项目验收内容验收记录及结论1外墙窗角斜裂缝 墙面裂缝等 2楼(电)梯、通道楼梯踏步、梯段及平台净宽,走廊、内天井及上人屋面等临空处栏杆设置,楼梯扶手高度及垂直杆件净距,电梯候梯厅深度、电梯门净宽,高层首层疏散外门及通道宽度,公用走道净高等 3地下室墙面及天棚渗漏、裂缝地面裂缝、起砂 通道净高等 综合验收结论 建设单位监理单位施工单位其它单位项目负责人:验收人员:(公章) 年 月 日总监理工程师:验收人员: (公章) 年 月 日项目经理:验收人员: (公章)年 月 日项目负责人:验收人员: (公章) 年 月 日室内空间尺寸分户验收记录表单位:㎜单位工程名称 白洋工业新城起步区安置房二期 21-30#楼 验收部位(户号)房间编号净高推算值开间推算值进深推算值实测值计算值净高开间进深HL1L2H1H2H3H4H5 L1-1L1—2L2—1L2-2最大偏差极差最大偏差极差最大偏差极差 室内空间尺寸示意图套型图贴图区(标注房间编号)实测 房间,不合格 房间;需整改处理房间编号:...

1、当您付费下载文档后,您只拥有了使用权限,并不意味着购买了版权,文档只能用于自身使用,不得用于其他商业用途(如 [转卖]进行直接盈利或[编辑后售卖]进行间接盈利)。
2、本站所有内容均由合作方或网友上传,本站不对文档的完整性、权威性及其观点立场正确性做任何保证或承诺!文档内容仅供研究参考,付费前请自行鉴别。
3、如文档内容存在违规,或者侵犯商业秘密、侵犯著作权等,请点击“违规举报”。

碎片内容

住宅工程质量分户验收记录全套表格

您可能关注的文档

办公文档专营+ 关注
实名认证
内容提供者

大量办公文档,欢迎选择

确认删除?
VIP
微信客服
  • 扫码咨询
会员Q群
  • 会员专属群点击这里加入QQ群
客服邮箱
回到顶部