电脑桌面
添加小米粒文库到电脑桌面
安装后可以在桌面快捷访问

公司各办公用房弱电改造方案-2-

公司各办公用房弱电改造方案-2-_第1页
1/18
公司各办公用房弱电改造方案-2-_第2页
2/18
公司各办公用房弱电改造方案-2-_第3页
3/18
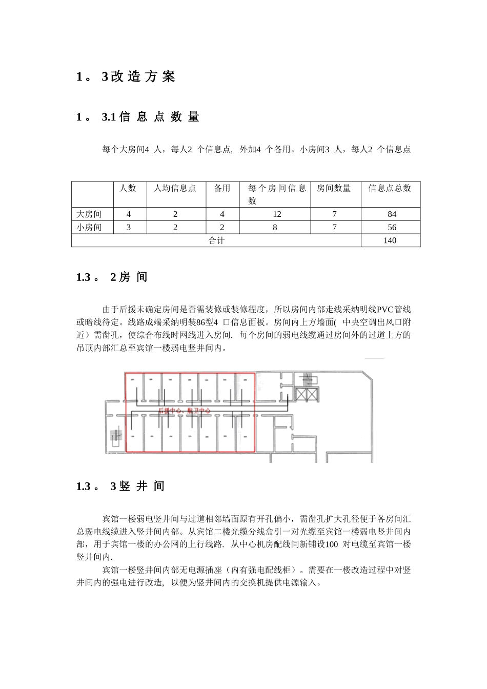
公司各办公用房弱电改造方案1. 宾 馆 一 楼 办 公 区 弱 电 改 造1 。 1 办 公 区 域 安 排宾馆一楼涉及房间共14个(7 个大房间,7 个小房间) 。每个大房间计划供4 人办公,每个小房间计划供2-3 人办公。1 。 2 场 地 环 境每个房间内无信息点。宾馆一楼有弱电竖井间,但内部无任何设施设备。二楼中心机房配线间有光缆至宾馆二楼弱电竖井间(内部有光收发器和非网管交换机)。宾馆竖井间内无空调、UPS 、防雷接地设施。1 。 3 改 造 方 案1 。 3.1 信 息 点 数 量每个大房间4 人,每人2 个信息点, 外加4 个备用。小房间3 人,每人2 个信息点人数人均信息点备用每 个 房 间 信 息数房间数量信息点总数大房间42412784小房间3228756合计1401.3 。 2 房 间由于后援未确定房间是否需装修或装修程度,所以房间内部走线采纳明线PVC管线或暗线待定。线路成端采纳明装86型4 口信息面板。房间内上方墙面( 中央空调出风口附近)需凿孔,使综合布线时网线进入房间. 每个房间的弱电线缆通过房间外的过道上方的吊顶内部汇总至宾馆一楼弱电竖井间内。1.3 。 3 竖 井 间宾馆一楼弱电竖井间与过道相邻墙面原有开孔偏小,需凿孔扩大孔径便于各房间汇总弱电线缆进入竖井间内部。从宾馆二楼光缆分线盒引一对光缆至宾馆一楼弱电竖井间内部,用于宾馆一楼的办公网的上行线路. 从中心机房配线间新铺设100 对电缆至宾馆一楼竖井间内.宾馆一楼竖井间内部无电源插座(内有强电配线柜)。需要在一楼改造过程中对竖井间内的强电进行改造, 以便为竖井间内的交换机提供电源输入。竖井间内安放布线机柜,各房间线缆汇总至布线机柜. 竖井间内安放48口交换机2 台,并配备小型UPS 用于稳压。交换机采纳堆叠技术简化管理。1 。 3.4 中 心 机 房 配 线 间在中心机房配线间内的思科3750交换机上新增1 个光模块接口, 连接宾馆一楼交换机。1.4设 备 清 单设备部分施工布线部分名称型号单位超五类四对双绞线大唐电信箱配线架大唐电信 110AB2个配线架大唐电信 多媒体配线架个理线架大唐电信个86底盒个四口面板个超五类模块大唐电信个通信电缆HYA 100 对米光纤跳线大唐电信, 多模,SC—LC,3米根光纤跳线大唐电信, 多模,SC-LC,20米根工作区电缆桥架200 *100mm米工作区电缆桥架100 *500mm米PVC 管、RJ-45、RJ-11 水晶头及其他零星材料批2。 机 关 大 楼 五 楼 弱 电 改 造2 。...

1、当您付费下载文档后,您只拥有了使用权限,并不意味着购买了版权,文档只能用于自身使用,不得用于其他商业用途(如 [转卖]进行直接盈利或[编辑后售卖]进行间接盈利)。
2、本站所有内容均由合作方或网友上传,本站不对文档的完整性、权威性及其观点立场正确性做任何保证或承诺!文档内容仅供研究参考,付费前请自行鉴别。
3、如文档内容存在违规,或者侵犯商业秘密、侵犯著作权等,请点击“违规举报”。

碎片内容

公司各办公用房弱电改造方案-2-

您可能关注的文档

确认删除?
VIP
微信客服
  • 扫码咨询
会员Q群
  • 会员专属群点击这里加入QQ群
客服邮箱
回到顶部