电脑桌面
添加小米粒文库到电脑桌面
安装后可以在桌面快捷访问

六层框架结构住宅施工组织设计

六层框架结构住宅施工组织设计_第1页
1/2
六层框架结构住宅施工组织设计_第2页
2/2
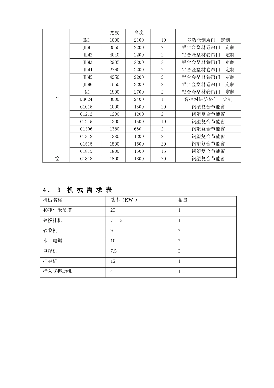
4 施 工 准 备 与 资 源 配 置4 。 1 劳 动 力 需 求 表工种类别按工程施工段投入劳动力基础工程主体工程屋面工程装饰工程楼地面门窗工程电气工程木工1020钢筋工616瓦工5862321砼工1012抹灰工461818架工56油工6663电工12232管道工133669普工2016651263总计628329615912154 。 2 材 料 需 求4.2.1 主要材料表材料规格单位数量钢筋ⅠⅡ 冷轧t82.96水泥42。5t182.01多孔砖240 *115*90千块258 。66实心砖240 *115*53千块14。15防水材料4 厚㎡455碎石16mmt0 。56黄沙综合t0 。334.2 。2 门窗表类别设计编号洞口尺寸(mm)数量备注宽度高度门HM11000210010多功能钢质门 定制JLM1356022002铝合金型材卷帘门 定制JLM2404022002铝合金型材卷帘门 定制JLM3290522002铝合金型材卷帘门 定制JLM4276022002铝合金型材卷帘门 定制JLM5495022002铝合金型材卷帘门 定制JLM6155022002铝合金型材卷帘门 定制M1180027002铝合金型材卷帘门 定制M3024300024001智控对讲防盗门 定制窗C10151000150020钢塑复合节能窗C1212120012002钢塑复合节能窗C12151200150010钢塑复合节能窗C130613806802钢塑复合节能窗C1312138012002钢塑复合节能窗C15151500150020钢塑复合节能窗C18151800150015钢塑复合节能窗C18181800180020钢塑复合节能窗4 。 3 机 械 需 求 表机械名称功率(KW )数量40吨• 米吊塔231砼搅拌机7 。51砂浆机92木工电锯102电焊机7.52打夯机121插入式振动机41.1

1、当您付费下载文档后,您只拥有了使用权限,并不意味着购买了版权,文档只能用于自身使用,不得用于其他商业用途(如 [转卖]进行直接盈利或[编辑后售卖]进行间接盈利)。
2、本站所有内容均由合作方或网友上传,本站不对文档的完整性、权威性及其观点立场正确性做任何保证或承诺!文档内容仅供研究参考,付费前请自行鉴别。
3、如文档内容存在违规,或者侵犯商业秘密、侵犯著作权等,请点击“违规举报”。

碎片内容

六层框架结构住宅施工组织设计

您可能关注的文档

确认删除?
VIP
微信客服
  • 扫码咨询
会员Q群
  • 会员专属群点击这里加入QQ群
客服邮箱
回到顶部