电脑桌面
添加小米粒文库到电脑桌面
安装后可以在桌面快捷访问

分户验收实测实量表

分户验收实测实量表_第1页
1/18
分户验收实测实量表_第2页
2/18
分户验收实测实量表_第3页
3/18
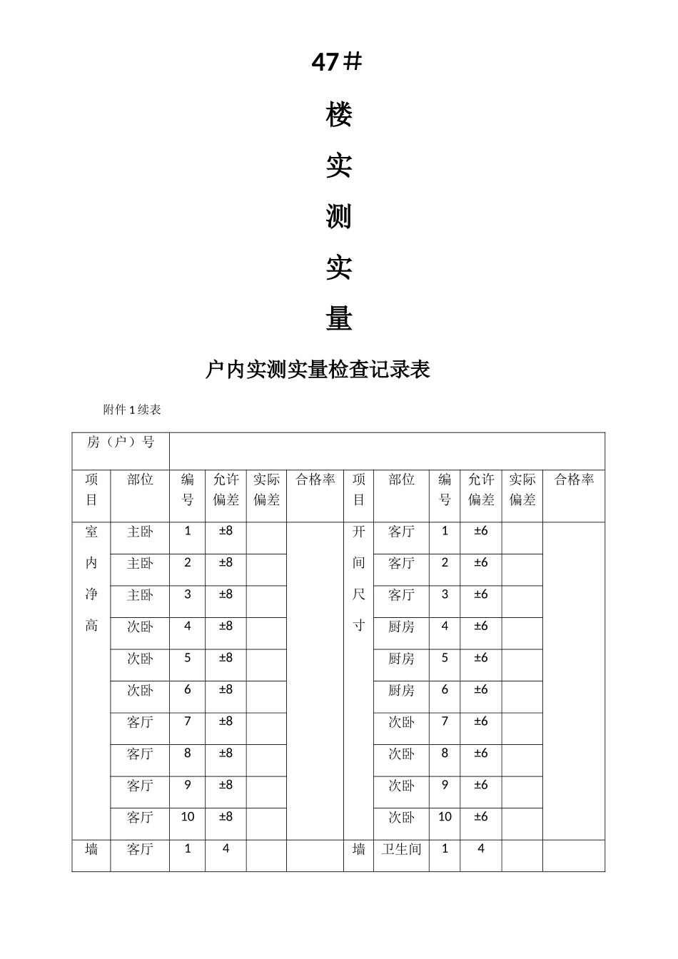
47#楼实测实量户内实测实量检查记录表附件 1 续表房(户)号项目部位编号允许偏差实际偏差合格率项目部位编号允许偏差实际偏差合格率室内净高主卧1±8开间尺寸客厅1±6主卧2±8客厅2±6主卧3±8客厅3±6次卧4±8厨房4±6次卧5±8厨房5±6次卧6±8厨房6±6客厅7±8次卧7±6客厅8±8次卧8±6客厅9±8次卧9±6客厅10±8次卧10±6墙客厅14墙卫生间14体表面平整度体立面垂直度客厅24卫生间24客厅34厨房34主卧44厨房44主卧54主卧58主卧64主卧68次卧74主卧78次卧84次卧88次卧94次卧98次卧104次卧108阴阳角方正客厅14地面表面平整度客厅110客厅24客厅210客厅34客厅310主卧44次卧410主卧54次卧510主卧64厨房61主卧74厨房71次卧84厨房81次卧94卫生间91次卧104卫生间101平面图: 检查人:记录人:检查日期:户内实测实量检查记录表附件 1 续表房(户)号项目部位编号允许偏差实际偏差合格率项目部位编号允许偏差实际偏差合格率室内净高主卧1±8开间尺寸客厅1±6主卧2±8客厅2±6主卧3±8客厅3±6次卧4±8厨房4±6次卧5±8厨房5±6次卧6±8厨房6±6客厅7±8次卧7±6客厅8±8次卧8±6客厅9±8次卧9±6客厅10±8次卧10±6墙体表面平整度客厅14墙体立面垂直度卫生间14客厅24卫生间24客厅34厨房34主卧44厨房44主卧54主卧58主卧64主卧68次卧74主卧78次卧84次卧88次卧94次卧98次卧104次卧108阴阳角客厅14地面表客厅110客厅24客厅210客厅34客厅310方正面平整度主卧44次卧410主卧54次卧510主卧64厨房61主卧74厨房71次卧84厨房81次卧94卫生间91次卧104卫生间101平面图: 检查人:记录人:检查日期:户内实测实量检查记录表附件 1 续表房(户)号项目部位编号允许偏差实际偏差合格率项目部位编号允许偏差实际偏差合格率室内净高主卧1±8开间尺寸客厅1±6主卧2±8客厅2±6主卧3±8客厅3±6次卧4±8厨房4±6次卧5±8厨房5±6次卧6±8厨房6±6客厅7±8次卧7±6客厅8±8次卧8±6客厅9±8次卧9±6客厅10±8次卧10±6墙客厅14墙卫生间14体表面平整度体立面垂直度客厅24卫生间24客厅34厨房34主卧44厨房44主卧54主卧58主卧64主卧68次卧74主卧78次卧84次卧88次卧94次卧98次卧104次卧108阴阳角方正客厅14地面表面平整度客厅110客厅24客厅210客厅34客厅310主卧44次卧410主卧54次卧510主卧64厨房61主卧74厨房71次卧84厨房81次卧94卫生间91次卧104卫生间101平面图: 检查人:记录人:检查日期:户内实测实量检查记录表附件 1 续表房(户)号项部位编允许实际合格率项部位编允...

1、当您付费下载文档后,您只拥有了使用权限,并不意味着购买了版权,文档只能用于自身使用,不得用于其他商业用途(如 [转卖]进行直接盈利或[编辑后售卖]进行间接盈利)。
2、本站所有内容均由合作方或网友上传,本站不对文档的完整性、权威性及其观点立场正确性做任何保证或承诺!文档内容仅供研究参考,付费前请自行鉴别。
3、如文档内容存在违规,或者侵犯商业秘密、侵犯著作权等,请点击“违规举报”。

碎片内容

分户验收实测实量表

您可能关注的文档

确认删除?
VIP
微信客服
  • 扫码咨询
会员Q群
  • 会员专属群点击这里加入QQ群
客服邮箱
回到顶部