电脑桌面
添加小米粒文库到电脑桌面
安装后可以在桌面快捷访问

东妙GB项目施组[1]VIP免费

东妙GB项目施组[1]_第1页
1/107
东妙GB项目施组[1]_第2页
2/107
东妙GB项目施组[1]_第3页
3/107
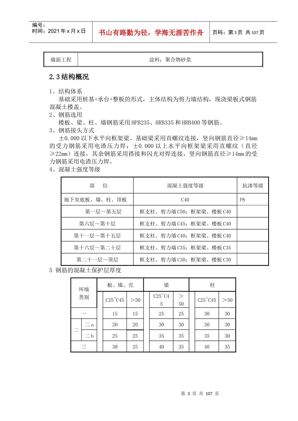
第1页共107页编号:时间:2021年x月x日书山有路勤为径,学海无涯苦作舟页码:第1页共107页1.编制依据及说明1.1编制依据1、南京市建筑设计院有限公司、南京百市建筑设计院有限公司设计的东妙峰庵工程(B栋)施工图。2、招、投标文件等。3、工程建设标准强制性条文。4、建设工程质量管理条例。5、公司QES系列保证体系文件。6、国家的有关规范、规程、标准及文件。7、工程地理位置,现场自然环境、交通及现场条件。1.2编制说明针对本工程的实际情况和招标文件要求,在施工组织设计中我们把施工总体目标、施工总平面布置图、施工总进度计划、施工机械设备、劳动力计划、主要项目施工方法、工程质量保证措施、工期保证措施、安全文明施工保证措施、环境保护措施、职业健康安全在本施工组织设计中作重点阐述,其他常规性施工项目的施工方法仅作一般性阐述,以体现本施工组织设计的全面性、科学性、针对性和可操作性。我公司机构健全,公司总工、工程部(下设技术处、质量处、安全处、机械设备处)是指导、督促和检查履行工期,执行国家及地方标准、规范、规程、施工组织设计和公司规章制度的职能部门,使工程安全、质量、文明施工和工期得到了有效的保证。该工程中的专项施工方案在本施工组织设计中只是简要阐述。施工前,会编制详细的专项施工方案。具体专项方案如下:质量计划;质量创优计划;文明施工安全专项方案;临时用水、用电专项施工方案;测量专项施工方案;后浇带专项施工方案;地下室大体积混凝土专项施工方案;土方回填专项施工方案;防水施工方案;地下室钢筋、模板工程专项施工方案;起重机械设备专项施工方案;主体钢筋、模板、混凝土工程专项施工方案;外墙脚手架专项施工方案;钢平台专项施工方案;砌体工程专项施工方案;粉刷工程专项施工方案;外墙保温工程专项施工方案;冬期、雨期等季节性专项施工方案。本施工组织设计为土建部分。第2页共107页第1页共107页编号:时间:2021年x月x日书山有路勤为径,学海无涯苦作舟页码:第2页共107页2.工程概况2.1工程简介工程名称:东妙庵项目(B栋)建设单位:南京海润房地产开发有限公司设计单位:南京市建筑设计院有限公司、南京百市建筑设计院有限公司监理单位:深圳中海工程顾问有限公司施工单位:江苏省建筑工程集团有限公司建筑面积:地下约2000㎡,地上16359㎡。结构类型:框架-抗震墙结构南京海润房地产开发有限公司投资建设的东妙GB项目,位于鼓楼区东妙峰庵,东至妙峰庵规划道路,西至盐仓桥广场,工程地处盐仓桥广场。2.2建筑概况建筑面积16359平方米设计使用年限50年防水等级地下工程为二级屋面防水等级为Ⅱ级防火设计一级建筑层数地下1层,地上23层建筑高度(檐口高度)79.25米绝对标高9.90m人防性质核6级使用功能地下室一层为汽车库和人防;一、二层为百货商店;三层为社区文化用房、老人活动用房等;四至二十三层为酒店式办公楼。墙体工程±0.000以下为标准水泥砖,M10水泥砂浆砌筑;地上外墙为页岩空心砖,M5混合砂浆砌筑;内墙为100~400加气混凝土块,M5~7混合砂浆砌筑。防水工程屋面采用自粘性高聚物改性沥青防水卷材;地下外墙采用聚氨酯防水涂料;卫生间采用聚氨酯防水涂料。门窗工程地下室主要有、防护门、防护密闭门;地上部分有铝合金门、铝合金门连窗等。油漆工程内墙采用乳胶漆墙面;楼梯、平台、护窗钢栏杆选用白色调和漆节能工程外墙采用30厚RE外墙复合保温砂浆;屋面为30厚挤塑保温板;玻璃采用中空玻璃。楼地面工程细石混凝土楼地面;水泥砂浆楼地面第3页共107页第2页共107页编号:时间:2021年x月x日书山有路勤为径,学海无涯苦作舟页码:第3页共107页墙面工程涂料;聚合物砂浆2.3结构概况1、结构体系基础采用桩基+承台+整板的形式,主体结构为剪力墙结构,现浇梁板式钢筋混凝土楼盖。2、钢筋选用楼板、梁、柱、墙钢筋采用HPB235、HRB335和HRB400等钢筋。3、钢筋接头方式±0.000以下水平向框架梁、基础梁采用直螺纹连接,竖向钢筋直径≥14mm的受力钢筋采用电渣压力焊;±0.000以上水平向框架梁采用直螺纹(直径≥22mm)连接,其余钢筋采用搭接和闪光对焊连接,竖向钢筋直径≥14mm的受力钢筋采用...

1、当您付费下载文档后,您只拥有了使用权限,并不意味着购买了版权,文档只能用于自身使用,不得用于其他商业用途(如 [转卖]进行直接盈利或[编辑后售卖]进行间接盈利)。
2、本站所有内容均由合作方或网友上传,本站不对文档的完整性、权威性及其观点立场正确性做任何保证或承诺!文档内容仅供研究参考,付费前请自行鉴别。
3、如文档内容存在违规,或者侵犯商业秘密、侵犯著作权等,请点击“违规举报”。

碎片内容

东妙GB项目施组[1]

确认删除?
VIP
微信客服
  • 扫码咨询
会员Q群
  • 会员专属群点击这里加入QQ群
客服邮箱
回到顶部