电脑桌面
添加小米粒文库到电脑桌面
安装后可以在桌面快捷访问

利友食品有限公司食品质量安全手册VIP免费

利友食品有限公司食品质量安全手册_第1页
1/55
利友食品有限公司食品质量安全手册_第2页
2/55
利友食品有限公司食品质量安全手册_第3页
3/55
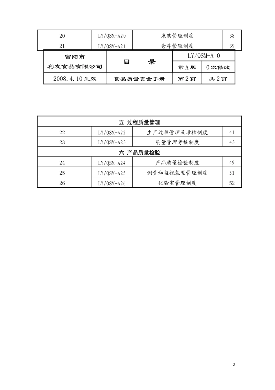
富阳市利友食品有限公司目录LY/QSM-A0第A版0次修改2008.4.10生效食品质量安全手册第1页共2页序号文件编号文件名称页号1LY/QSM-A1手册更改页32LY/QSM-A2公司简介4一质量管理职责3LY/QSM-A3组织机构图54LY/QSM-A4颁布令、质量负责人任命65LY/QSM-A5质量方针、目标76LY/QSM-A6各部门质量分目标及考核细则97LY/QSM-A7质量方针、质量目标承诺和任命书108LY/QSM-A8各部门岗位职责119LY/QSM-A9不合格管理制度1410LY/QSM-A10纠正措施管理制度17二企业场所要求11LY/QSM-A11企业场所要求1812LY/QSM-A12卫生管理制度1913LY/QSM-A13卫生规范实施细则23三生产资源的提供14LY/QSM-A14生产设备管理制度2515LY/QSM-A15设备容器清洗消毒管理制度2616LY/QSM-A16人力资源管理制度2817LY/QSM-A17技术标准3118LY/QSM-A18文件管理制度3219LY/QSM-A19记录管理制度36四采购质量控制120LY/QSM-A20采购管理制度3821LY/QSM-A21仓库管理制度39五过程质量管理22LY/QSM-A22生产过程管理及考核制度4123LY/QSM-A23质量管理考核制度43六产品质量检验24LY/QSM-A24产品质量检验制度4925LY/QSM-A25测量和监视装置管理制度5126LY/QSM-A26化验室管理制度52富阳市利友食品有限公司目录LY/QSM-A0第A版0次修改2008.4.10生效食品质量安全手册第2页共2页2富阳市利友食品有限公司手册更改页LY/QSM-A1第A版0次修改2008.4.10生效食品质量安全手册第1页共1页手册更改页序号更改内容版本号更改标记更改人生效日期更改通知单编号3富阳市利友食品有限公司公司简介LY/QSM-A2第A版0次修改2008.4.10生效食品质量安全手册第1页共1页公司简介杭州利友食品有限公司地处浙江省富阳市东洲工业园区,始建于2008年,现有固定资产100多万元,公司建筑面积3900多平方米,2008年企业预计实现产值900万元。企业抓管理,促创新,经济效益良好,经济基础扎实。公司具有较强的食品生产和开发能力。主要系列产品有炒货食品(炒芝麻、花生粒、芝麻屑、芝麻酱(蓉)、花生酱(蓉))、其他粮食加工品(五谷粉、熟米粉、熟豆粉)、代可可脂巧克力及代可可脂巧克力制品等食品,产品畅销省内外。本公司食品生产设备配套齐全,水、电、汽、冷等食品生产必须装置齐备,企业发展空间、设备及公用设备容量充足,食品安全卫生设施和消防设施已按5520国家法律法规实施并取得许可证。厂区功能区分隔明显,符合生产炒货、调味料、其他粮食加工品、代可可脂巧克力及代可可脂巧克力制品等食品的条件。本厂全体员工将深入贯彻国家有关食品生产要求和QS要求,建立和运转质量管理体系,以顾客为关注焦点,持续改进产品和服务质量,使质量管理4更上一个台阶。杭州利友食品有限公司法人代表:李黎地址:富阳市东洲工业功能区八号路一号电话:86-571-87195277,87195287传真:86-571-87195287富阳市利友食品有限公司组织机构图LY/QSM-A3第A版0次修改2008.4.10生效食品质量安全手册第1页共1页公司质量管理体系组织机构图:生产技术科车间质量负责人供销科办公室质管科执行董事仓库化验室生产管理科5富阳市利友食品有限公司颁布令LY/QSM-A4第A版0次修改2008.4.10生效食品质量安全手册第1页共1页本手册表述了本公司质量方针和运行中质量安全体系符合《食品质量安全市场准入审查通则》及相关食品标准的基本规定。质量安全管理体系覆盖本公司炒货(芝麻(屑),花生粒芝麻酱(蓉)、花生酱(蓉))、其他粮食加工品(熟豆粉、熟米粉、五谷粉)、代可可脂巧克力及代可可脂巧克力制品等食品的开发、生产和销售服务。本手册是本公司质量安全管理体系实施遵循的纲领性和法规性文件,是本公司质量安全管理活动的基本要求,本手册用以规范,协调全公司的质量管理和质量保证活动。现颁布实行,全体员工必须严格按手册规定的内容贯彻执行,尽心尽职履行质量职责和义务,以开拓创新,勇于进取的精神,不断追求高科技和服务质量,以质量和服务双优承诺来保证满足顾客的要求,并努力提高和改进质量安全体系的有效性。本手册可为内部质量管理和外部质量管理审核依据。本手册适用于炒货(芝麻(屑),花生粒芝麻酱(蓉)、花生酱(蓉))、其他粮食加工品(熟豆粉、熟米粉、五谷粉)、代可可脂巧克...

1、当您付费下载文档后,您只拥有了使用权限,并不意味着购买了版权,文档只能用于自身使用,不得用于其他商业用途(如 [转卖]进行直接盈利或[编辑后售卖]进行间接盈利)。
2、本站所有内容均由合作方或网友上传,本站不对文档的完整性、权威性及其观点立场正确性做任何保证或承诺!文档内容仅供研究参考,付费前请自行鉴别。
3、如文档内容存在违规,或者侵犯商业秘密、侵犯著作权等,请点击“违规举报”。

碎片内容

利友食品有限公司食品质量安全手册

您可能关注的文档

确认删除?
VIP
微信客服
  • 扫码咨询
会员Q群
  • 会员专属群点击这里加入QQ群
客服邮箱
回到顶部