电脑桌面
添加小米粒文库到电脑桌面
安装后可以在桌面快捷访问

尾矿库安全管理VIP免费

尾矿库安全管理_第1页
1/7
尾矿库安全管理_第2页
2/7
尾矿库安全管理_第3页
3/7
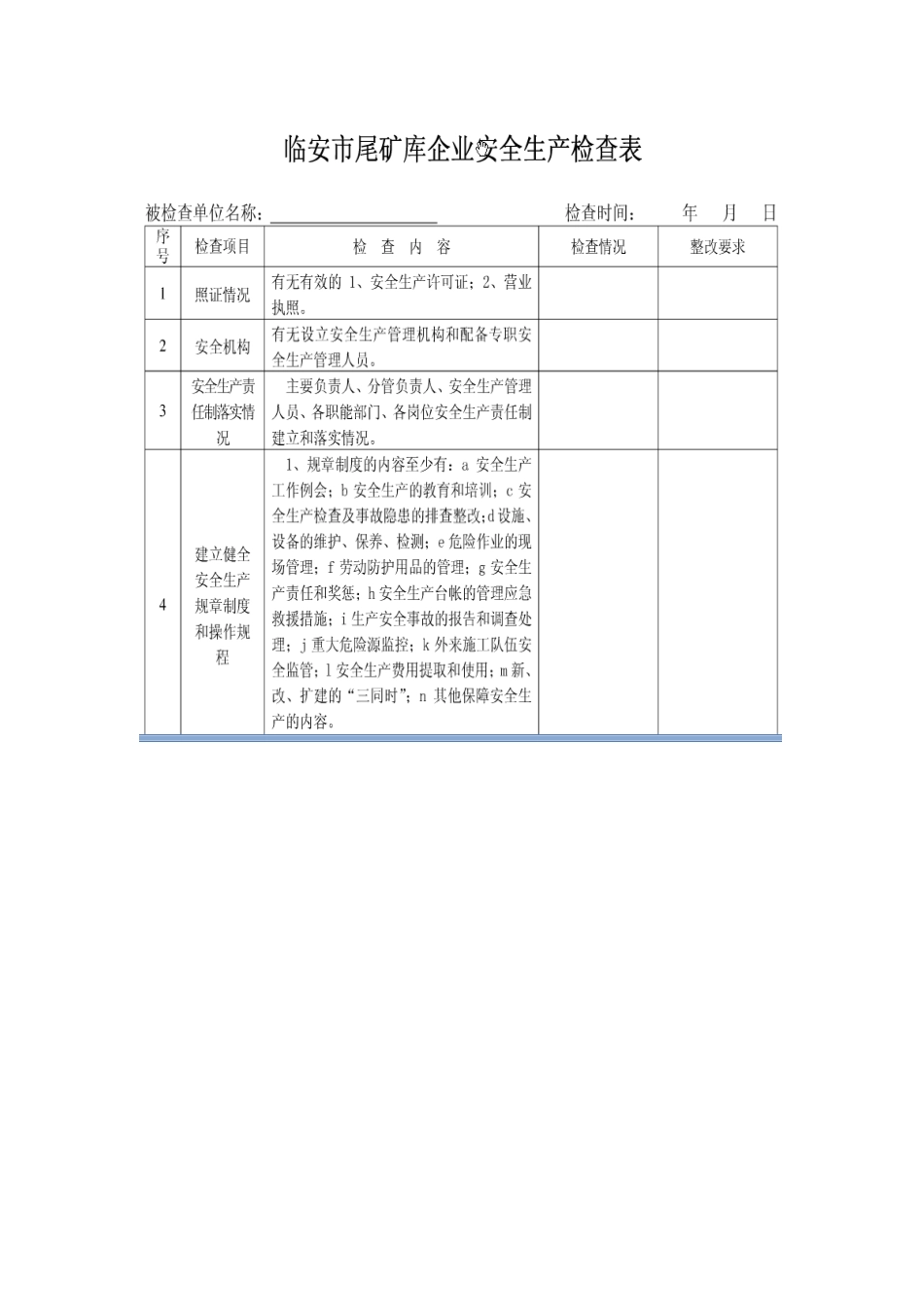
尾矿库的安全管理尾矿是指金属或非金属矿山开采出的矿石,经选矿厂选出有价值的精矿后排放的废渣。尾矿库是指筑坝拦截谷口或围地构成的,用以堆存金属或非金属矿山进行矿石选别后排除尾矿或其他工业废渣的场所,是维持矿山正常生产的必要设施。冶炼废渣形成的赤泥库,发电废渣形成的废渣库,也按尾矿库进行管理。山西省临汾市新塔矿业公司“9.8”尾矿库发生特大溃坝事故后,尾矿库的安全管理引起了国家和社会的高度关注。对于如何管好尾矿库,企业和安监部门都必须认真对待,高度重视,严格管理。一、企业要按照安全生产法律法规要求,对尾矿库进行安全预评价和正规设计。全面考察尾矿库的选址、合理布置库的位置,对下游存在村庄、建筑物的,要做好预防事故的准备。要做到选址合理,库容适当,安全可靠。二、企业要加强尾矿库的管理。尾矿库的管理关键在企业。一是企业必须要有足够的安全投入。尾矿库的安全运行是靠安全投入来保证的,企业必须舍得花钱,按照设计把库建好、建牢,从源头上堵塞漏洞。二是配备责任心强、经过专业训练、符合尾矿库安全运行要求的管理人员和尾矿库操作工,配备的人员要够用,特别是夏季要安排人员轮流值班,能够及时发现安全隐患,及早报告、及早处理。三是制定切实可行的尾矿库安全规章制度和安全操作规程,做到用制度管人。四是建立健全尾矿库技术、安全档案。对尾矿库进行全面的技术管理,保存好有关资料、图纸,以便及时分析存在的问题,确保尾矿库的安全。五是制定尾矿库应急救援预案,并定期进行演练。一旦发生事故,可将事故损失降低到最低程度。三、政府安全监管部门要加强对尾矿库的监管。一是按照法律法规的规定对尾矿库安全设施“三同时”进行严格审查,把好门槛,对不具备安全生产条件的,坚决不允许投入使用。二是加强使用中的监管,对尾矿库定期进行检查,发现问题及时督促企业进行整改,对存在安全隐患的病库、险库要责令企业停产整顿;三是加强特殊时期的安全监管,特别是做好汛期的安全检查。在汛期到来之前,要对尾矿库进行全面细致地排查,把问题消灭在萌芽状态。一时不能排除事故隐患的,要向政府报告,采取非常措施派人盯守,对隐患难以整改、不具备安全生产条件的尾矿库要提请政府依法关闭。防止发生重大事故,确保人民群众的生命财产安全。尾矿库企业安全生产检查表尾矿库安全评价需要提供的资料清单1、企业概况1)企业基本情况(包括隶属关系、开采时间、开采矿种、生产规模、职工人数、所在地区及其交通情况等)。2)企业营业执照、采矿许可证等3)矿长安全资格证书、主要负责人及安全管理人员资格证书。4)特种作业人员操作资格证书(包括尾矿工、电工、焊工等)。5)安全管理情况(包括安全管理组织体系、安全管理机构设置等)2、尾矿库地质报告及附图3、尾矿库(坝)工程地质勘察报告(包含坝体稳定性分析)4、尾矿库环境评价报告5、可行性研究报告(须由有相应资质的单位编写)6、安全预评价报告7、初步设计和安全专篇(须由有相应资质的单位编写)初步设计应有附图,附图应包括尾矿库平面图、库容曲线图、尾矿坝剖面图、排洪斜槽剖面图、尾矿堆积坝示意图等。8、安全生产监督管理部门出具的初步设计审查意见书9、尾矿库施工图10、施工、监理单位有关资料(单位营业执照、资质等)11、施工及监理资料(施工记录和监理记录)12、尾矿库竣工图13、企业自主组织的尾矿库竣工验收报告(设计、施工、监理等单位参加)14、尾矿库试运行方案和运行记录15、安监部门出具的尾矿库试运行方案的批复16、主要设备设施清单尾矿库的设备设施,包括设备型号、规格、数量等内容。17、特种设备检测检验报告18、安全生产责任制包括主要负责人、分管负责人、安全生产管理人员、职能部门、岗位安全生产责任制。19、安全生产管理制度包括安全检查制度、职业危害预防制度、安全教育培训制度、生产安全事故管理制度、重大危险源监控和重大隐患整改制度、设备安全管理制度、安全生产档案管理制度、安全生产奖惩制度及尾矿库隐患排查制度等。20、安全操作规程包括各岗位、各工种安全操作规程(必需有尾矿库的放矿、筑坝、排渗等)。21、事故应急...

1、当您付费下载文档后,您只拥有了使用权限,并不意味着购买了版权,文档只能用于自身使用,不得用于其他商业用途(如 [转卖]进行直接盈利或[编辑后售卖]进行间接盈利)。
2、本站所有内容均由合作方或网友上传,本站不对文档的完整性、权威性及其观点立场正确性做任何保证或承诺!文档内容仅供研究参考,付费前请自行鉴别。
3、如文档内容存在违规,或者侵犯商业秘密、侵犯著作权等,请点击“违规举报”。

碎片内容

尾矿库安全管理

确认删除?
VIP
微信客服
  • 扫码咨询
会员Q群
  • 会员专属群点击这里加入QQ群
客服邮箱
回到顶部