电脑桌面
添加小米粒文库到电脑桌面
安装后可以在桌面快捷访问

塑胶模具基本结构详解VIP免费

塑胶模具基本结构详解_第1页
1/24
塑胶模具基本结构详解_第2页
2/24
塑胶模具基本结构详解_第3页
3/24
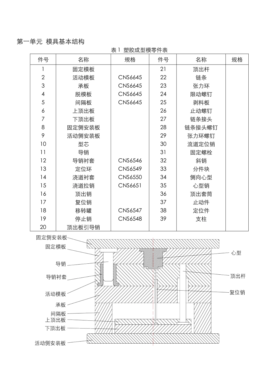
塑胶模具基本结构简介1模具基本结构1.1二板模1.2三板模1.3热浇道2流道与浇口2.1流道形式2.2浇口设计3冷却系統3.1一般水3.2冷冻水3.3油温4顶出系統4.1二段顶出4.2强制顶出5倒勾处理5.1滑块(內滑块)5.2斜销5.3强制脱模第一单元模具基本结构表1塑胶成型模零件表件号名称規格件号名称规格1234567891011121314151617181920固定模板活动模板承板脱模板间隔板上顶出板下顶出板固定侧安装板活动侧安装板型芯导销导销衬套定位环浇道衬套浇道拉销顶出销复位销移转罐停止销顶出板引导销CNS6645CNS6645CNS6645CNS6645CNS6546CNS6549CNS6550CNS6651CNS6547CNS654821222324252627282930313233343536373839顶出杆链条张力环限动螺钉剥料板止动螺钉链条接头链条接头螺钉张力环螺钉流道定位销固定螺栓斜销分件块侧向心型心型销顶出套筒止动件定位件支柱图1挤压成形模具图2转移成形模具图3射出成形模具(1标准型)图4射出成形模具(4滑板型L型流道用)图5射出成形模具(5分割型)图6射出成形专用模(6侧向型模活动侧)图7射出成形专用模(7侧向型模固定侧)图8塑胶射出成型机与塑胶模具图9图9(续)1.1模穴的配置1.1.1对单穴之情況:<A>对于需要中央进浇之情況图10由中心进浇直达分模线图11传统式之模具基本构造图12三板式之模具基本构造图13由中心进浇直达分模线<B>对于侧向进浇之情況:图14单穴侧面进浇方式图15三板模于偏离口之应用实例图16热浇道模于偏离浇口之应用实例第二单元流道与浇口2-1前言模具设计的必要条件是要有广泛的知识领域。根据成形品的形状及性质。考虑其材料将如何射入,成品将如何取出以及模具机构为何等问题。欲适当的处理这些问题,则必须充分的了解常用的基本机构及处理方法。在此让我们一一的介紹射出成形模具所必须具备的基本基能。2-2材料的流通机构2-2.1注道注道是从成形机构的喷嘴至流道之间,有一段锥形的孔道,以引导材料进入模穴中,是模具构造中最先与材料接触的部位。其前端孔径较小,末端孔径较大,锥孔斜度约3~5度。注衬套前端之R需大于喷嘴之R约0.1mm,以便与喷嘴密切接合且小端孔径须大于成型机之喷嘴孔径约1mm程度。如图17所示。H部份约3~5mm。图17注道衬套2-2.2流道流道是从注道之末端至浇口之间的通路部份。也是影响材料流动关系最密切的部份。例如模穴充填不足等不良原因,大多由于流道问題而产生。流道的断面形状可采用如图18所示之形式,一般以圆形或梯形较适宜。为减少流动阻力,其表面必须加以研磨。並考虑其段面积的大小及材料损失。流道的断面积约16~50平方毫米至于多模穴的模具更须考虑其对称性及长度均等性加以配置。图18流道的断面关系2-2.3浇口流道的終点,模穴的入口称为浇口。浇口在射出成形模具中占有最重要的地位,系因其具有下列的功能:(1)控制注入材料的流动状态,如流量及流速等。(2)减轻入口附近的残余应力,防止产生裂痕和收缩之影响。(3)冷材料通过小浇口时,可使材料具加热作用提高材料温度。(4)使流道在成形后易于脱落。浇口大小与成形品之重量及材料的流动性也有关系,一般的情況浇口的断面积可用下列公式计算:A=W。K式中A表示浇口断面积(mm),W表示成品重量(g),K表示材料的流动系数(mm/g)。浇口的断面积大,则留在成品的毛边不易去除,且成形品的表面较差,又因为成形品材料温度随其形状与厚度之不同而异,故最初时皆设置小浇口,再依实际情況作适度的调整。2-2.4浇口之种类(1)标准型浇口:如图19所示。浇口厚度为成形品厚度的30~40%,宽度为成形品厚度的3倍左右。此型浇口之凝固速度快,可保持模穴內之压力。标准浇口、针尖浇口及潜入形浇口三者同称为限制型浇口。图19标准浇口(2)直接浇口:如图20所示,又称为注道形浇口。使用此型浇口时材料的损失较少,模具的构造简单。但浇口附近易生缺陷,且一组模具內不能有多数个模穴。图20直接浇口(3)扇形浇口:如图21所示。熔融材料进入模具部份,面积大而且薄,形状像扇形故称扇形浇口。此种浇口的附近不易产生缺陷,广泛用于平板的成形。图21扇形浇口(4)薄膜形浇口:如图22所示。与(3)同,浇口宽广且薄故称为薄膜形浇口。适用于大而薄的成形品。图22薄膜形...

1、当您付费下载文档后,您只拥有了使用权限,并不意味着购买了版权,文档只能用于自身使用,不得用于其他商业用途(如 [转卖]进行直接盈利或[编辑后售卖]进行间接盈利)。
2、本站所有内容均由合作方或网友上传,本站不对文档的完整性、权威性及其观点立场正确性做任何保证或承诺!文档内容仅供研究参考,付费前请自行鉴别。
3、如文档内容存在违规,或者侵犯商业秘密、侵犯著作权等,请点击“违规举报”。

碎片内容

塑胶模具基本结构详解

墨香书阁+ 关注
实名认证
内容提供者

热爱教学事业,对互联网知识分享很感兴趣

确认删除?
VIP
微信客服
  • 扫码咨询
会员Q群
  • 会员专属群点击这里加入QQ群
客服邮箱
回到顶部