电脑桌面
添加小米粒文库到电脑桌面
安装后可以在桌面快捷访问

水电站扩机工程质量月报VIP免费

水电站扩机工程质量月报_第1页
1/4
水电站扩机工程质量月报_第2页
2/4
水电站扩机工程质量月报_第3页
3/4
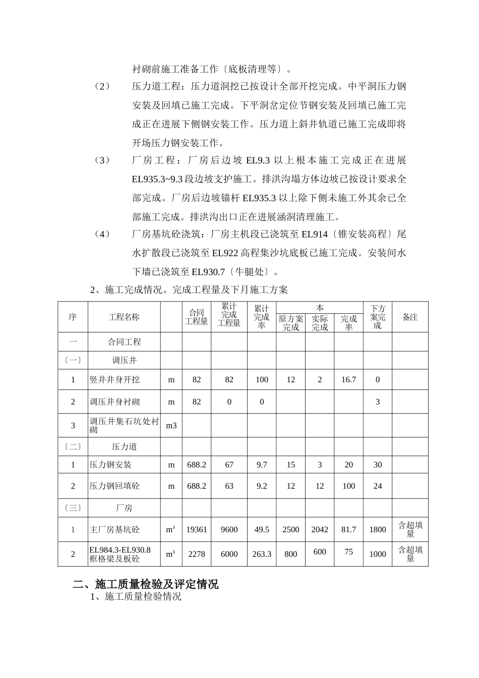
贵州响水水电站扩机工程土建与安装工程II标段质量月报(2021年06月)总第一】中国水利水电第十六工程贵州响水水电站扩机工程工程经理部2010年06月25日审查:校核:编写:一、本月工程进度情况1、主要工程形象进度描绘响水水电站扩机工程扩机工程自2021年08月开工建立以来在业主、代建的正确指导下在监理、设计等相关的大力支持下工程建立获得了较大进展各部位现施工相貌及形象主要如下:(1)调压井工程:调压井竖井开挖已按设计开挖完成目前正在进展砼衬砌前施工准备工作〔底板清理等〕。(2)压力道工程:压力道洞挖已按设计全部开挖完成。中平洞压力钢安装及回填已施工完成。下平洞岔定位节钢安装及回填已施工完成正在进展下侧钢安装工作。压力道上斜井轨道已施工完成即将开场压力钢安装工作。(3)厂房工程:厂房后边坡EL9.3以上根本施工完成正在进展EL935.3~9.3段边坡支护施工。排洪沟塌方体边坡已按设计要求全部完成。厂房后边坡锚杆EL935.3以上除下侧未施工外其余已全部施工完成。排洪沟出口正在进展涵洞清理施工。(4)厂房基坑砼浇筑:厂房主机段已浇筑至EL914〔锥安装高程〕尾水扩散段已浇筑至EL922高程集沙坑底板已施工完成。安装间水下墙已浇筑至EL930.7〔牛腿处〕。2、施工完成情况。完成工程量及下月施工方案二、施工质量检验及评定情况1、施工质量检验情况序工程名称合同工程量累计完成工程量累计完成率本下方案完成备注原方案完成实际完成完成率一合同工程〔一〕调压井1竖井井身开挖m828210012216.702调压井身衬砌m820033调压井集石坑处衬砌m3〔二〕压力道1压力钢安装m688.2679.715320302压力钢回填砼m688.2639.2121210024〔三〕厂房1主厂房基坑砼m³19361960049.52500204281.71800含超填量2EL984.3-EL930.8框格梁及板砼m³22786000263.3800600751000含超填量2、本月质量评定情况说明本月无工程、分部工程评定验收本月金属构造、启闭机及机电质量检查主要为厂房水机路、电气接地等零星工程质量检查检查结果全部合格。本月质量评定情况主要为调压井竖井开挖单元、上室平洞开挖单元、及厂房砼单元、锚杆单元评定详细如下:竖井开挖单元:共验收4个单元优良2个优良率50;上室平洞开挖单元:共验收1个单元合格;原材料检测试验情况项目水泥粉煤灰砂子石子检测数合格数合格%检测数合格数合格%检测数合格数合格%检测数合格数合格%本月检测44100221004410088100开工累计5050100111110048481008080100半成品检测试验情况项目砼试块砂浆试块钢筋焊接件钢筋试件检测数合格数合格%检测数合格数合格%检测数合格数合格%检测数合格数合格%本月检测151510000100------开工累计35135110044444415151003939100现场施工质量检测试验情况项目锚杆检测灌浆检测钢构焊接检测钢构探伤检测检测数合格数合格%检测数合格数合格%检测数合格数合格%检测数合格数合格%本月检测66100---------开工累计626210011100---352352100评定数合格数优良数优良%评定数合格数优良数优良%本月评定----21211258.4开工累计----40240225062.3厂房边坡锚杆:共验收6个单元全部合格;厂房砼单元:本共评定15个单元优良10个优良率66.7。本月质量评定汇总如下表:序分部工程名称单元工程名称单元数(个)合格数〔个〕优良数〔个〕合格率〔〕优良率〔〕分部总评结果1调压井及其上段调压井竖井开挖44210050本月无分部工程评定2调压井及其上段调压井上平洞开挖11010003厂房开挖及支护厂房边坡锚杆支护66---100---4厂房开挖及支护厂房边坡支护砼66110016.75厂房主机段厂房基坑及水下墙砼6661001006厂房尾水扩散段厂房尾水闸墩砼333100100合计26261210046.2三、质量缺陷及质量事故的处理在工程监理及承包人的共同努力下本月工程建立质量情况良好处于受控状态无质量缺陷及质量事故发生。四、质量保证体系及运行情况工程建立伊始承包人即建立、健全了本工程质量保证体系并成立了质量控制小组质量控制小组成员包括工程部决策层到理层〔各部位专职质检员〕再到作业层〔施工班组及作业工人〕均进展质量交底培养所有参与人员的质量意识做到“质量工作。人人参与〞。同时投入足额的专项资金用于质量情况奖罚采用奖罚...

1、当您付费下载文档后,您只拥有了使用权限,并不意味着购买了版权,文档只能用于自身使用,不得用于其他商业用途(如 [转卖]进行直接盈利或[编辑后售卖]进行间接盈利)。
2、本站所有内容均由合作方或网友上传,本站不对文档的完整性、权威性及其观点立场正确性做任何保证或承诺!文档内容仅供研究参考,付费前请自行鉴别。
3、如文档内容存在违规,或者侵犯商业秘密、侵犯著作权等,请点击“违规举报”。

碎片内容

水电站扩机工程质量月报

您可能关注的文档

确认删除?
VIP
微信客服
  • 扫码咨询
会员Q群
  • 会员专属群点击这里加入QQ群
客服邮箱
回到顶部