电脑桌面
添加小米粒文库到电脑桌面
安装后可以在桌面快捷访问

排水管网课程设计说明书、计算书VIP免费

排水管网课程设计说明书、计算书_第1页
1/57
排水管网课程设计说明书、计算书_第2页
2/57
排水管网课程设计说明书、计算书_第3页
3/57
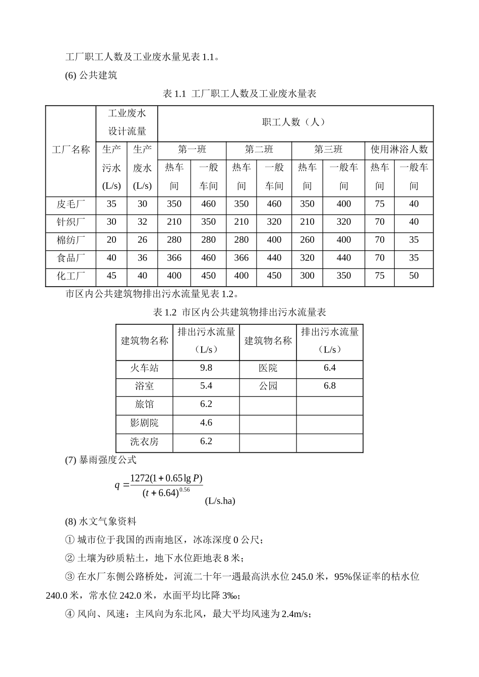
一排水管网设计说明书....................................................................................................................11总论...................................................................................................................................................11.1设计依据...............................................................................................................................11.2城市概况原始资料...............................................................................................................11.3设计原则...............................................................................................................................31.4设计范围和任务...................................................................................................................32方案选择和确定...............................................................................................................................42.1排水体制的确定...................................................................................................................42.2工业废水与城市排水系统的关系选择...............................................................................52.3污水处理方式的选择...........................................................................................................53污水管网工程设计...........................................................................................................................83.1污水管网定线.......................................................................................................................83.2污水设计流量.....................................................................................................................103.3污水管道的水力计算.........................................................................................................133.4污水管道水力计算成果.....................................................................................................193.5污水管网工程量统计.........................................................................................................204雨水管网工程设计.........................................................................................................................214.1雨水管网定线.....................................................................................................................214.2雨水设计流量.....................................................................................................................224.3雨水管道的水力计算.........................................................................................................244.4雨水管道水力计算成果.....................................................................................................264.5雨水管道工程量统计.........................................................................................................275结论.................................................................................................................................................28附:一张A3总平面布置图..............................................................................................................29二排水管网设计计算书.............................................................................................

1、当您付费下载文档后,您只拥有了使用权限,并不意味着购买了版权,文档只能用于自身使用,不得用于其他商业用途(如 [转卖]进行直接盈利或[编辑后售卖]进行间接盈利)。
2、本站所有内容均由合作方或网友上传,本站不对文档的完整性、权威性及其观点立场正确性做任何保证或承诺!文档内容仅供研究参考,付费前请自行鉴别。
3、如文档内容存在违规,或者侵犯商业秘密、侵犯著作权等,请点击“违规举报”。

碎片内容

排水管网课程设计说明书、计算书

您可能关注的文档

确认删除?
VIP
微信客服
  • 扫码咨询
会员Q群
  • 会员专属群点击这里加入QQ群
客服邮箱
回到顶部