电脑桌面
添加小米粒文库到电脑桌面
安装后可以在桌面快捷访问

摄象机选型和施工问题(1)VIP免费

摄象机选型和施工问题(1)_第1页
1/43
摄象机选型和施工问题(1)_第2页
2/43
摄象机选型和施工问题(1)_第3页
3/43
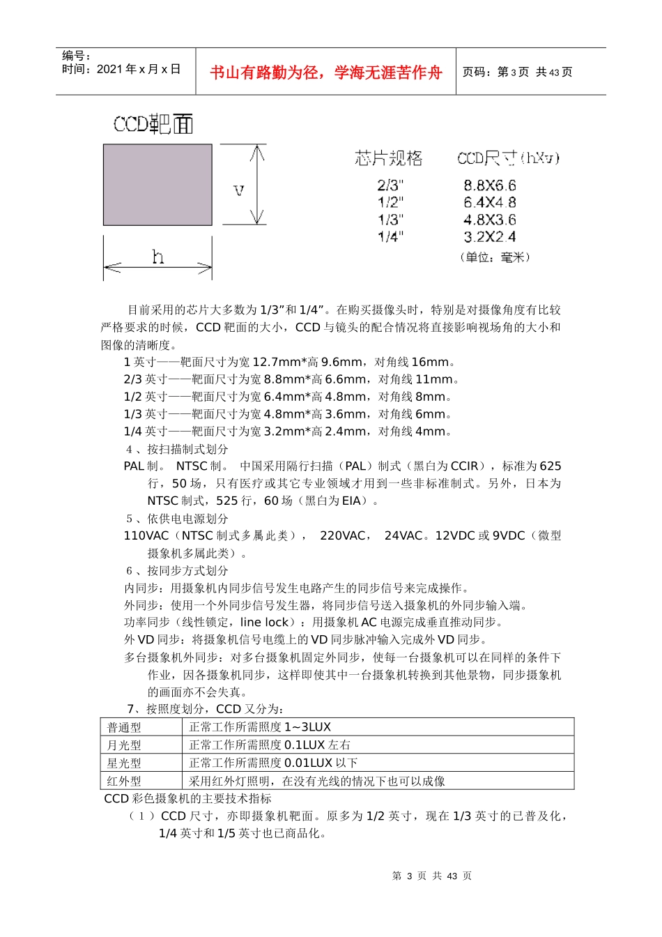
第1页共43页编号:时间:2021年x月x日书山有路勤为径,学海无涯苦作舟页码:第1页共43页摄象机选型和施工问题1、摄象机的选择和主要参数..................................................................12、摄像头的安装调试..............................................................................53、镜头的选择和主要参数......................................................................64、视频切换与控制主机........................................................................125、画面处理器........................................................................................156、其他监控器材....................................................................................187、关于视频的传输问题........................................................................228、报警系统............................................................................................249、何谓照度............................................................................................2810、监控系统施工中应注意的问题......................................................3011、低照度摄像机的正确认识..............................................................3112、远程监控传输方式简述..................................................................3213、微波图像传输、无线指令遥控系统在电视监控中应用..............3413、全光谱高灵敏感应(超低照度)摄像机与红外灯......................3614、未来的闭路监控设备......................................................................371、摄象机的选择和主要参数闭路监控系统中,摄像机又称摄像头或CCD(ChargeCoupledDevice)即电荷耦合器件。严格来说,摄像机是摄像头和镜头的总称,而实际上,摄像头与镜头大部分是分开购买的,用户根据目标物体的大小和摄像头与物体的距离,通过计算得到镜头的焦距,第2页共43页第1页共43页编号:时间:2021年x月x日书山有路勤为径,学海无涯苦作舟页码:第2页共43页所以每个用户需要的镜头都是依据实际情况而定的,不要以为摄像机(头)上已经有镜头。摄像头的主要传感部件是CCD,它具有灵敏度高、畸变小、寿命长、抗震动、抗磁场、体积小、无残影等特点,CCD是电耦合器件(ChargeCoupleDevice)的简称,它能够将光线变为电荷并可将电荷储存及转移,也可将储存之电荷取出使电压发生变化,因此是理想的摄象元件。是代替摄像管传感器的新型器件。CCD的工作原理是:被摄物体反射光线,传播到镜头,经镜头聚焦到CCD芯片上,CCD根据光的强弱积聚相应的电荷,经周期性放电,产生表示一幅幅画面的电信号,经过滤波、放大处理,通过摄像头的输出端子输出一个标准的复合视频信号。这个标准的视频信号同家用的录像机、VCD机、家用摄像机的视频输出是一样的,所以也可以录像或接到电视机上观看。CCD摄象机的选择和分类CCD芯片就像人的视网膜,是摄像头的核心。目前我国尚无能力制造,市场上大部分摄像头采用的是日本SONY、SHARP、松下、LG等公司生产的芯片,现在韩国也有能力生产,但质量就要稍逊一筹。因为芯片生产时产生不同等级,各厂家获得途径不同等原因,造成CCD采集效果也大不相同。在购买时,可以采取如下方法检测:接通电源,连接视频电缆到监视器,关闭镜头光圈,看图像全黑时是否有亮点,屏幕上雪花大不大,这些是检测CCD芯片最简单直接的方法,而且不需要其它专用仪器。然后可以打开光圈,看一个静物,如果是彩色摄像头,最好摄取一个色彩鲜艳的物体,查看监视器上的图像是否偏色,扭曲,色彩或灰度是否平滑。好的CCD可以很好的还原景物的色彩,使物体看起来清晰自然;而残次品的图像就会有偏色现象,即使面对一张白纸,图像也会显示蓝色或红色。个别CCD由于生产车间的灰尘,CCD靶面上会有杂质,在一般情况下,杂质不会影响图像,但在弱光或显微摄像时,细小的灰尘也会造成不良...

1、当您付费下载文档后,您只拥有了使用权限,并不意味着购买了版权,文档只能用于自身使用,不得用于其他商业用途(如 [转卖]进行直接盈利或[编辑后售卖]进行间接盈利)。
2、本站所有内容均由合作方或网友上传,本站不对文档的完整性、权威性及其观点立场正确性做任何保证或承诺!文档内容仅供研究参考,付费前请自行鉴别。
3、如文档内容存在违规,或者侵犯商业秘密、侵犯著作权等,请点击“违规举报”。

碎片内容

摄象机选型和施工问题(1)

确认删除?
VIP
微信客服
  • 扫码咨询
会员Q群
  • 会员专属群点击这里加入QQ群
客服邮箱
回到顶部